入门:电流传感器对变频伺服系统的重要性
2023-01-26
来源:旺材伺服与运动控制
用于电机控制的变频伺服系统中,电流传感器的采样精度和实时性很大程度上决定了系统的动、静态性能。精确的电流检测是提高系统控制精度、稳定性和快速性的重要环节,也是实现高性能闭环控制系统的关键。同时,当电机发生堵转或负载过重时,系统通过电流传感器检测到线路上发生过流,可以驱动IPM模块实现关断保护功能。
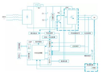
下图一是用于电机控制的变频伺服系统框图:
图一: 用于电机控制的变频伺服系统框图
电流传感器按照工作原理可以分为:霍尔电流传感器、电流互感器、磁阻式电流传感器、电阻式电流传感器、光纤电流传感器等。而在变频伺服系统中,常见的电流传感器主要有霍尔电流传感器、电流互感器及电阻式电流传感器。利用霍尔效应原理的霍尔电流传感器可直接将电流(单向或双向)信号变换为直流电压信号,在经过独立或集成在MCU中的A/D转换器转换为数字信号。作为系统控制参数之一,与其他的电压、转速等参数一起,实现系统的控制功能。
现以MELEXIS的霍尔电流传感器为例,做简要介绍。
MELEXIS的霍尔电流传感器也分为传统的霍尔电流传感器方案以及MELEXIS独有的专利技术的三轴平面霍尔电流传感器方案,如下图二中左边的部分,传统的霍尔电流传感器方案需要额外的屏蔽磁环或屏蔽罩。其抗干扰性能很好,可以检测较大的电流。下图二中右边的是三轴平面霍尔电流传感器方案,内部集成了集磁片(IMC),集磁片具有很高的磁导率和低的磁滞特性。能将通电导体产生的磁力线会聚,使其垂直于芯片。因此不需要额外的屏蔽罩。使得产品尺寸很小、安装和使用变得很简单,可用于中小功率的变频伺服系统中,做小电流检测应用。
图二: 传统霍尔电流传感器方案及三轴平面霍尔电流传感器方案
MELEXIS的传统霍尔电流传感器主要有MLX91207,MLX91209,三轴平面霍尔电流传感器主要有MLX91205,MLX91206,MLX91208。
如下图三所示:以及片内集成被测电流载体的MLX91210,这是MELEXIS第三代的电流传感器产品,检测电流范围有±20A、±30A和±50A三种。非常适合用在中小功率的变频伺服系统中,用来做电流检测。
图三:MELEXIS传统霍尔及平面霍尔电流传感器型号
MLX91210主要特性:
• 体积小
• 低功耗、散热少
• 差分技术抗外场干扰能力强
• 温漂补偿
• 带宽大,响应时间5us
• 绝缘电压高
图四: MLX91210内部结构示意图
表一:MLX91210型号及特性表
图五:MLX91210内部结构框图
MLX91210内部集成被测电流载体,电流可直接流入芯片内部,最大电流可达±50A,在输入电流为零时,输出电压为1/2VDD。5V版本的内部集成电源调整器,因此不必担心电源电压波动对输出精度的影响。全量程范围内的非线性度达到0.5%FS。
MLX91210推荐的应用电路如下图:可以看出MLX91210使用起来,还是非常简单的,外围只需要接几个滤波电容即可,图中的RC电路是为了提高分辨率和降低输出噪声。
图六:MLX91210推荐应用电路
总结:电流传感器在用于电机控制的变频伺服系统中是不可或缺的,其精度、可靠性、抗干扰性能以及使用方便性,这些都是非常重要的。MELEXIS的电流传感器恰好在这些方面都具有非常突出的优势。因此,是非常适合与这类应用的。
更多信息可以来这里获取==>>电子技术应用-AET<<

