无线传感器网络的挑战和解决方案
2023-01-29
来源:ADI
作者:Jonathan Simon 和 Thomas Watteyne
我们生活在一个充满传感器的世界。我们工作的建筑物都有传感器监控温度、占用率、烟雾和火灾以及安全性。我们的汽车包含数十个甚至数百个传感器,监控发动机性能、制动和乘客安全设备,仅举几例。制造环境需要传感器,因为您无法控制无法测量的东西。在满足安全、质量和效率目标的同时制造产品需要大量的传感器。
在过去的几十年里,传感器变得更小、更便宜、功耗更低,部分原因是摩尔定律和MEMS革命。不幸的是,安装传感器的成本并没有跟上。通过电线传输电力和数据的成本通常使传感器本身的成本相形见绌。以最近的电灯开关为例:即使在新建筑中,1美元开关的布线也可能花费50美元,主要是人工。如果要将该开关移动到相邻的墙壁上,则改造的价格要高得多。在工业过程自动化中,公认的经验法则是安装传感器(即使是简单的开关)需要 10,000 美元。在这种成本环境中,许多传感器仅向本地控制器报告数据 - 当安装数百或数千个传感器时,可能很少或根本没有“大局”。我们需要的是一种廉价、可靠的传感器联网方式。
几乎从马可尼时代开始,人们就使用无线技术来传输来自传感器的数据,结果好坏参半。传统上,这些链路是线供电和点对点的,由于环境条件,通常具有时变的可靠性。这对于某些应用程序来说很好,但对大多数应用程序来说限制性太强。
市场
无线传感器网络(WSN)的市场包括楼宇自动化、工业控制、家庭自动化、智能电网和自动计量基础设施(AMI)、工业过程自动化、环境监测、停车和运输基础设施、能源监控和库存控制。
在大多数情况下,这些是双向非对称数据收集应用程序 - 大量检测点将数据转发到中央主机,中央主机可能会响应过程设定点或其他配置更改。
技术选择
理想情况下,客户需要一种低成本的技术,允许不受限制的传感器放置,以低延迟可靠地接收定期数据,并在设备使用寿命内运行而无需更换电池。最近的技术进步使我们能够在许多市场提供这些功能。
有几种技术竞争来填补这一角色,包括卫星,蜂窝,Wi-Fi和基于IEEE 802.15.4无线电的大量解决方案。这些技术允许用户形成WSN来收集传感器数据。
卫星和蜂窝在许多应用中运行良好,但每包的能源成本最高。数据计划费用也可能令人望而却步,尽管随着运营商开发适合相对稀疏的数据流的计费模型,这种情况可能会发生变化。覆盖范围也可能是一个问题。显然,卫星或手机信号很难从严重阻塞的结构中出来,而且传感器通常没有能力从一侧移动到另一侧并询问“你现在能听到我的声音吗?然而,对于以非常低的数据速率(例如,每天一个数据包)发送且连接良好的应用程序,卫星或蜂窝可能很有意义。
Wi-Fi(IEEE 802.11b,g)传感器现已广泛使用。Wi-Fi数据包的能源成本远低于蜂窝网络,并且没有经常性的数据费用。连接性和覆盖范围仍然是重要的问题,因为与固定传感器进行可靠通信所需的接入点密度通常高于使用小工具的移动人员所需的密度。
由于干扰和多径衰落,构建可靠无线系统的关键是利用信道和路径分集。
参考 OSI 层模型,802.15.4 标准定义了物理层 (PHY) 和介质访问控制 (MAC) 层,用于短距离、低功耗操作,非常适合无线传感器网络。无线电的数据速率相对较低(高达250kbps);数据包很短(< 128 字节)且能耗低。例如,使用路由、加密和其他标头发送几字节的传感器数据需要不到1ms的时间,消耗的能量不到30μJ(见图1),包括接收安全链路层确认。传感器可以转发来自对等方的无线电数据包,将网络的范围扩展到远远超出单个无线电的范围,并为网络提供对任何单个无线电链路故障的免疫力。
图1.传输短 802.15.4 数据包并接收确认的能量。
性能指标
对各种WSN解决方案的评估基于两个问题,”我能足够快地获得所有数据吗?“和”要花多少钱?“WSN 必须设计为在链路层数据包交付比率 (PDR) 低至 50% 左右的环境中工作。
在开发无线数据收集系统时,必须满足一些性能目标。首先,系统必须满足最低可靠性目标。对于工业应用,目标通常是接收至少99.9%的生成数据,因为丢失数据可能会触发昂贵的警报条件。其次,系统必须支持一定的吞吐量,即每秒多个传感器数据包。第三,这些数据包仅在最大延迟期内收到时才有用。许多流程依赖于新的数据更新 — 为了控制,过时的数据可能没有用处。第四,许多系统必须在具有挑战性的环境中运行,包括宽温度范围和本质安全限制。只有满足所有这四个要求的解决方案才被认为适合进一步评估。
在考虑满足要求的各种解决方案时,关键的选择标准是拥有成本和灵活性。拥有成本包括几个方面:产品开发、安装、硬件以及在安装的整个生命周期内供电。与有线解决方案相比,无线技术大大降低了安装成本,但电池供电的无线设备可能需要在网络的生命周期内更换电池。在构建具有少量高功率设备以降低硬件成本的网络与使用大量低功耗设备之间也存在权衡。对于由能量收集电池供电的设备(例如,太阳能、热电),电容器尺寸可能决定成本的很大一部分。具有确定性调度的解决方案,如时分多址(TDMA),可以帮助尽可能分离大电流事件,以降低电容尺寸要求。
由于最终部署条件是不可预测的,因此网络的设计必须具有灵活性。网络必须从少量传感器扩展到大量传感器,从低密度扩展到高密度。为了在各种无线环境中保持稳健,资源配置应确保设备在中等干扰下可靠地通信,并且网络在单个设备丢失的情况下幸存下来。其他资源(包括更多无线链路、每个设备的更多邻居或更多信号放大)可提高可靠性和延迟。所有这些增加都会增加电力成本,这可以通过动态分配来最小化。
基于标准的解决方案可以不受单个供应商组件的供应链变幻莫测的影响,并保证社区已就运营指导原则(例如安全架构)达成一致。
挑战
无线信道本质上是不可靠的,许多现象会阻止传输的数据包到达接收器。干扰就是其中一种现象。如果两个独立的发射器在同一信道上传输,使得它们的信号重叠,则它们可能会在接收器的无线电上破坏彼此的信号。这需要发射器重新传输,但代价是额外的时间和精力。
如果底层介质访问技术未安排无争用通信,则干扰可能来自同一网络。如果两个发射器可以听到接收器的声音,但彼此听不到对方的声音,这尤其成问题——这被称为”隐藏终端问题“,它需要退避和确认机制来解决冲突。
干扰也可能来自在同一无线电空间中运行的另一个网络,或者来自使用相同频段的不同无线电技术。后者被称为”外部“干扰,尤其存在于未经许可的频段中,例如 2.400GHz 至 2.485GHz 仪器仪表、科学和医疗 (ISM) 频段,这些频段挤满了 Wi-Fi、蓝牙和 802.15.4。
图 2 是通过在办公环境中部署 45 个 802.15.4 节点并让它们交换 1200 万个数据包,平均分布在 16 个 802.15.4 通道上得到的。它将这些数据包的平均数据包传输比率绘制为它们传输的通道的函数;在与 Wi-Fi 信道重叠的信道上,此交付比率较低。
图2.2.400GHz至2.485GHz频段的Wi-Fi和802.15.4之间的干扰。
第二种现象是多径衰落,如图3所示,可能会阻止传输的数据包到达接收器,并且更具破坏性且更难量化。通常被描述为”自我干扰“,当接收者接收到来自发射器的视线路径上的信号,以及从环境中的物体(地板、天花板、门、人等)反弹的相同信号的”回波“时,就会发生这种情况。由于这些副本传播的距离不同,因此它们在不同的时间到达接收器,可能会产生破坏性干扰。20dB至30dB的淡入淡出并不少见。
图3.多径衰落会导致链路质量发生巨大变化,即使仅将接收器移动几厘米也是如此。
图3是通过将发射器向5m外的接收器发送1000个数据包,并在接收器位于35cm×20cm网格中的每个点上重复此操作而获得的。z 轴表示该链路上的数据包传递比率。虽然链路在大多数位置都很好,但在某些位置,由于多路径衰落,没有成功接收数据包。
多径衰落取决于环境中每个对象的位置和性质,在任何实际设置中都是不可预测的。一个很好的特性是图3中描绘的地形随频率变化。也就是说,如果由于多路径衰落而未收到数据包,则以不同频率重新传输成功的可能性很高。
由于环境中的对象不是静态的,例如,汽车驶过,门被打开和关闭,因此多路径的影响会随着时间的推移而变化。图4显示了26天内两个工业传感器之间单个无线路径上的数据包传输率,以及系统使用的16个通道中每个通道的数据包传输率。每周都有工作日和周末清晰可见的周期。在任何给定时间,有些渠道是好的(高交付),有些是坏的,还有一些是高度变化的。渠道 17 虽然总体上不错,但至少有一个零交付期。网络中的每个路径都表现出质相似的行为,但具有不同的信道性能,并且网络中从来没有任何一个信道是好的。1
图4.无线链路的数据包传送比率随时间而变化。
由于干扰和多径衰落,构建可靠无线系统的关键是利用信道和路径分集。
解决 方案
如前所述,IEEE 802.15.4–802.15.4 无线电非常适合解决 WSN 问题的一种技术,它在多个免许可频段(包括北美可用的 915MHz 频段和全球可用的 2.4GHz ISM 频段)中提供低功耗、低数据速率 PHY。2.4GHz 频段扩频 PHY 提供抗噪声能力,这对于设计用于在潜在拥挤、未经许可的频段中运行的低功耗设备来说,这是一个特别重要的特性。该标准还定义了具有可选加密和身份验证的可靠、确认、基于数据包(或帧)的 MAC 层。这种灵活的解决方案构成了几种专有和基于标准的协议的基础,包括ZigBee协议(使用它来形成不同步的单通道网络)和WirelessHART协议,2使用它来形成时间同步的多通道网络。
Dust Networks帮助开发的WirelessHART协议具有802.15.4 2.4GHz PHY和基于802.15.4的链路层,该协议为标准802.15.4 MAC增加了同步,信道跳频,优先级和基于时间的身份验证。它有一个提供路由和端到端安全性的网络层,以及一个薄的不可靠/可靠的网状传输层。WirelessHART标准规定了时隙时序,设备如何保持同步,以及设备如何通过将时间划分为重复超帧上的时隙通信机会(时隙)来安排时间/通道通信机会。该协议旨在允许无线设备无缝集成到现有的有线HART装置中,广泛用于工业过程监测和控制应用。WirelessHART扩展了HART应用层命令集,增加了用于管理无线资源和监控网络运行状况的命令。WirelessHART网络是高度可靠的网状网络,即使对于没有视线的设备,并且间隔数十到数百米,每个设备都有多个可以向其发送数据的邻居,从而提供了可靠性所需的路径多样性。无线HART网络是集中管理的,大多数网络智能驻留在管理器中。现场设备(无线传感器)报告管理器用于整理和优化网络的状态信息,并将传感器数据报告给称为网关的应用程序代理。
应用
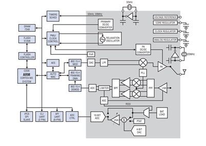
凌力尔特的粉尘网络智能网格?产品线包含符合 WirelessHART 和 6LoWPAN 标准的 IPv6 产品,这些产品利用 802.15.4 提供市场上最可靠、功耗最低的 WSN 解决方案。尘埃网络永恒?微尘(LTC5800 系列)是单芯片器件,可将 Cortex-M3 微处理器、存储器和外设耦合到目前功耗最低的 802.15.4 无线电(图 5)。设计人员在其传感器封装中嵌入微尘,并可以依靠网络来形成、优化传感器数据并将其传输到其应用中。Dust Networks 管理器允许从数十台设备优雅地扩展到数千台设备,为网络提供数据和配置接口。这两个产品系列均构建了高度可靠的多跳网状网络,能够实现每个节点的可配置数据速率。它们适用于解决各种 WSN 问题。使用灰尘的一些应用程序示例??微尘和管理器包括:
停车:街线4是一家智能停车提供商,监控城市停车位的实时可用性。车辆探测器安装在停车位下方、人行道一侧并与道路齐平。这带来了挑战,因为传感器设备的天线位于地下,然后在空间被占用时被金属车辆覆盖。无线路径多样性至关重要,因为不同的车辆位置会改变设备对之间的路径质量。Streetline在附近的路灯上安装高架中继器设备,以获得失速传感器的视线。这些中继器形成一个多跳网格,将所有占用数据收集到本地网络管理器,在那里它被聚合到一个可供客户和执法机构使用的全市数据库中。无线技术对于此应用至关重要,因为它很难将传感器连接到每个空间,而低功耗无线降低了电池更换的频率。
炼油厂过程控制:雪佛龙使用无线网络来监控石油开采和精炼设施。这些网络通常部署在恶劣的环境中(由于危险的温度、化学品或爆炸风险),在这些环境中,有线传感器无法运行导管。此外,无线功能还可以监控旋转结构和移动运营商。对于一次部署(图 6),无线网络安装在大型炼油设施周围的不同位置。为了将数据收集到集中控制中心,使用思科 IEEE 802.11a 无线网状网络作为每个 IEEE 802.15.4 网络管理器的回程连接。这允许低功耗传感器设备向其本地管理器报告,在那里数据被聚合并可靠地穿梭。此部署代表了两个标准之间的强大融合。
能源监控:保持警惕5为室内环境(如环境控制至关重要的数据中心)提供智能能源管理系统。由于数据中心任何位置的温度升高都可能导致设备故障,因此空调经常以全功率连续运行,从而浪费能源。设施管理人员不愿意危及其内部网络,因此 Vigilent 部署了不会干扰正常运行的无线设备。这些设施对安全性也很敏感,因此无线协议需要对所有数据包进行端到端加密,并在网络管理器上提供额外的安全性。数据中心的检测点通常很密集,Vigilent 已经成功地部署了多个重叠网络,以实现所需数量的传感器。
图5.LTC5800 粉尘永恒的框图
图6.用于炼油厂过程控制的网络架构
结论
基于 802.15.4 无线电的多通道时间同步网状网络解决了构建灵活、可靠、低功耗无线传感器网络所涉及的许多挑战。
更多信息可以来这里获取==>>电子技术应用-AET<<

