南芯科技推出国内首颗全国产供应链垂直集成工艺高边开关
2025-08-05
来源:IT之家
8 月 4 日消息,南芯科技今日发布第二代车规级高边开关(HSD)SC77450CQ,基于国内自主研发的垂直沟道 BCD 集成工艺和全国产化封测供应链,在 N 型衬底单晶圆上实现了 MOS 与控制器的融合。
南芯科技表示,SC77450CQ 打破了海外技术垄断,是国内首颗全国产供应链垂直集成工艺的高边开关产品。

注:高边开关是一种用于汽车及工业领域的功率开云棋牌官网在线客服设备,通过集成功率 MOSFET、逻辑驱动及保护功能,实现对马达、车灯、电机等负载的智能控制。
垂直沟道 BCD 集成工艺是一种单片晶圆级技术,在同一 N 型硅衬底上制造双极性晶体管 (Bipolar)、CMOS、DEMOS、LDMOS、VDMOS。合封工艺则是在封装阶段把功率器件、控制 IC 通过平铺或堆叠方式装入同一封装体,用引线完成电气连接,芯片之间保持物理独立。
集成工艺具有共衬底、短互连的特点,特别适合高边开关产品,但技术长期被海外厂商垄断;合封工艺则可以针对 MOS 管和控制器分别采用当前国产最成熟的工艺制程,电压等级可延展性更强。下图展示了集成工艺和合封工艺的原理图及关键特征对比。

▲ 工艺原理图及关键特征对比。左:集成工艺,右:合封工艺
针对智能高边开关产品,南芯科技基于双轨工艺演进路线,目前已推出 30 余款不同封装形式的高性能产品,并设立专门的工艺团队,与国内晶圆厂深度合作,落地第二代集成工艺高边开关。第三代南芯自研 COT 工艺平台也已启动开发,目标用于车规级产品等高端市场。

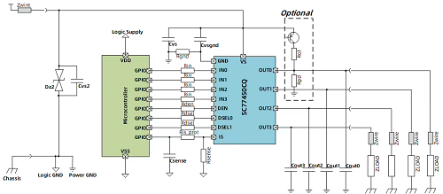
SC77450CQ 采用垂直 BCD 集成工艺平台设计,是一款四通道智能高边开关,导通电阻低至 50mΩ,可实现 4V-28V 宽压供电、40V 抛负载耐压及 0.5μA 待机电流。该产品可实现高精度电流检测,2A 时电流检测精度达 ±4%;采用带散热焊盘的 eSSOP-14 封装,引脚兼容国际竞品。

▲ SC77450CQ 引脚图
SC77450CQ 集成了保护机制和精确的诊断功能,包括过流和对地短路自关断、相对过热保护和绝对过热保护、智能锁止功能、负电压钳位、关断状态开路和对电池短路检测、掉地与掉电保护、过压与欠压保护,可多路复用模拟信号输出,实时按比例反馈各通道负载电流。

▲ SC77450CQ 典型应用图

