适用于高功率密度车载充电器的紧凑型SiC模块
2025-09-02
作者:ROHM半导体(ROHM Semiconductor)应用营销经理 Imane Fouaide和应用工程高级经理 Christian Felgemacher
来源:罗姆
引言
要实现零碳社会的目标,交通工具的电动化至关重要。更轻、更高效的电子元器件在这一进程中发挥着重要作用。车载充电器(OBC)便是其中一例。紧凑型传递模塑功率模块如何满足当前车载充电器(OBC)的需求?
正文
电动交通领域的发展日新月异:为提高车辆的自主性和续航里程,电驱动力总成系统变得越来越高效和紧凑。车载充电器(OBC)作为这一发展进程中的关键组成部分,必须在保持高效效率的同时,尽可能小型轻量化。这一技术挑战还必须确保成本控制在限定范围内。
OBC用于交流充电,需要由电网(充电桩)提供单相或三相电压。单相充电功率范围为3.6kW~7.5kW,而三相充电功率则支持11kW~22kW。目前,为兼顾成本和效率,市场上的主流OBC产品以中等功率范围(11kW)为主。22kW的OBC则主要用于高端市场。然而,所有OBC必须支持单相充电,以便在功率受限的情况下仍可为车辆充电。为实现车辆到电网(V2G)和车辆到车辆(V2V)的充电解决方案,越来越需要OBC具备双向充电功能。
迄今为止,传统OBC的设计主要采用市场上的标准分立器件(THD或SMD封装)进行。尤其对于SMD器件而言,由于需要通过PCB散热或使用合适的热界面材料将每个独立封装精密地固定在散热器上进行散热,因此存在诸多挑战。这种方案在功率密度提升和系统紧凑性方面已接近极限,而功率模块在新一代产品中则展现出显著的优势。
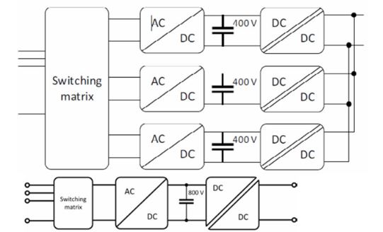
图1:OBC的模块化(顶部)架构和集中式(底部)架构
架构与拓扑
OBC架构主要有两种(图1):一种是基于三个相同单相模块的模块化架构;另一种是基于一个三相AC/DC转换器(该转换器也支持单相运行)的集中式架构。这两种架构均可通过单向和双向拓扑实现。
模块化架构需要更多元器件,从而导致直流链路整体上对储能容量要求提高,进而推高体积和成本。另外,模块化架构还需要额外配置栅极驱动器和电压、电流检测功能。相比之下,集中式架构所需的元器件更少,因此可实现更具成本效益的OBC,这使其已成为高功率密度OBC的首选架构。
SiC模块可实现更高效率和功率密度
SiC凭借其卓越的特性,成为非常适用于OBC的功率开云棋牌官网在线客服材料。ROHM的第4代SiC MOSFET采用沟槽结构,实现了超低导通电阻。另外,其非常低的米勒电容可实现超快的开关速度,从而可降低开关损耗。这些特性使得其总损耗更低,进而可减少散热设计负担。
ROHM已推出专为OBC应用进行了优化的新产品——HSDIP20模块,进一步扩展了EcoSiC™系列的SiC MOSFET产品阵容。该系列模块在全桥电路中集成了4个或6个SiC MOSFET,与采用相同芯片技术的分立器件相比具有诸多优势。
该系列模块采用氮化铝(AlN)陶瓷将散热焊盘与MOSFET的漏极隔离。这使得其结壳热阻(Rth)非常低,从而无需使用热界面材料(TIM)对散热焊盘与散热器之间进行电气隔离。
得益于模具材料的应用,功率模块中的各芯片之间实现了电气隔离。这意味着芯片可以比分立器件方案布置得更加紧密(在分立器件方案中则必须考虑PCB上的爬电距离)。这种设计减小了PCB占用面积,同时提升了OBC解决方案的功率密度。
工作量更少,风险更低
除了技术优势外,内部隔离功能还可大大简化开发人员的工作:模块内部已内置电气隔离功能。而对于采用分立器件的解决方案,则需要在外部处理隔离问题。模块在交付前已由ROHM进行了相关测试,因此在OBC开发阶段无需再进行额外的电气隔离测试。可见,该系列模块不仅可缩短开发周期并降低开发成本,同时还能降低出现绝缘问题的风险。
图2:在800V直流链路电压下,HSDIP模块在不同温度下的开通和关断损耗
HSDIP20模块还具有第4代SiC MOSFET带来的附加优势:其0V关断电压可降低PCB布局的复杂性和成本。如图2所示,在800V直流链路电压下,采用第4代SiC MOSFET的HSDIP模块在不同温度条件下均表现出较低的开关损耗。
图3:基于第4代SiC MOSFET的HSDIP20功率模块产品阵容
HSDIP20模块的另一个优势在于其可扩展性。ROHM提供丰富的RDS(on)规格和拓扑结构选择,使该系列模块可适用于不同功率范围的OBC应用。目前可提供六款4合1拓扑模块和六款6合1拓扑模块。另外,ROHM还推出一款采用Six-pack拓扑结构的“混合型”模块,该模块通过组合不同RDS(on)的MOSFET,为图腾柱PFC电路提供低成本解决方案,并可使用同一器件轻松实现单相和三相运行。各种拓扑结构的模块均采用相同封装形式,应用扩展非常便捷。所有功率模块均符合AQG324标准。
热特性与开关特性
为了验证HSDIP模块的优势,研发人员对器件进行了特性仿真和测试。在模块的热性能演示中,采用的是配备36mΩ、1200V SiC MOSFET的Six-pack模块。仿真基于安装在液冷板上的单个模块进行,设定条件为单芯片损耗在25W至35W之间,Ta=Tw=60°C,TIM厚度为20μm,热导率为4.1W/mK。通过同时给芯片施加功率进行仿真,并根据仿真结果绘制出各器件的耗散功率与结温之间的关系曲线图(图4)。
图4:HSDIP模块热性能仿真结果
通过优化内部结构,该系列功率模块实现了非常低的单芯片热阻,在热性能方面具有显著优势。其最高结温远低于SiC MOSFET允许的175°C限值,从而为提升功率密度创造了更大空间,可满足大功率OBC的严苛需求。
在模拟OBC应用中AC/DC变换级的测试板上,评估了采用36mW、1200V SiC MOSFET的6合1模块的开关损耗特性。图2中已给出通过该测试获得的开关损耗结果。通过对该模块进行双脉冲测试评估得到的开关损耗结果,同样适用于本文所探讨的双向DC/AC变换级的情况。基于该数据,对11kW系统的双向DC/AC变换级进行仿真(图5)。仿真结果表明,基于采用第4代SiC MOSFET(36mΩ,1200V)的6合1模块构建的11 kW AC/DC变换级,在开关频率为48 kHz并使用强制风冷散热器的条件下,效率可达约99%(该效率值仅考虑了开云棋牌官网在线客服损耗)。
图5:HSDIP模块在OBC中双向AC/DC级的效率仿真
结论
在电动和混合动力汽车的OBC中,由4个或6个SiC MOSFET构成的模块,相较于分立器件方案具有显著优势。凭借其更高的功率密度,这种模块能够减小OBC的体积和重量,并降低设计的复杂性。ROHM的HSDIP20模块集成了最新的EcoSiC™ MOSFET,仿真结果表明,将其应用在双向OBC的AC/DC变换级时,该系列模块不仅展现出优异的热特性,更能实现约99%的效率。
EcoSiC™是ROHM Co., Ltd.的商标或注册商标。
参考文献
[1] M. Jankovic, C. Felgemacher, K. Lenz, A. Mashaly and A. Charkaoui,《车载充电器成本与效率考量》[J]。2022年第24届欧洲电力电子与应用会议(EPE'22 ECCE Europe),德国汉诺威,2022:P.1-P.9。
更多精彩内容欢迎点击==>>电子技术应用-AET<<

