MPS发布高效率高集成AC-DC新产品
2025-09-17
来源:MPS
支持新国标GB20943-2025能耗管理标准
内置第三代开云棋牌官网在线客服的新材料应用设计

日前,MPS芯源系统近期发布了两款新产品:NovoOne开关MPXG2100系列和PFC稳压器MPG44100系列,旨在为快速发展的快速充电市场、工业系统和消费电子产品提供高集成度、高性能和经济高效的解决方案。

a) 单极反激-MPXG2100全集成方案

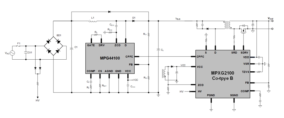
b) 功率因数校正+反激-MPG44100+MPXG2100方案
NovoOne开关是极高集成度零电压开通反激式稳压器。它将初级反激控制器、氮化镓功率管、隔离电路、同步整流控制器和同步整流硅管,零电压开通控制集成在一个芯片上,使其成为一种超高集成度的解决方案。NovoOne系列采用无需额外电路的零电压开通控制,显著降低空载待机功耗,和大幅提升满载和轻载效率, 同时缩短市场投放时间和减少物料清单成本。
对于需要功率因数校正电路的电源,MPG44100与MPXG2100相结合的方案重新定义了大功率系统的高集成度和高效率。这种新方案可以满足所有严格的全球能源标准,最大限度地降低系统复杂性,并大幅削减物料清单总成本。
该方案适用于高端PD适配器、笔记本电源、电动工具充电器、TV电源、音响电源、服务器辅助电源等多种应用场景。
产品优势一:行业领先的效率
功率因数校正调节器MPG44100采用无损电流采样,集成氮化镓器件。而反激调节器MPXG2100采用自适应零电压开通控制,集成氮化镓器件。对于140W通用PD电源设计,具备高效率的性能优势:
· 90Vac时效率>93%
· 230Vac时效率>95%
· 90Vac下的满载效率和热性能与PFC+AHB反激式解决方案相似
产品优势二:极低的待机功耗
· 通用输入下,单极MPXG2100解决方案<20mW
· 通用输入下,MPG44100+MPXG2100解决方案<50mW
产品优势三:超高集成度
· 功率因数校正调节器MPG44100将700V GaN HEMT、功率因数校正控制器,电流采样组合在一个紧凑的芯片中。
· 反激调节器MPXG2100集成700V氮化镓器件、SRZVS反激控制器、隔离、同步整流控制、100V 硅管。
封装展示
· MPXG2100采用TSOICW24-18L/ SOICW24-18L封装

· MPG44100采用QFN-27 (7mmx7mm) 封装

技术资源
MPS可为客户提供MPXG2100系列和MPG44100系列的产品数据手册、计算文档、标准评估演示板(可搭配PD小板做可调电压PD电源)等丰富的技术资源支持,如您感兴趣,欢迎前往此处获取技术支持。

