在高频PWM开关变换器中,为保证功率MOSFET在高频、高压、大电流下工作,要设计可靠的栅极驱动电路。一个性能良好的驱动电路要求触发脉冲应具有足够快的上升和下降速度,脉冲前后沿要陡峭;驱动源的内阻要足够小、电流要足够大,以提高功率MOSFET的开关速度;为了使功率MOSFET可靠触发导通,栅极驱动电压应高于器件的开启电压;为防止误导通,在功率MOSFET截止时最好能提供负的栅-源电压。而对于软开关变换器,在设计驱动电路时,还需考虑主开关与辅助开关驱动信号之间的相位关系。本文以升压ZVT-PWM变换器为例,用集成芯片MC34152和CMOS逻辑器件设计了一种可满足以上要求的软开关变换器驱动电路。
MC34152
MC34152是一款单片双MOSFET高速集成驱动器,具有完全适用于驱动功率MOSFET的两个大电流输出通道,且具有低输入电流,可与CMOS和LSTTL逻辑电路相容。
MC34152的每一通道包括逻辑输入级和功率输出级两部分。输入级由具有最大带宽的逻辑电路施密特触发器组成,并利用二极管实现双向输入限幅保护。输出级被设计成图腾柱 (totem pole)电路结构形式。基准电压为5.7V的比较器与施密特触发器输出电平的逻辑判定决定了与非门的输出状态(同相或反相输出),进而决定了两个同型输出功率管的“推”或“挽”工作状态。这种结构使该芯片具有强大的驱动能力及低的输出阻抗,其输出和吸收电流的能力可达1.5A,在1.0A时的标准通态电阻为2.4W,可对大容性负载快速充放电;对于1000pF负载,输出上升和下降时间仅为15ns,逻辑输入到驱动输出的传输延迟(上升沿或下降沿)仅为55ns,因而可高速驱动功率MOSFET。每个输出级还含有接到VCC的一个内置二极管,用于箝制正电压瞬态变化,而输出端要接100KW降压电阻,用于保证当VCC低于1.4V时,保持MOSFET栅极处于低电位。
软开关变换器驱动电路设计
升压ZVT-PWM变换器是一种零电压转换软开关变换器,其结构如图1所示,由主电路和控制系统两部分组成。在主电路中,S为主开关,S1为辅助开关,控制系统包括PWM信号产生电路及驱动电路。

图1 ZVT-PWM变换器结构框图
指标要求
变换器:开关频率fS=100KHz;输入电压Vi=12V;输出电压Vo=48V;输出功率Po=100W。
驱动电路:输出峰值电流Iom5V;驱动脉冲上升时间tr和下降时间tf均

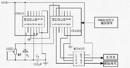
图2 ZVT-PWM变换器驱动电路
从图2可见,由PWM控制芯片输出的脉冲调制波经CD4069反相整形后送至MC34152输入端(引脚2),由7引脚输出,作为主开关的驱动信号。与此同时,从PWM控制芯片输出的脉冲调制波经CD4069另一反相器整形后,输入到CD4013的CLK端(3引脚)作为时钟信号。信号上升沿触发,使Q端(1引脚)输出高电平,经过可变电阻RP对电容C9充电。当充电电压达到VCC/2时,复位端起作用,使D触发器复位,Q端电位变成低电平,电容C9经过二极管D2迅速放电至零,准备进入下一个周期。因此,经单稳态电路,从CD4013的Q端输出的脉冲信号经CD4069再一次反相整形后送至MC34152的另一输入端(4引脚),由5引脚输出,作为辅助开关的驱动信号。因为单稳态电路RC网络(由RP和C9组成)的时间常数为RP·C9,通过调节可变电阻RP的大小,即可改变输出脉冲的宽度,从而解决了辅助开关与主开关之间的相位关系,即延时问题,保证了主开关在恰当时刻开通和关断,实现最佳的软开关效果。同时,由于采用了高速集成驱动器件MC34152,提高了整个控制系统的品质。
参数计算
在ZVT-PWM变换器中,为了实现软开关转换,在 S将要开通之前先开通S1,以激发辅助电感Lr和辅助电容Cr产生谐振,为S创造零电压开通条件。可见,两开关的驱动信号之间须保持一定的相位关系,其延迟时间TD应满足下式关系:
(1)
在主开关完成零电压开通后,为了不影响主开关的工作,辅助开关的工作时间不能太长,一般选择为开关周期TS的1/10,结合式(1)可得:
(2)
而对于单稳态电路,在充电期间,电路方程为:
![]()
设 VC(0)=0
∴
设充电时间为τ,则:
![]()
∴ τ=-RCln0.5≈0.69RC (3)
考虑到延迟时间为TD=1/10,而充电时间即为所需的延迟时间,则
![]()
取C(C9)=150pF,由式(3)可得:
![]()
取R(RP)为10KW"50KW的可调电阻。通过调节R(RP)可以满足式(1)对TD的要求。
二极管D2可选用普通二极管IN4148。
由于驱动电路核心部分MC34152为集成组件,外围电路元件仅有RP、C9及D2,因此,只需设计这三个元件参数即可。主电路的辅助电感Lr和辅助电容Cr应结合式(2)去考虑。
仿真与实验结果
根据图2电路,笔者进行了仿真与实验,其结果分别如图3(a)、(b)所示。图中上、下方分别是主、辅助开关栅极的驱动信号波形,脉冲的前后沿陡峭,其上升和下降时间以及传输延迟均达到指标要求。

(a)仿真波形

(b)实验波形
图3 ZVT-PWM变换器驱动电路信号波形图
值得指出的是,根据主、辅开关对相位关系的不同要求,只需调整相应延时电路的有关参数,图2所示的驱动电路结构同样适用于其它类型的软开关变换器。
