引言
目前在各种电气设备中应用的各式各样的开关电源,大多数都采用间接式DC/DC 变换电路。它具有隔离性能好,便于提供多路输出直流电源等优点。间接式DCPDC 变换电路通常又分为单端电路和双端电路。一般小容量的开关电源多采用单端正激式或单端反激式DC/DC 变换电路,其高频变压器铁芯中的磁通是单方向脉动的。单端间接式直流变换电路所存在的主要缺点是高频变压器铁芯中的磁通只工作在磁化曲线的第1 象限,一方面使铁芯不能得到充分利用,另一方面总需要解决磁通复位的问题。相比之下,双端间接式DC/DC 变换电路比较适用于中大容量的开关电源,其高频变压器铁芯的工作磁通在磁化曲线的第1、3 象限之间对称地交变,铁芯的利用率较高,也不必担心磁通的复位问题。而且对应于正负半周都可以向输出传递能量,加之高频变压器铁芯的磁通变化线性范围宽,有利于减小变压器的绕组匝数和铁芯体积,提高开关电源的功率密度和工作效率。因此研究开发完善、可靠的双正激DC/DC 变换拓扑方案一直为国内外有关研究和工程技术人员所关注。
基于上述考虑,我们在科研实践中,提出了一种新型双端正激式DC/DC 变换器的半桥拓扑方案,特别适合于整流器、逆变器等具有高压直流环节的电力电子系统,利用其现成的高压直流环节,为系统的控制、驱动和检测保护提供多路直流电源。与以往的双端正激式拓扑结构相比较,其特点是可以有效地避免上下两桥臂在高频PWM 开关过程中易于出现的直通短路问题,使开关电源的可靠性大为提高,而且其输入电压可以很高,输出直流电源容量大、组数多,尤其适用于中大功率电力电子系统。目前在国内外尚无有关同类拓扑的文献报道。
鉴于所有半桥拓扑结构的双端正激DC/DC 变换器,在直流输入电压高、高频变压器变比大的情况下,都存在磁通维持续流阶段的不理想方面,本文提出了一种独特的磁通维持续流控制方法。同时,为了解决开关电源的自启动问题,还给出了一种自举电路控制方案。
新型拓扑结构及工作原理
主电路采用了如图1 所示的拓扑结构。图中变压器原边采用半桥式双正激电路,主电路可直接利用高压直流环节供电。两原边绕组L1、L2 上下对称,极性相反,共用同一铁芯。这种结构可以有效地避免在高频PWM 开关作用下,由于MOS 管关断不及时所可能出现的上下桥臂直通现象。

图中右上回路代表着一系列带有中间抽头的副边绕组及高频整流滤波环节。它对副绕组两端产生的正2零2负三电平交变高频脉冲电压,通过两只快恢复二极管实现全波整流,然后进行L-C 滤波或直接电容滤波后稳压输出。另外,为了稳定输出电压和提高抗干扰能力,电路中还选择了其中一组副边为SG3525 芯片的PWM控制提供反馈电压。
以下将每个开关周期分为三个阶段来分析整个主电路部分的工作原理。首先要假设变压器原边电流的正方向是流入绕组同名端的。主电路中开关管M1 、M2 占空比变化范围是0~50 % ,且轮流导通。
1) 开关管M1 导通时,电容C1 的正向电压加在原边绕组L1 上。在此电压的激励下, 根据u =Ld i/d t , 可推导出
![]()
式中U=Ud/2,即输入侧直流电压的一半,L 为高频变压器的等效励磁电感。在电路工作达到稳态后,每周期开关管M1 刚导通时对应的励磁电流初始值I0 应为负值,并且励磁电流以斜率UPL (常值) 从负到正线性增加(这里要注意的是:流经L1 的电流是由其励磁电流和总负载电流合成的,因而L1 中电流的大小还取决于负载的轻重) ,同时各副边绕组两端感应生成正向电压脉冲。
2) 开关管M2 导通的情况与M1 类似,由于电容C2 端电压U = Ud/2 ,相对于L2 的同名端而言为反极性作用,其励磁电流的初始值I0 为正值,故此期间励磁电流是以斜率UPL 从正到负反向线性增加的,因而各副边绕组两端生成负极性电压脉冲。
3) 当M1 、M2 都不导通时,需要主磁通励磁电流保持在最大值I0 不变,使各绕组磁通维持常值,根据法拉第电磁感应定律u = - dψ/d t ,主电路原边绕组及各副边绕组的端电压在此期间内均保持为零,从而使变压器副边电压为三电平PWM 脉冲波形,进而保证输出直流电压具有可控性。
从上面的分析我们不难看出主电路高频变压器的励磁磁势是依照规律线性增加(从负到正) ==维持恒定(在励磁续流回路中)==线性减小(从正到负)而变化的,使得主磁通在第1、3 象限内对称交变,满足双端正激式控制的要求。
按照本拓扑结构的上述工作原理,为了实现输出直流电压的可控调节,应该做到两个方面,其一是主电路中开关管M1 、M2 的PWM 占空比都能在0~50 %范围内连续变化;其二,在每个开关周期当中,除两只开关管按一定的PWM 占空比轮流导通的时间之外,还有一段时间二者均不导通,此期间需要保持励磁电流不变,使得输出感应电压为零。此外,为了使高频变压器铁芯的主磁通在第1、3 象限内的对称交变有更宽的变化范围,从而有利于减少绕组匝数,充分利用铁芯和减小变压器体积,应设法使励磁磁势在两开关管均不导通期间维持在正向或负向最大值不变。这就要求在L1 和L2 两原边绕组均不导通的情况下,由其它副边绕组提供励磁续流磁势,然而通过计算机仿真和实验研究的结果都表明,在直流侧电压较高而变压器原、副边变比较大的情况下,仅仅依靠类似于L4 所在的副边整流回路提供励磁续流,其波形是很差的,远不能达到理想的三电平PWM控制效果。
正是针对这一问题,本方案专门设计提出了一种励磁续流回路如图1 中右侧L3 所在的回路所示。回路中MOS 管M7 、M8 均带有反并联二极管。在主电路半桥的上下两管都不导通的时候,通过同时开通这两只开关管,来维持主磁通的励磁磁势及励磁电流的连续性,由于该回路电阻很小,励磁电流近似维持不变。
PWM控制信号产生电路
主电路的PWM 控制信号是由SG3525 产生出来的。由于3525 的控制简单且相关资料很多,在此我们就不详细给出其周边电路了。SG3525 根据变压器副边反馈的电压信号Vfd 调整输出PWM 控制信号的占空比,如图2 所示。由于主电路采用双端正激式结构,门极驱动信号也需要隔离,因此SG3525 输出端接于变压器T2 原边两端,两个副边分别以相反的极性来驱动开关管门极。至于励磁续流回路中的两个开关管的门极控制信号的控制逻辑,可以采用SG3525的两个输出信号的“或非”得到,从而保证在OUTA 、OUTB 有一个为高电平时,G3、G4 就都输出低电平。只有当两个输出均为低电平时,G3、G4 才为高电平,进而驱动励磁续流回路开通。

自举电路分析
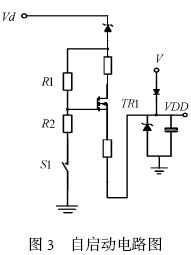
作为实际能够应用的产品,必须要做到能够自启动,即自举。要利用上电时的输入直流高压,来得到能够提供给控制芯片的初始电源,在主电路变压器真正开始工作后,在某个副边会产生一定的电压,再利用此电压经过一定的处理作为工作电压提供给控制芯片,这样整个电路就可以正常工作了。
在许多开关电源的方案中,或者根本没有提出自启动的解决方案,或者采用的是直接利用大电阻将主电路直流侧高电压分压得到,在整个电源工作时期内,它都要提供电压,消耗许多能量,从而使得系统的效率大大降低。本方案提出一种有效的解决办法,如图3 所示,在上电初期,初始回路等效电阻较小,一旦工作电压建立起来,初始回路等效电阻变为很大,而且也不必为控制电路提供电源,因而提高了系统的效率。图3 中Vd 为主电路输入侧直流电压,V 为由某次级线圈提供的输出直流电压,R1 阻值很大,R2 相对R1 要小得多。刚上电时,V 为零,开关S1 断开。因此MOS 管TR1 导通。经过稳压管稳压后给作控制芯片的初始电源。一旦副边电压建立起来后,S1 闭合,进而拉低TR1 的栅极电压,使其关断。需要注意的是,R2 可以取得很小;同时,支路的电阻R1 由于场效应管栅极电流极小的缘故,阻值可以取得很大。这一点避免了传统的方案中电阻必须较小以提供足够大的电流的缺点,从而提高了工作效率。

仿真及实验波形分析
仿真波形
基于上面的电路原理分析,有助于理解以下给出的计算机仿真结果。
本方案的可行性研究是通过Pspice810 软件仿真来完成的。它的强大功能很适用于电力电子电路的原理及性能分析。仿真采用Pspice 内置的元器件: 主电路的MOS 管采用IRFD150 ,高频变压器的模型由电感元件L 和耦合系数元件K构造而成。MOS 管的开关频率为40kHz ,仿真时间为10ms。选取暂态仿真即得到如图4 所示几组波形,它可更充分完整地说明前面分析的原理。

以下将分析各波形的产生原理及相互联系。鉴于主电路变压器原边上下桥臂工作情况类似,只需观察上桥臂的工作情况就可以较清楚地了解整个电路的工作原理。图4 (a) 展示的是加在主MOS 管M1门极的PWM控制芯片产生的波形(为了简化仿真,它只是逻辑电平。门极实际的电平变化请参照本文实际测量波形) ;而加在M2 的门极信号与之类似,只是从时间上交错开。
图(c) 是原边绕组L1 两端电压: 当主MOS 管M1 导通时,使原边线圈两端作用以U = Ud/2 的正向电压;当M2 导通时,由于L1、L2 紧耦合且极性相反,则L1 两端为负电压;当M1 、M2 都关断时,L1 两端电压为零。
图(b) 是流过绕组L1 的电流波形:从中也不难看出在主开关管M1 导通时为一条线性增加的直线,由于它还包含了负载电流成分,因而此直线并不是正负对称,而是向上平移了;在M1 关断时,L1 不流过电流。图(d) 所示的是与图(b) 相关的励磁续流回路的电流波形:在M1 或M2 开通时,励磁电流由原边提供,此时该续流回路电流为零;当M1 、M2 都关断时,励磁电流通过续流回路作用维持恒定的正值或负值,以维持磁通近似恒定。通过这两个波形,进一步证实了在前面原理分析中对励磁电流变化规律的总结。
图(e) 是励磁电流续流回路的MOS 管M7 的门极信号(M8 的与之相同) 。为了保证该回路能够在M1 、M2 关断时开通,两门极信号之间采用了“或非”的逻辑关系。具体的电路结构可参照PWM 控制产生部分。
图(f) 就是所关心的变压器某一副边绕组的波形:从图中可看出,它只在M1 导通时才出现正电平或M2 导通时出现负电平,而在两管均不通时,电压为零;也就是说,可以通过改变主电路MOS 管门极信号的占空比来达到控制输出电压的目的。这都是在励磁续流回路的作用下才得以实现的,否则在M1 、M2 关断期间,副边也会产生很高的电压,这便失去了输出电压的可控性。
实验波形
在分析实验波形之前,应该注意的是由于变压器总会存在一些漏感,因此实际的波形与仿真得到的有一些细微差别,这是很正常的。
在图5 (a) 中,上侧波形就是前面提到的主电路上桥臂MOS 管实际的门极信号,它是由SG3525 的OUTA、OUTB 合成的,下桥臂MOS 管门极信号电平与其相反;图5 (a) 下侧波形是由OUTA、OUTB“或非”得到的励磁续流回路MOS 管的门极信号,从图中可以很好地看到两者的对应关系。
在图5(b)中,下侧波形就是其中励磁续流回路的MOS 管门极控制电压信号;上侧波形为变压器某副边绕组的电压波形,可见只有在主电路MOS 管开通时,副边绕组两端才有正向或负向电压;而当M1、M2 均不导通时,绕组两端电压为零(由于漏感影响,有一些振荡) ,依此可以达到通过改变占空比调压的目的。实际波形与仿真波形基本吻合,表明实验取得了期望的结果。

结语
在科研实践中,提出了一种新型的双端正激式DC/DC 变换器拓扑方案。它除具有铁芯利用率高,正负半周均可传递能量等优点外,还可有效地避免上下桥臂直通短路问题。本文分析了其所构成的开关电源主电路及控制、自启动等回路的结构原理,同时还提出一种新型励磁磁势维持续流控制方法,有效地解决了其它方案的磁通维持阶段波形变差的问题,特别适合于直流输入电压高,高频变压器变比大的情况,具有较高的实用价值。
