VGA旌接RCA接口转换器
摘要: 常常碰到需要把只有同轴RCA输入端插座的大屏幕彩电连接到电脑等设备的VGA接口作显示器使用.解决办法是配置接口转换器.图中电路起了两种不同接口间的转换桥梁作用。
Abstract:
Key words :
常常碰到需要把只有同轴RCA输入端插座的大屏幕彩电连接到电脑等设备的VGA" target="_blank">VGA接口作显示器使用.解决办法是配置接口转换器" target="_blank">转换器.图中电路起了两种不同接口间的转换桥梁作用。
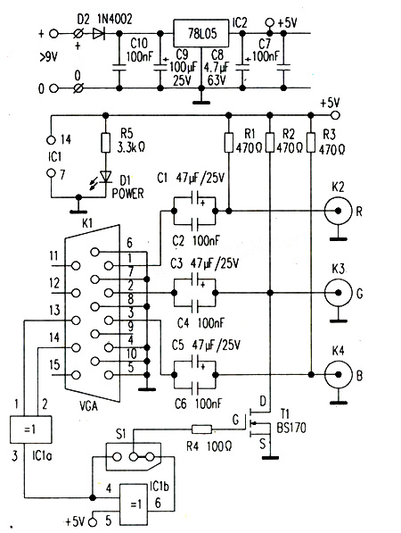
图中VGA接口输出R、B、G三基色信号分别经C1C2、C3C4、C5C6电路组耦合到RCA输出端口,同时耦合电容隔断了来自视频卡的直流成分。ICa、ICb异或门(74HC86)将行、场同步分离信号合成复合同步信号,输出到由S1双向拨动开关和场效应管T1组成的DOS与Wincdow操作系统的同步信号相位转换电路。由于复合同步信号与绿基色信号在同一通道上,会引起显示屏亮度过强.因此可以稍减少R2的阻值以降低亮度,另外适当调整R1、R3的阻值,使三基色平衡。但注意不要使视频卡超载引起过热。电源稳压器IC2的输入电压不能低于9V。以保证转换器能保持有恒定的5V工作电压和30mA工作电流。D2是直流电源极性反向保护二极管。
电路板装入金属外壳接地的屏蔽盒内,以防外电磁场干扰。

此内容为AET网站原创,未经授权禁止转载。
