在现在化的便携式产品设计中,一方面我们需要更强的电源来应对产品更新带来的大电流需求,另一方面,工程师们还得注意满足其较高的便携性要求。这要求设计师们既要注意产品电源通路上的转换效率,设计出非常合理的电源管理系统和负载管理系统,同时又要注意到长久的电池运行时间、与多种电源的兼容性、高功率密度、小外形尺寸和有效的热管理等。
Intersil作为业界的低功耗的领军厂家,尤其是在电源管理的低功耗处理上,推出了一系列性能优越的产品,从产品功耗,封装大小,转换效率,芯片热阻,保护电路,EMI/EMC性能,输出电压电流噪声,外部补偿等各方面为用户的便携产品设计提供新思路。
DC/DC
Intersil推出的DC/DC ISL8012内部集成MOSFET,并具有欠压,过压和过温保护功能,同时也具有硬件关断和启动功能,其输入电压最高可达13V,输出电压可到17V,输出电流为600mA,开关频率最高750KHz可调节,在一些较低的频率(200kHz)应用中转换效率可达92%以上,而其关断电流可达到<0.1uA。非常适合一些3.3v到15v电压转换场合,比如OLED,电源应用,TF-LCD应用等,而其极小的封装形式3mm x 4.9mm x 1.1mm和静态电流<0.1uA,也很适合一些应用在便携式产品设计中。
Intersil另一款高性能DC/DC ISL8502/ SL8560可通过编程切换频率和外部同步显著降低噪声和 EMI滤波需求。它具有500kHz至1.2MHz可调的切换频率范围确保了高效性和较小数目的外部元件。采用耐热增强性封装设计,其外部补偿也大大提高了设计的灵活性,广泛应用于信息集抄,机顶盒,ADSL调制解调器,交换机,路由器,POS机等高EMI要求的场合的电源管理中.
在一些大电流的应用中,可以推荐使用EL7566,最大可以输出6A,同时内部有过温保护,到135度自动关断。其标称输出电压精度可达5%,转换效率可达96%,高达1MHz的可调的开关频率并且整个转换器也仅仅占用不到0.58in2的空间,其工作在固定频率PWM模式下,还可以实现外部同步。EL7554还提供了软启动和启动控制,消除了浪涌电流,可以使用户方便地使用不同配置对多路转换器的启动进行控制。主要应用于端点电源、DSP和CPU内核及IO电源、逻辑电源,以及各种不同类型的便携式设备中。
LDO
低功耗LDO ISL9003A具有出色的电源抑制率,可以实现高稳定性,低噪声, 低静态电流与纹波抑制和高集成度设计,特别适于便携式产品或者手机等应用,其静态电流为30μA,关断电流关断电流是0.5Μa,连续输出电流为150mA,可以对大电流阶越做出快速的瞬态响应,具有出色的负载调节能力,在PDA、手机和智能电话便携式仪器仪表、MP3播放器手持式器件,包括手持式医疗器件中应用可大大提高产品性能。
ISL9011和ISL9012是高性能双路LDOs,通道1可提供150mA的电流,通道2可提供300mA的电流。这些器件有很低的维持电流且比较稳定,输出电容为1µF到10µF,ESR达到200mOhms。在低纹波,高PSRR应用中,基准旁路脚允许接一个外部电容以调节噪声滤波器。
低噪声LDO ICL7663S可达到1%的输出精度,并且可通过温度系数来调节输出精度,达到更好的性能,同时只有10uA的静态电流,内部过流过温保护电路,很适合应用于高精度的产品场合,比如一些手持设备,寻呼机,电池管理系统,LCD显示模块的等应用中。
低功耗应用
在低功耗应用中,设计者需考虑的不仅仅是省电,同时包括降低散热成本,减小辐射干扰和热噪声干扰,增加产品使用寿命等等。而低功耗设计中电源的低功耗设计是最尤为重要的,它几乎决定了整个产品低功耗设计的成败。因此,在我们选择电源管理中的工作模式同时,也要考虑不同方案中芯片的性能,比如输入输出电压,输出功率,体积,转换效率等,还包括保护功能,热阻,信噪比,纹波,工作频率,外部电路等等。
Intersil在低功耗领域推出了很多的产品,基本上大部分产品可以应用于低功耗设计中,随着项目需求不一样,用户可以在众多的产品中选择最合适的型号,比如低功耗LDO ISL90XX系列,静态电流10uA,关断电流<0.1Ua;低功耗运放产品EL2125,SL28288,极低电压和电流噪声,220uV的反偏电压,10mA的工作电流,Vos在10uV之内,最高带宽17MHz;低功耗电压基准ISL60002,可以提供±1mV精度的电压基准,而其工作电流达到350nA,温度系数也只有20ppm/°C ,非常适合于高精度AD/D/A转换,PDA,精密医疗仪器等应用;其他低功耗产品如数字电位器ISL22316,ISL22323,X95820等,也广泛应用于低功耗设计中。
下面介绍一个以Microchip MCU与Intersil的模拟器件为主的血氧仪的低功耗设计方案。
血氧仪用来测量血氧饱和度的电子设备,血氧饱和度是血液中被氧结合的氧合血经蛋白(HbO2)的容量占全部可结合的血红蛋白(Hb)容量的百分比,即血液中血氧的浓度,它是用于表征呼吸循环的重要生理参数,正常人体动脉血氧饱和度为98%。本方案采用光电传感器测量,利用人体的血红蛋白对660nm的红光和940nm的近红外光的吸收率不一样,测定通过手指(或耳垂等)光传导强度,再通过软件计算并得出血氧饱和度。
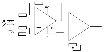
整个系统如图1所示,红光及红外光经过手指或耳垂,由光电池感应出电流,经ISL28413进行I/V转换放大,再送入MCP3425进行AD转换,MCU根据红光及红外光的AD转换结果计算得到血氧饱和度,并可顺便计算出脉膊,同由LCD显示出来。图2为I/V转换及信号放大的电路,光电池是电流型器件,这就需要将电流变化量转换成为电压变化量,以方便采集。

图1 系统框图

图2 I/V转换及放大
由于放电池感应的电流信号微弱,这就要求I/V转换的运放必须具备非常低的输入失调电流,ISL28413以其10pA的偏置电流、最低1.8V的工作电压、高性价比等特性使其非常适合电池供电系统。图中电位器选用Intersil的双256抽头的X95820,此路用于调节运放的增益,另一路用于后面的滤波电路。考虑到系统分辨率,这里选用一颗Microchip的16位Delta-Sigma的AD转换器。作为AD转换器的基准,ISL60002以业界最低工作电流350nA、20ppm/℃的温漂成为此系统的必备之选。整体模拟电路由一颗带EN功能的LDO供电,待机时模拟部分的电路被完全切断,这里选用一颗ISL9003A,提供高达93dB电源抑制比的同时具有非常低的输出噪声。
单片机采用Microchip刚推出的带有LCD驱动的PIC16F193x系列,它采用了最新的nanoWatt XLP技术,1.8V时典型待机电流仅为60nA。它在PIC16F91x基础上增加了14条指令,程序空间也增加到16K,别外还增加了2个带CCP功能的定时器、16通道的电容性触摸感应模块和一个5位分辨率的DAC。
结语
低功耗设计不仅仅看LDO DC/DC能提供输出的电压,电流和功率,还要考虑到器件的温升,开关频率,转换效率,等一些隐性参数,在满足负载功耗的同时,也要考虑到余量设计,芯片的保护功能也是设计者需要考虑的问题,通常内部过流,过压,过温保护可以减少外部电路和降低功耗,使产品达到更好的性能。INTERSIL的电源管理器件,通过不同的档次来满足设计者的不同需求,让设计者在达到上述设计要求的同时,可以选择更合理的价格的产品。
