O 引言
在许多实际生产过程中,常常要用到具有自动换向功能的控制部件,例如机械加工中的往返运行(位移),直流电源的正反向输出,电动机的正反转运行等现象,都是当正向(或反向)运行到一定时间或一定位置时,则自动换为反向(或正向)运行的周而复始的过程。实现这一过程的自动化,必须设计一套控制电路,再配以位移传感器或时间继电器。目前市场卜现有的时间继电器虽然可以用多个组合来满足一些使用场合的要求,但仍存在着重复计时误差大,稳定可靠运行性不高,使用不简便灵活等不足。为此,我们研发了以单片机为核心组成的时间/位移换向控制器SWHX—1,它具有成本低,精度高,运行稳定可靠等优点。
1 电路组成及工作原理
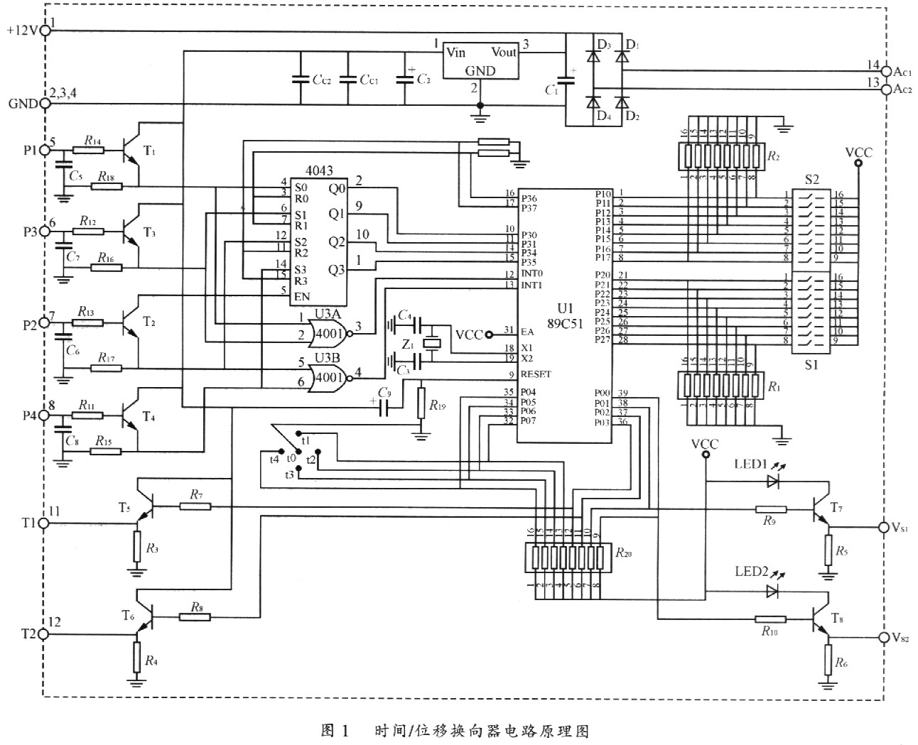
SWHX—l的内部电路如图l所示,分为输入输出电信号转换,CPU软件编程控制和定时延时设定3部分,共14条引出线,其中脚2、3、4为直流地线公共端VGND。该器件可交直流两种供电方式工作。当用交流供电时,通过脚13、14输入交流12V,经桥式整流、稳压后供给内部电路恒压基准电源,并将整流后的直流12V经脚1和VGND送出,以供外部其他电路用;当用直流供电时,脚1和脚2、3、4
则为输入端,输入的12V直流电经稳压后再供给内部电路,该方式可省去交流电源,但要注意将脚14、13应置于悬空状态。
SWHX-1内部电路设计有1路换向延时和2路定时输出功能,换向延时时间是指正向(或反向)输出组被关断后延时一段时间后才开通反向(或正)组工作的时间,用户可在0.5~2s之间任意设定;2路定时时间分别是指正向和反向组输出的工作时间,用户可在60s~7h31min之间任意设定。若60s~7h31min的定时时间不能满足使用要求时,另留有4个端口P1~P4,可外接4个时间继电器或4个行程开关以弥补。Pl和P3为正向组,P2和P4为反向组。
l.1 延时、定时时间设定
(1)延时时间设定法 图1中t0~t4为换向延时时间设定短接开关,t0为对地公共端,t1~t4分别与O.5s、ls、1.5s、2s相对应,二者短接时,通过CPU软件编程,则实现了相应的换向延时。例如tO与t1短接时,延时为0.5s,tO与t3短接时,延时为1.5s。
(2)定时时间设定法 图l中S1和S2为两个8位定时时间设定拨位开关,每个开关前三位为小时位,后5位为分钟位,采用二进制编码方式,当8位拨码选定后,通过CPU的P1和P2口送入,经软件编程控制,实现相应的定时功能。所以每路的定时时间可在60s~7h31min之间任意设定。

1.2 用作定时换向器的工作原理
当SWHX—l用作定时换向控制时,CPU首先读入拨位开关S的定时设定值,经软件编程识别并通过CPU内部定时器和软件延时实现,当定时时间到,则通过P0口经脚12和脚ll送出一个定时到脉冲,当脚12和脚11分别与脚5和脚7短接时,该定时到脉冲又向CPU产生一个中断请求信号,当CPU接收到这一中断清求后则通过引脚VS1端口输出一个封锁电位信号,以停止当前正在工作的一组,经0.5~2s的延时后,通过引脚VS2端口输出一个启动信号,启动另一组开始工作,完成一次换向工作周期。反之亦然,周而复始。
1.3 用作位移换向器的工作原理
当SWHX一1用做位移换向控制时,上述中的定时功能不起作用,而是将位移检测传感器(一般为行程开关)送来的“位移到”信号通过脚5和脚7端口向CPU发出中断请求,当CPU接到该中断请求信号以后,则完成上述换向工作过程。另外,脚6和脚8是用于位移限制的,因为在绝大多数实际生产过程中位移是有限制的,所以将限位传感器发出的信号经端口6、8送入,CPU接到该请求信号后,立即通过脚9和脚10发出限位封锁信号,停止位移工作。
2 软件设计
SWHX—l的软件程序分为初始化,定时识别及延时处理和中断换向处理3部分,程序流程如图2所示。

3 在周期换向电源中的应用
在许多生产过程中要用到周期性换向电源装置。这里仅以常见的电镀电源中的一种为例说明其使用方法。图3所示为三相双反里形双向6脉波周期换向电源的电路原理图实例。该电源采用两套品闸管可控整流电路,但在SWHX-1的控制下,在同一时间内只能有一套工作,另外一套被封锁截止,两套整流电路的工作时间通过图1中的S1和S2来分别设定。图3中的CF97088B是双反星形6脉波晶闸管触发专用器件,它除了产生6个同步触发脉冲外,内部还具有电流、电压双PI负反馈调节功能,并且还能自动识别输入三相电中的缺相、过电压保护,过电流限制等功能,当有这些现象发生时,则自动封锁触发脉冲的输出,起到保护和限制的目。W1和W3分别为正反向输出电压设定值调节旋钮;W2和W4为正反向输出电压反馈量调节旋钮。

该电源电路的优点是结构简单明了,便于组装、调试和现场维护。由于CF97088和SWHX-1是全密封式器件,用于电镀、电解和化工行业中,有防腐蚀作用,更为适合。
4 结语
基于单片机实现定时控制,以取代现行的定时器和时间继电器.是今后的发展方向。本文介绍的SWHX-l器件作为一个尝试,并在周期换向电源中应用结果表明,定时精确,运行可靠,效果较好。
