1 引言
辅助电源作为医用x光机电源的一部分.虽然不是核心部件,但它就如同人的左右手一样.起着至关重要的作用,其性能指标直接对整个系统的性能产生重要影响。在设计过程中一般采用的方法有二种:一种是工频变压器加滤波稳压电路.在本系统设计中,由于要给灯丝提供电源,其功率近百瓦。显然,这种方法在效率、体积、重量方面都不能满足要求;另一种是PWM调制器加功率MOSFET,这种方法还需要大约40~80个外围分立元件,来提高其稳定性和安全性,这不但增加了成本和体积,还使可靠性受到了影响。因此,选用TOPSwitch—GX系列开关电路成为最佳选择。
2 内部结构及工作原理
图1示出TOPSwitch—GX系列电路的内部原理框图。由图1可知.该电路主要由以下几部分组成:
1)控制电压源,控制电压UC向并联调整器和门驱动级提供偏置电压,控制电流,IC调节占空比;
2)带隙基准电压源,所有临界的TOPSwitch内部电压都由一个温度补偿的带隙参考基准得出。该参考基准也产生一个温度补偿的电流源,它被微调在精确设置的振荡频率和调节MOSFET栅极的驱动电流:
3)振荡器,用于产生脉宽调制器所需要的锯齿波、时钟信号及最大占空比信号:
4)并联调整器/误差放大器,误差放大器将反馈电压与5.7V基准电压进行比较,输出误差电流IFB,在RE上形成误差电压;
5)脉宽调制器.脉冲宽度调制器提供电压型控制环,以驱动输出级MOSFET,其占空比与流入控制脚的电流成反比例。该脚在RE二端产生一个电压误差信号,经RC滤波后.与内部振荡器锯齿波相比较,产生一定占空比的波形;
6)门驱动级和输出级,门驱动级用于驱动功率开关管,使之按一定速率导通。MOSFET管的漏一源击穿电压大于700 V;
7)过流保护电路,过流比较器的反向输入端接阈值电压Ulimit,同相输入端接MOSFET的漏极;
8)具有滞后特性的过热保护电路,当芯片结温大于135℃时,过热保护电路将关断输出级;当芯片结温低于70℃时.电路恢复正常工作,即具有滞后特性;
9)关断/自动重启动电路,一旦调节失控,将立即使电路在低占空比下工作,倘若故障被排除,则自动重新启动电源,恢复正常工作;
1 0)高压电流源,在启动或滞后调节模式下,高压电流源经过电子开关S给内部电路提供偏置,电源正常工作时.电子开关S改接内部电源.将高压电流源关断;
11)软启动,软启动时间为10ms.以减轻启动时元器件的负荷;
1 2)输入过压、欠压检测及保护电路,通过外接电阻器设定过压、欠压的保护电压.并且可以在电源关断时防止自动重启动脉冲的干扰;
13)轻载时自动降低开关频率,开关频率及占空比能随输出端负载的降低而自动减小,保证其在轻载时仍具有很好的调节特性;
14)停止逻辑和开启电压为1 V的电压比较器,通过改变线路检测端流入或流出电流的大小及方向来控制开关电源的通、断状态。线路检测端内部还增加了开启电压为l V的电压比较器,此开启电压可用于远程通断控制。
3 TOPSwitch—GX辅助电源设计
3.1 对辅助电源的要求
图2示出医用牙科X光机高压电源原理框图。交流市电经。EMI滤波、整流、功率因数校正后,通过串联开关调整将电压稳定到直流160 V,一方面减少了市电波动对输出电压的影响,提高了输出高压的稳定度;另一方面降低了后级开关管上的电压应力.并且多加一级过流、过压保护,提高了系统的安全性。160 V的直流电源再经全桥逆变、变压器升压和整流倍压后输出60 kV一70 kV的高压给X射线管供电。其中用单片机实现良好的人机接口,并通过对SG1525的开启关断来精确控制底片的曝光时间,同时对灯丝进行恒流控制,实现不同的光剂量。
辅助电源作为系统的重要组成部分,共提供5路输出,其中2路分别给2个SGl525及其外围电路作为工作电源;l路送风扇;1路送单片机系统部分,1路给灯丝提供电源。由于该系统应用于医院牙科,检查病人牙齿的病变,故对
电源性能提出了较高的要求:首先要求输出高压要稳定.发射X射线的剂量要适当,其次是要安全。辅助电源须满足以下要求:
1)输出功率要超过100 W,以满足各部分对辅助电源功率的要求:
2)使用电压范围要宽,保证电压大范围波动时不会导致系统失效:
3)输出电压稳定度要高,比如灯丝.其电压的波动直接影响到X光剂量的多少;再如单片机,电压的波动导致其程序跑飞,造成的后果将不堪设想:
4)体积要小,这样有利于减小设备体积.提高用户操作的灵活性。
3.2 计算机辅助设计
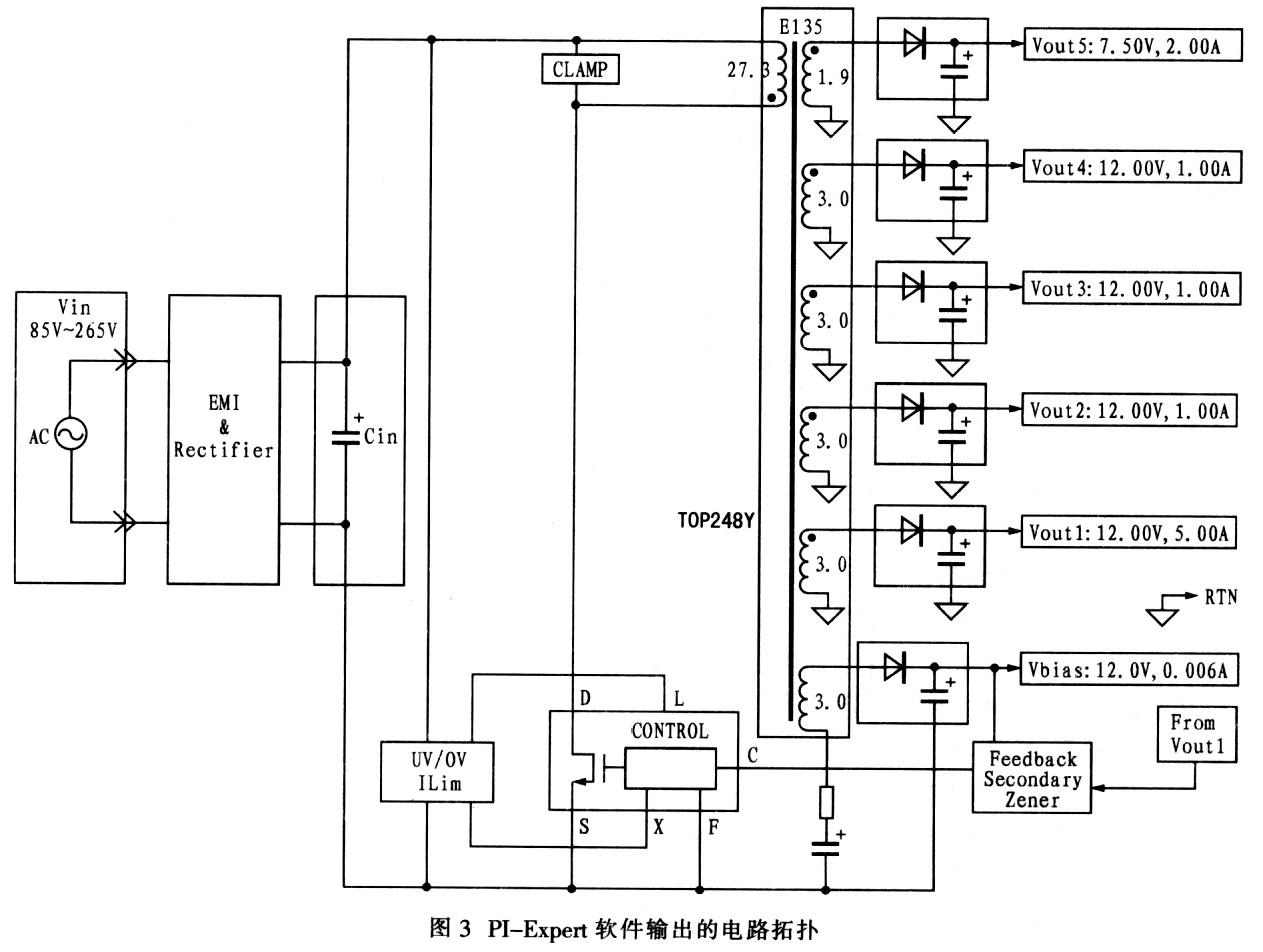
由于电源设计涉及的知识面较广,不仅要掌握TOPSwtieh系列单片开关电源的工作原理.还必须了解有关开云棋牌官网在线客服器件、模拟电路与数字电路、电磁特性、电磁兼容性、热力学等方面的知识。传统设计方法全部靠人工来完成,步骤繁琐、工作量大、效率低。本设计采用PI公司提供的辅助设计工具Pl—Expert软件,极大地减少了工作量.缩短了开发时间,并可实现多方面的优化设计。图3示出应用PI—Expert辅助设计时软件输出的电路形式。该软件根据用户给定的输入参数、输出参数、优化方式、器件系列等相关信息,通过计算给出器件变量电源部分元件选择、电源输出参数、变压器结构参数和次级参数等信息。本设计性能指标如下:
输人参数:输入电压为85 VAC一265 VAC;电源频率为50 Hz;整流二极管导通时间为2.45 ms;损耗分配因数为O.46;效率为0.73。
输出参数:输出电压和电流为12 V/5 A、12V/1A,12 V/1 A,12 V/1 A和7.5 V/2 A:反馈绕组电压和电流为12 V/0.006 A。
工作方式:反激式。
器件:TOPSwiteh—GX,Y系列,132 kHz。
优化方式:最低成本。
3.3 变压器设计
由于变压器在电路中兼有储能、限流和隔离作用.还要流过电流直流成分,因而是整个设计中的难点和关键。
3.3.1 变压器的设计原则
当电路主拓扑结构、工作频率和磁芯尺寸确定后.变压器的功率P与磁感应强度B和电流密度成正比.即PocBJ当变压器尺寸一定时,B和J选得高一些,则某一给定的磁芯可以输出更大的功率.这样可以使变压器体积减小,重量减轻。但是B和J的提高受各项电性能技术要求的制约。若B过大.激磁电流过大,会造成波形畸变严重,影响电路安全工作并导致输出纹波增加。若J增大,则铜损增大.温升将会超过规定值。因此,在确定磁感应强度和电流密度时,应把电性能要求和经济设计结合起来考虑。
3.3.2 相关参数计算
为了合理选择变压器的磁芯,确定初级、次级线圈的线径、匝数及气隙等参数,必须对磁场强度、传输功率、传输效率、初级和次级峰值电流等多项参数进行分析计算。计算方法多种多样,但计算结果相差不大。本设计采用了PI—Expert软件,计算相当简单,仅需输入相关设计参数,软件就会输出所需的变压器设计参数:初级线圈电感量LP=171μH:初级匝数:NP=27.3(实际设计中取27);初级线径:AWG20(0.813 mm)双股并绕;反馈绕组匝数:NB=3.0:磁芯选择:E135,相关参数Bw=15.70 mm,M=0 mm.L=1.60 mm,AE=101.40 mm2,ALG=210nH/T2,BM=24
23G,BP=2976G,BAc=606G;气隙:LG=0.52mm;初级漏感:LL=3μH;次级12 V/5 A组:3匝.AWG22(0.643 mm)3股并绕;次级12 V/1 A组:3匝.AWG24(0.51 mm);7.5 V/2 A组:2T(实际输出7.97 V).AWG22(0.643 mm)。
软件给出的参数都是经过一定优化得到的,故实际设计中优先选用这些推荐参数,实践证明这样做是合理且高效的。
3.3.3 变压器的绕制
变压器的绕制采用堆叠式绕法,其优点就是能加强磁耦合,改善轻载时的稳压性能,骨架上的引脚较少,并且制造成本较低。绕制过程中,初级绕组在最里层.有利于减少初级绕组的分布电容,降低初级绕组对相邻元件的干扰;12 V/5 A绕组紧挨初级绕组,其次由里向外分别为反馈绕组、7.5V/2 A、12 V/1 A.以减少漏感;反馈绕组在主电源的外边,反馈绕组与次级绕组耦合最强,对电压的变化敏感.有利于提高稳压效果。各绕组之间的绝缘选用厚度为0.03/mm的聚脂薄膜,初次级之间用5层,次级与次级之间用2层,保证了较好的绝缘强度。同时,为了降低磁辐射、减小温升及便于安装,特制了一种“铝合金外套”将变压器“包住”,缝隙处用导热胶灌注。总之,在变压器的设计和制作过程中,必须对磁芯与线圈的结构、绕制方法、散热、效率等周密考虑。
4 结束语
TOPSwitch—GX系列单片开关电源集PWM/MOSFEI、于一体,具备了过压、欠压、过流、过热保护、远程控制等众多优点,并且有PI—Expert软件辅助设计,可以在短时间内设计出高性能、低价格、重量轻的开关电源。实验证明在宽范围输入的情况下.其输出波形稳定,输出纹波小,完全符合辅助电源的要求。它不仅适合在医用牙科X光机电源、逆变焊机等各类特种大功率开关电源中作为辅助电源,而且必将在充电器、DC/DC变换模块等各类小型高效节能型开关电源领域得到广泛的应用。
