LM2717-ADJ是国半公司最近推出的新产品,是一种由两个PWM降压式转换器组成的双输出、电压可调的IC。该器件主要特点:第1路降压式转换器的内部开关管的开关电流可达 2.2A(R DS(ON) =0.16Ω);第2路降压式转换器的内部开关管的开关电流可达 3.2A(RDS(ON)=0.16Ω);输入电压范围4~20V;输出电压可由两外设电阻设定,最低电压为1.267V;开关频率可设定在300~600kHz范围内;内部有输入欠压保护及过热保护;24引脚TSSOP封装;工作温度范围-40℃~+125℃。
该器件组成的双电源主要应用于TFT-LCD显示器、手持式电子装置、便携式电子产品及膝上计算机等产品。
引脚排列与功能
LM2717-ADJ的引脚排列如图1所示。

图1 LM2717-ADJ的引脚排列
有关参数(典型值)
LM2717-ADJ有关参数如下:静态电流I Q="2".7mA;基准电压V BG="1".267V;输入电压V IN为4~20V;开关电流限制值:第1路为2.2A,第2路为3.2A;频率设定是电阻R F:R F="4".64kΩ时,F SW="300kHz";R F="2".26kΩ时,F SW="600kHz";关闭控制:电源正常工作,VH>1.8V;电源关闭,NL<0.7V;输入电压V IN低于3.6V时低压锁存;输入电压V IN高于3.8V时正常工作。
典型应用电路

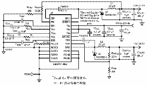
图2 输出15V及3.3V的应用电路

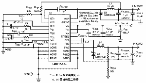
图3 输出5V及3.3V的应用电路
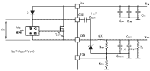
LM7217-ADJ的典型应用电路如图2及图3所示。图2是一种输入17~20V,输出15V及3.3V的应用电路;图3是在相同输入电压下,输出5V及3.3V的应用电路。这两个电路的基本参数都相同,主要差别在设定输出电压到反馈端的电阻分压器的阻值不同。图2、3中的C BOOTx(x值是1或2)是自举式升压电容器,它可以提高驱动器的电压,保证N-MOSFET有足够的VGS电压,如图4所示。在上电的瞬间,从VIN→D→C BOOST→LX→C OUTX到地的电流给C BOOST及C OUTX(包括C OUTXA)充电,由于C BOOST<<(C OUTX+C OUTXA),所以V IN的电压大部分降在C BOOST上。C BOOST上的电压V CBOOST等于驱动器电压V DRI,保证了N-MOSEFT的V GS电压值。

图4 自举升压电路
本文主要介绍电路中一些元器件参数的选择。
1输出电压的设定
输出电压V OUT与图1、2中的反馈电路分压电阻R FB1(3)及R FB2(4)有关,其关系式为:
V OUT=(1+R FB1(3) /R FB2(4) )×1.267V (1)
现R FB2(4)设为20kΩ,则在要求的V OUT下可求出R FB1(3)值。例如,V OUT要求3.3V,R FB2设为20kΩ,按上式可求得R FB1为32.09kΩ,可取33kΩ(图中R FB1=36.5kΩ、R FB2=20.4kΩ,则按公式计算出V OUT="3".53V,这考虑是在有负载时,输出电压有下降的原因,将电压提高了0.23V)。
2输入电容C IN及输出电容C OUT选择
输入电容要选择等效串联电阻(ESR)小的铝电解、钽电解电容或陶瓷电容。电容要根据其纹波电流尺寸大小来选择。纹波电流I RIPPLE与I OUT、V OUT、V IN有关。
例如,I OUT="2A"、V OUT="3".3V、V IN="17V",则可求得I RMS="0".79A。则可从电容器样本上找到耐压为25V、允许纹波电流大于0.79A的电容器即可。
输出电容除要满足纹波电流要求外,还要求满足输出纹波电压的要求,一般可根据要求的纹波电压V RIPPLE来确定C OUT的容量大小,其关系式为:
V RIPPLE="I" RIPPLE(E SR+1/8F SW×C OUT) (3)
式中,I RIPPLE为纹波电流、ESR为输出电容的等效串联电阻、F SW为开关频率。C OUT应选ESR小、允许纹波电流大的OS-CON或POSCAP(有机聚合物为电解质的铝或钽电解电容)。输出电容往往再并联一个小容值的陶瓷电容,可滤去高频纹波电压。
3肖特基二极管(D1、D2)的选择
肖特基二极管的耐压要大于最大输入电压25%以上,额定整流电流要等于最大输出电流。
4电感器L1及L2的选择
电感器L1及L 2下式计算:
L1或L2=(V IN-V OUT)V OUT/V IN×I RIPPLE×F SW (4)
例如,V IN="17V"、V OUT="3".3V、I OUT(max) =2A、I RIPPLE="0".6A、F SW="300kHz",则L1或L2为14.8μH(计算值),可取标准值22μH。式中,I RIPPLE取I OUT(max)的30%作估算值,若I OUT(max) =2A时,则I RIPPLE="0".6A。电感器的饱和电流要大于1.2×I OUT(max) ,且要选其直流电阻小的电感器(≤0.2Ω)。
5软启动电容的选择
软启动的目的是防止启动时的大冲击电流的产生,方法是通过向外接软启动电容CSS充电。软启动时间TSS与CSS及充电电流ISS的关系为:
T SS="C" SS×0.6V/ ISS (5)
一般T SS取3ms,I SS的典型值为 9μA,则C SS可取47nF。
结束语
在实际使用中,只要按输出电压来计算R FB1(3)及R FB2(4),其它元器件可按图1、2的参数选择即可,不必一一计算。例如,图中D1、D2肖特基二极管用的型号MBRS240是耐压40V、额定正向整流电流是2A的。若此器件找不到,MBR350(额定正向整流电流是3A,耐压50V)也可代用。输入、输出电容的纹波电流按30%I OUT(max)来估算,选电容器的允许纹波电流大于30%I OUT(max)的即可;另外,选ESR≤50mΩ的为好。
