0 引言
为了能对大量负荷进行在线监控。很多公司较早地研制了基于单片机技术,能对配电变压器或配电线路负荷运行参数、电容器投切、电量采集等进行综合监控的配电综合测控仪。但是,由于供电系统负荷的复杂性,特别是用户非线性负荷的大量使用,企业对谐波等电能质量问题越来越重视,因此,对配电综合测控仪的要求也随之提高,而且普遍要求增加谐波、频率监测和通信组网等功能。为了解决这些问题。本文以PHILIPS公司的ARM7芯片LPC2220FBD144为核心,研制出了新一代的配电综合测控仪。
1硬件电路设计
1.1硬件电路总体结构
本装置的硬件结构框图如图1所示,它主要由数据采集、运算处理、数据存储、键盘显示、通信接口等单元组成。其中运算处理单元是核心部分,用于实现数据信号处理、快速傅立叶变换(FFT)等功能。考虑配电综合测控仪要求的运算速度、精度、硬件资源等需要,本设计选择了PHILIPS公司的LPC2220FBD144型ARM7芯片。

该LPC2220FBD144芯片是LPC2200系列中性价比较好的一款ARM7芯片,采用LQFP封装,四条边上各有36个引脚。该芯片具有改进的冯诺依曼结构(指令和数据共用一条32位总线),采用三级流水线,可以同时进行几个操作,并能使外处理和存储器系统连续操作。该芯片内嵌高达256KB的高速闪烁存储器、64 KB静态RAM、32位的算术逻辑单元、32位累加器、64位的乘法器以及精简指令集,其指令最短周期可以达到17 ns。这些特点使它的操作非常灵活,处理能力强并且速度快。由于其应用程序可以固化在CPU内部,因而不但可以降低成本、减少体积,系统升级也比较方便,而且它的功耗低、资源配置灵活,非常适用于生产现场的数据采集和处理。
1.2数据采集电路
本系统中的数据采集电路由PT与CT、信号整理和A/D转换三部分组成,实时电流和电压经过PT、CT以及信号整理电路后,可变成0~3.3 V的模拟信号,然后经模拟转换电路完成数字化处理。数据采集部分的硬件电路如图2所示(6路采集电路中的一路Ua)。
根据测量谐波等参数和数字抗频率混叠的要求,本装置对信号波形按每个周期128点进行采样,采样周期为156μs。ARM7内部的A/D是8路输入的10位逐次逼模一数转换器,由于它可以对电流和电压进行同步采样,而且精度比较高,所以本设计没有再使用其它外围A/D芯片。
1.3存储器和时钟电路
存储器主要由三星公司的NAND FLASH存储器芯片组成.NAND FLASH是容量为16 MB的非易失闪烁存储器芯片,可用于存放采集来的数据和已备上传的历史数据。
时钟采用PHILIPS公司的PCF8563芯片。该芯片具有低功耗CMOS实时时钟/日历,而且外围接口简单,精度和可靠性高,工作稳定。芯片最大总线速度为400 kbits/s,每次读写数据后,其内嵌的字地址寄存器会自动产生增量。PCF8563有16个8位寄存器,并有可自动增量的地址寄存器、内置32.768 kHz的振荡器(带有一个内部集成电容)、分频器(用于给实时时钟RTC提供源时钟)、可编程时钟输出、定时器、报警器、掉电检测器和400 kHz的I2C总线接口等;同时具有计秒、分、时、星期、日、月、年以及闰年补偿功能,可用二进制数码和BCD码表示时间、日历和定闹。安上锂电池以后,断电情况下可以十年不丢失数据,功能上完全可以满足本装置的需要。
1.4通讯电路
本产品采用了两路通讯电路,一路为RS-485总线接口,另一路为RS-232总线接口。RS-485总线接口的总线收发器使用SP3485。SP3485是一个3.3 V的低功耗半双工收发器,它完全满足RS-485串行协议的要求,符合RS-485的电气规范,数据传输速率可达10 Mbps(带负载)。由于RS-485总线所占用的IO口线与UART0的口线是复用的,所以,在进行RS485总线通信时,必须停止UART0接口的通信。RS485通信的方向由P2.16控制,当P2.16为低时,核心板接收总线数据;当P2.16为高时,核心板向总线发送数据,其电路图如图3所示。


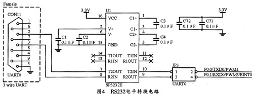
RS-232总线接口的总线收发器使用SP3232E。SP3232E系列芯片是一个2驱动器/2接收器的低功耗器件,SP3232E有一个高效电荷泵,工作电压为3.3 V时,只需0.1μF电容就可以进行操作。电荷泵允许SP3232E系列器件在3.3~5.0 V内的某个电压下发送符合RS-232的信号。由于本产品是3.3 V系统,因此使用SP3232E进行RS232电平转换,其电路图如图4所示。

