电源监控在高速电路板中的重要性
电源在所设计系统的设备中可以说是最简单的器件,但却必须放在整机设计的最后考虑。为了保证整机的可靠运转,对供电系统的要求越来越高。
在高速电路板中,例如视频处理卡,由于电路的高频特性,开关的电磁辐射和线路噪音都会干扰到达电路器件电压,即器件的实际工作电压。而现今的低电压、低功耗、高性能的芯片,如DSP芯片等对工作电压的要求非常高,一般都要求电压偏差不超过5%,若芯片的供电电压为3.3V,即电压偏差不能超过0.165V。否则,一旦工作电压超出这个范围,长时间工作容易缩短寿命甚至于烧毁。因此,在电路中需要通过电压监控电路来实现对电压的实时监控,以期电源能够为芯片提供合格而稳定的电压。
TI公司TPS330X系列电源监控芯片
TI已连续四年成为全球模拟开云棋牌官网在线客服市场的领导者,在电源管理产品及接口方面保持着领先的地位。TI(德州仪器公司)在很早以前就发明了供应电压监控器(Supply-Voltage Supervisor,SVSs),并新近开发出TPS330x系列产品,这些产品结合了芯片内集成、省电结构设计和新的低电压选项,主要用于多种电压电路中系统芯片的供电电压监控,为用户提供高品质的电压。
作为TPS33X-XX系列的代表,TPS3307-33D具有以下优良特性:
(1) 主要用于多电压处理器体系,可以为DSP等芯片提供三通道监控电路;
(2) 200ms固定延时的上电复位发生器,无需外部扩展电容;
(3) 电压温度补偿;
(4) 可提供2~6V的大范围电压;
(5) 可稳定工作在-40°C to 85°C。
TPS3307-33D可监视两种独立电压,并且还可以控制另外一种电压,这种电压可以独立调整并内在与复位逻辑电路相连。其芯片管脚如图1所示。

图1 TPS3307管脚图
其中,SENSE 1,SENSE 2,SENSE3分别用于监控第一、第二、第三种电压;/MR即Manual Reset,可连接一个外部复位触发设备来实现电路人工复位;/RESER输出低电平有效复位信号;RESET输出高电平有效复位信号。其内部电路模块图表示如下图2所示。

图2 TPS3307芯片内部模块图
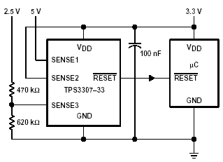
从图中可以看出,电压监控有内置晶振,核心部分非常稳定,并且具有温度补偿参考电压体系。第一、第二监控电压被内部电阻反压后与比较器的参考电压进行比较。SENSE 3管脚的输入电压直接与1.25V参考电压进行比较。基于TPS3307的一种典型的电压监控应用可以用图3的模块图表示。该电路可以同时监控2.5V、3.3V和5V三种电压。
如果SENSE 3的输入电压为2.5V,经内置分压电阻分压后,通过计算门槛电压VIT-可以得知,SENSE 3可以很好的监控2.5V电压。具体计算过程为:
![]()
这个值非常适合用于2.5V电源供电。

图3 TPS3307应用方案
该方案中的μC代表TMS320C6211、MSP430C325等微处理器。
TPS3307-33D在DSP图像处理系统中的应用
本系统是采用TI TMS320C6211芯片处理通过摄像头拍摄并经过A/D转换后的图像。DSP对图像进行压缩后,由DSP的HPI口通过TI的PCI2040芯片上传到上位机主板上,与上位机的PCI总线进行通信。系统设计中关键是视频处理卡的设计,由于市场上能够买到的视频卡一般功能都有限,不能满足本项目的需求,故自行设计一块视频卡。 在视频卡设计中,电源模块设计非常关键,它直接影响着视频卡的最后实现和稳定运行。电源设计包括两个部分:供电系统和电源检测及上电复位系统。对供电系统来说,为满足系统需要,必须能够提供四种电源电压,分别为-+5V、-5V、+3.3V和+1.8V。+5V电源由外部提供,而其它供电电压需要自行设计。在选择5V-3.3V DC-DC电压泵时,考虑电流大小为:TMS320C6211的130mA、SAA7111A的150mA、EPM7128S的300mA、AM29LV800B的30mA、IDT72V215的2×60mA、MT48LC4M16A2的2×230mA,电流共需在1.2A左右,加上其它的一些电压转换芯片和接口芯片,考虑1.5A的供电电流。即供电电流必须大于1.5A。在选择5V-1.8V DC-DC电压泵为DSP供电时,供电电流要大于830mA。
该系统中的电源检测及上电复位电路,是为保证系统在供电未达工作电压前,各器件不会处于不受控制的状态而设计的。该电路可
以保证这些器件在系统加电的过程中,始终处于复位状态,直到各供电电压达到正常工作电压。另外当电平下降到门限值以下的时候,会强制芯片进入复位状态。
本监控系统采用一片TI的TPS3307-33D作为电源检测IC。该器件定义在其供电VDD>1.1V时其/Reset即可输出有效的信号。如图4所示,在本系统中,该电路可以完成对5V、3.3V和1.8V三种供电电压的监测,并可以对系统的三种器件(C6211、EPLD和AT89C2051)同时进行上电复位和手工复位。

图4 TPS3307电源监控电路
其中+3.3V是TMS320C6211的I/O接口所需的电压,这是DSP外围接口电压,必须能够保持稳定、持续供电。其外接的SDRAM和FLASH ROM都是3.3V器件,若电压不稳,这些器件无法稳定工作,容易导致损耗甚至烧毁这些器件。
+1.8V供电是为了满足TMS320C6211的CPU核心工作电压需要。对于TMS320C6211来说,其工作频率为150MHz,对电压的变化非常敏感。电压过高会使器件损伤,电压过低芯片会自动复位。
应用心得
通过用TPS3307芯片进行电压监控设计,不仅了解了部分TI模拟器件,而且还从中发觉高速电路板设计中电源设计及监控的重要性。这些重要性主要体现在以下几个问题里面。
(1)电源热处理
热处理对任何系统都是一大难题。电源系统在工作过程中会产生很大的热量。当系统未提供空气对流或环境温度较高时,散热器是必需的。风扇提供的气流能简化电源的设计,但增加了噪音,降低了可靠性。
本系统中由于主板上置有散热风扇,而且电源的功率不太大,故不单独采用散热器。
(2)EMI处理
电磁干扰是开关电源和电源监控系统设计人员面临的主要设计问题。必须考虑各种噪声:传导、辐射、共模和差模噪声。共模噪声是系统噪声最重要的来源,在DC-DC变换器中,共模噪声是初级与次级间流通的电流引起的,它是主开关器件和输入-输出耦合电容上电压瞬变过程的函数。
由于开关电源中通常包含有高频信号,PCB上任何印制线都可以起到天线的作用,印制线的长度和宽度会影响其阻抗和感抗,从而会影响到频率响应。即使是通过直流信号的印制线也会从邻近的印制线耦合到射频信号并造成电路问题,甚至再次辐射出干扰信号。
因此应将所有通过交流的印制线设计得尽可能的短而宽,这意味着必须将所有连接到印制线和其他电源线的元件放置得很近。印制线的长度与其表现出的电感量和阻抗成正比,而宽度则与印制线的电感量和阻抗成反比。长度反映出印制线响应的波长,长度越长,印制线能发送和接受的电磁波频率越低,它就能辐射出更多的射频能量。
(3)电压的稳定性
高品质的稳定的工作电压(或电流)是高速芯片(如DSP芯片)长期有效工作的基本保证。一般电源系统仅仅是在电源芯片上大做文章,采用高效率电源芯片,在要求不高的场合没有引入电源监控系统。而在以高速芯片为核心的高速电路板上,影响供电电压的因素繁多,既有器件上的原因,也有设计方案上的弊病;这些因素极大的改变了到达芯片的真实电压,无法使芯片工作在额定的电压,在条件恶劣的情况下甚至难以保证电压的稳定供电。因此,在高速芯片电路板设计中,要求引入电压监控体系,通过实时监控电压变化并进行调整来实现对高速芯片的高品质电压供电。在这方面,TI公司的TPS33xx系列芯片以其独特的设计品质在同行中得到广泛认同。TPS3305、TPS3306能够同时监控2路电压,并具有温度补偿调整功能,而TPS3307性能
更高,不但同时可监控2路电压,还能自适应的调整第三路被监控电压,芯片工作性能稳定,而且3通道技术使其使用效率非常高。
(4)高功率和故障容错度的并联技术
电源结构常常用多个电源或多个电源变换器来增加输出功率,或提供故障容错度。相同的独立电源并联工作是获得高功率电源的既可靠又经济有效的方法。
(5)安全性
模块化设计能够获得很好安全特性。电源系统输入与输出间电气隔离是最基本的安全性要求。隔离型DC-DC变换器具有内部变压器来提供必要的保护,从而简化了系统的设计。而非隔离型变换器需要一个外部变压器。对给定的母线电压,电压越高,功率损耗就越低,且导体尺寸也越小。
参考文献
1. TPS3307-18, TPS3307-25, TPS3307-33 TRIPLE PROCESSOR SUPERVISORS. TI Databook,2000
