引言:
第二代移动通信系统基站设备的典型设计方案是将接收天线、发射天线安装在室外,将射频收发信机安装在室内,射频收发信机与接收天线、发射天线间用低损耗的射频电缆连接。这就是所谓射频拉远" title="射频拉远">射频拉远技术。第三代移动通信系统结合射频拉远技术,诞生了新型信号传输设备RRU" title="RRU">RRU,通过光纤传输基带信号。同样,数字光纤" title="数字光纤">数字光纤直放站" title="直放站">直放站也可通过光纤传送基带信号,两者既有区别,又有联系。
一、RRU工作原理及应用
射频拉远单元RRU(Remote Radio Unit)是一种新型的分布式网络覆盖模式,它将大容量宏蜂窝基站集中放置在可获得的中心机房中,基带部分集中处理,采用光纤将基站中的射频模块拉到远端射频单元,分置于网络规划所确定的站点上,从而节省了常规解决方案所需要的大量机房;同时通过采用大容量宏基站支持大量的光纤拉远,可实现容量与覆盖之间的转化。
RRU的工作原理是:基带信号下行经变频、滤波、经过射频滤波、放大经线性功率放大器后通过发送滤波传至天馈。上行将收到的移动终端上行信号经滤波、低噪声放大、进一步的射频小信号放大滤波和下变频,然后完成模数转换和数字中频处理等。系统框图如图1所示。

图1 RRU 内部框图
RRU同基站接口的连接接口有两种:CPRI(Common Public Radio Interface 通用公共射频接口)及OBASI(Open Base Station Architecture Initiative 开放式基站架构)。其中,CPRI组织成员包括:爱立信、华为、NEC、北电、西门子。OBSAI组织成员包括:诺基亚、中兴、LGE、三星、 Hyundai。RRU同RNC连接图如图2所示。

图2 RRU同基站接口
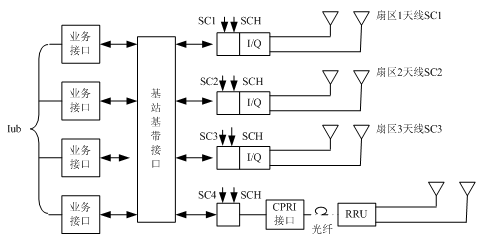
信号覆盖方式上,RRU可通过同频不同扰码方式,从NodeB引出。也可通过同频不同扰码方式,从RNC引出。着两种覆盖方式都是常规的方式,这里介绍另外一种覆盖方式:基站有3个扇区,配有多余的信道板以及多余基带处理设备就可以利用基带池共享技术,将多余的基带处理设备设为第4小区,如图3所示。图中SC为扰码 I/Q射频调制解调,SCH为同步码。

图3 RRU新型覆盖方式
二、数字光纤直放站原理及应用
数字光纤直放站不同于以往的模拟光纤直放站,它将RF信号经变频处理变为中频数字信号,再通过光纤拉远进行传输。其具体工作原理是:近端机将从NodeB接收到的基站下行信号通过耦合,下变频处理,到基带变为I/Q信号或低中频信号,经ADC变换到数字信号后按一定帧格式打包成串行数据,再经光纤发送到远端机,远端机经基带处理单元解帧,恢复I/Q或低中频信号,经DAC变换到模拟信号,再上变频到射频,经发射子系统发射出去;远端机将接收到的移动终端上行信号通过上述逆过程,上送至基站接收端。
近端机完成对基站信号的获取和发送,远端机完成对移动终端机信号的获取和发送,近端机与远端机之间的接口为CPRI,以数字传送采用以太网的标准光纤收发器。系统框图如图4所示。

数字光纤直放站对信号覆盖方式上,同以往模拟直放站用法类似,可通过光纤直连一拖一(一个近端加一个远端)使用,也可通过光分路器进行一拖多(一个近端加多个远端)覆盖使用。如图5所示。

三、RRU同数字光纤直放站的分析比较
RRU同数字光纤直放站都可利用现有成熟的以太网数字光纤传输技术传输基带信号,并共同遵守标准的CPRI和OBSAI接口。使用中可实现RRU和数字光纤直放站的远端机的互相替换。
两者均可作为室内分布系统的信号源,选用哪一种取决于宏基站的载频数量和该室内业务量需求。如果宏基站载频多、容量很富裕,用数字光纤直放站拉远更合适,同时可减少扇区扰码。如果该室内业务量需求较大应选用RRU作信号源。如果业务量需求很大,如大型写字楼、会展中心等,应考虑数字光纤直放站、RRU和宏基站的联合组网。
从覆盖距离上,两者均可作为基站拉远系统供用,数字光纤直放站用作载波池拉远,RRU可用作基带池拉远。载波池拉远距离取决于小区覆盖半径和光在光纤上的传输速度,数字信号在光纤中传播,其动态范围也较模拟信号大,这样就可以实现远端机更大的信号覆盖;同时,数字信号不随光信号的衰减而衰减,因此其传输(拉远)距离也进一步增加了。经计算,最远可达40km以上,用作基带池拉远的RRU基本不受距离限制,可拉得更远。
从组网方式上,RRU作为拉远单元可单独使用,而数字光纤直放站由近端机和远端机组成,在实际应用时,近端机是一个,而远端机可以是一个或多个,组网上可并联也可串联,组网方式也可以多样化,如:菊花链型、环行、树形等等。
在扰码的使用上,数字光纤直放站射频信号的扰码总是同施主基站的扰码相同,数字光纤直放站也不增加基站信道板硬件容量和正交码容量,所以在扇区内大量采用并不会增加扰码。射频拉远单元RRU是利用基站剩余的信道板和基带处理设备组成新的扇区,通过光纤系统拉到远处,有人称它为基带池技术,也有人叫它拉远的微蜂窝技术,总之,它具有硬件容量,并且拥有新的扰码和同步码。由于RRU具有基站性能,在宏基站的扇区内大量采用必然会增加很多扰码和邻区列表,过多的会发生导频污染,软切换增加。如图6所示。在网络优化时是这必须注意的问题。

在传输时延上,数字光纤直放站的传输时延比较大,因为存在两次变频过程。而RRU直接传送基带信号,时延不明显。
在底噪抬升上,数字光纤直放站仅采用ADC和DAC,此过程只可能引入更多的量化噪声,从而抬升上行噪声。而RRU传输的为纯基带信号,可不用考虑底噪问题。
从成本上,采用RRU技术,可以节省常规建网方式中需要的大量机房,节约基带单元的投资。RRU体积小,重量轻,可以应用于城区机房条件不理想或者机房匮乏的情况,但是应用前提是需要有光纤进行传输。但在价格方面,RRU比直放站要贵1/3左右。对于一拖一的系统,数字光纤直放站成本优势不明显,但一拖多,成本优势就比较明显了。
结束语:
通过以上分析中可以看出,数字光纤直放站和RRU各自都有其优势,同为3G时代的新产品。3G发牌在即,两者都应列入重要手段统一网络规划,以达预期的良好效果。
参考文献:
【1】李世鹤.TD-SCDMA第三代移动通信系统标准. 北京:人民邮电出版社,2005
【2】《中频拉远——创新的TD-SCDMA基站解决方案》http://www.eetchina.com/.2006.8
【3】《OTSR、RRU及直放站在移动通信中的应用探讨》http://www.c114.net.com/. 2005.8
