l 移相式ZVZCSPWM软开关电源主电路分析
在设计制作的1.2kW(480V/2.5A)的软开关直流电源中,其主电路为全桥变换器结构,四只开关管均为MOSFET(1000V/24A),采用移相ZVZCSPWM控制,即超前臂开关管实现ZVS、滞后臂开关管实现ZCS,电路结构简图如图l,VT1~VT4是全桥变换器的四只MOSFET开关管,VD1、VD2分别是超前臂开关管VT1、VT2的反并超快恢复二极管,C1、C2分别是为了实现VTl、VT2的ZVS设置的高频电容,VD3、VD4是反向电流阻断二极管,以实现滞后臂VT3、VT4的ZCS,Llk为变压器漏感,Cb为阻断电容,T为主变压器,副边由VD5~VD8构成的高频整流电路以及Lf、C3、C4等滤波器件组成。
其基本工作原理如下:
当开关管VT1、VT4或VT2、VT3同时导通时,电路工作情况与全桥变换器的硬开关工作模式情况一样,主变压器原边向负载提供能量。通过移相控制,在关断VT1时并不马上关断VT4,而是根据输出反馈信号决定的移相角,经过一定时间后再关断VT4,在关断VT1之前,由于VT1导通,其并联电容C1上电压等于VT1的导通压降,理想状况下其值为零,当关断VT1时刻,C1开始充电,由于电容电压不能突变,因此,VT1即是零电压关断。
由于变压器漏感L1k以及副边整流滤波电感的作用,VT1关断后,原边电流不能突变,继续给Cb充电,同时C2也通过原边放电,当C2电压降到零后,VD2自然导通,这时开通VT2,则VT2即是零电压开通。
当C1充满电、C2放电完毕后,由于VD2是导通的,此时加在变压器原边绕组和漏感上的电压为阻断电容Cb两端电压,原边电流开始减小,但继续给Cb充电,直到原边电流为零,这时由于VD4的阻断作用,电容Cb不能通过VT2、VT4、VD4进行放电,Cb两端电压维持不变,这时流过VT4电流为零,关断VT4即是零电流关断。
关断VT4以后,经过预先设置的死区时间后开通VT3,由于电压器漏感的存在,原边电流不能突变,因此VT3即是零电流开通。
VT2、VT3同时导通后原边向负载提供能量,一定时间后关断VT2,由于C2的存在,VT2是零电压关断,如同前面分析,原边电流这时不能突变,C1经过VD3、VT3、Cb放电完毕后,VD1自然导通,此时开通VT1即是零电压开通,由于VD3的阻断,原边电流降为零以后,关断VT3,则VT3即是零电流关断,经过预选设置好的死区时间延迟后开通VT4,由于变压器漏感及副边滤波电感的作用,原边电流不能突变,VT4即是零电流开通。
这种采用超快恢复二极管阻断原边反向电流方式的移相式ZVZCS PWM全桥变换器拓扑的理想工作波形如图2所示,其中Uab表示主电路图3中a、b两点之间的电压,ip为变压器T原边电流,Ucb为阻断电容Ub上的电压,Urect是副边整流后的电压。
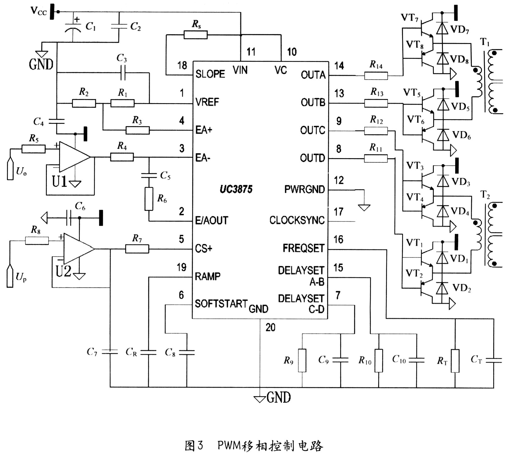
2 基于UC3875的主控制回路设计
为了实现主回路开关管ZVZCS软开关,采用UC3875为其设计了PWM移相控制电路,如图3所示。考虑到所选MOSFET功率比较大对芯片的四个输出驱动信号进行了功率放大,再经高频脉冲变压器T1、T2隔离最后经过驱动电路驱动MOSFET开关管。整个控制系统所有供电均用同一个15V直流电源,实验中设置开关频率为70kHz,死区时间设置为1.5μs,采用简单的电压控制模式,电源输出直流电压通过采样电路、光电隔离电路后形成控制信号,输入到UC3875误差放大器的EA一,控制UC3875误差放大器的输出,从而控制芯片四个输出之间的移相角大小,使电源能够稳定工作,图中R6、C5接在EA一和E/AOUT之间构成PI控制。在本设计中把CS+端用作故障保护电路,当发生输出过压、输出过流、高频变原边过流、开关管过热等故障时,通过一定的转换电路,把故障信号转换为高于2.5V的电压接到CS+端,使UC3875四个输出驱动信号全为低电平,对电路实现保护。
图4是开关管的驱动电路。隔离变压器的设计采用AP法、变比为l:1.3的三绕组变压器。UC3875输出的单极性脉冲经过放大电路、隔离电路和驱动电路后形成+12V/一5V的双极性驱动脉冲,保证开关管的稳定开通和关断。
3 仿真与实验结果分析
PSpice是一款功能强大的电路分析软件,对开关频率70kHz的ZVZCS软开关电源的仿真是在PSpice9.1平台上进行的。
实验样机的主回路结构采用图1所示的电路拓扑,阻断二极管采用超快恢复大功率二极管RHRG30120,其反向恢复时间在100ns以内,满足70kHz开关频率的要求。开关管MOSFET采用IXYS公司的IXFK24N100开关管,这种型号MOS管自身反并有超快恢复二极管,其反向恢复时间约250ns,因此主回路中超前桥臂无需另外再接反并超快恢复二极管,VD1、VD2就利用开关管自身的反并二极管已满足要求,C1、C2利用开关管的结电容,其容值大约为8.2nF。根据实验样机的要求以及相关计算,制作主变压器时,原、副边变比选为1:2.6,主变压器的设计采用了AP法,结合实际制作过程中的反复实验,最后选择型号为EE55的软磁铁氧体磁心作为主变压器的磁心,原边10匝,副边26匝,导线均为多股漆包线,绕制方式:最里层副边13匝、中间层原边10匝、最外层副边13匝,变压器原边电感222μH、漏感1.8μH,副边电感1490μH、漏感9.2μH。副边输出电感的设计同样采用AP法,铁心采用EI型的软磁铁氧体,多股导线并绕。
图5是超前桥臂开关管驱动电压与管压降波形图,(a)为仿真波形、(b)为实验波形,可见超前臂开关管完全实现了ZVS开通,VT1、VT2关断时是依赖其自身很小的结电容来实现的,从图中可以看出,关断时也基本实现了ZVS关断。
图6是滞后桥臂开关管驱动电压与电流波形图,(a)为仿真波形、(b)为实验波形;图7是滞后臂开关管管压降与电流波形图,(a)为仿真波形、(b)为实验波形,从图6、图7可以看出滞后臂开关管VT3、VT4很好地实现了ZCS关断,关断时开关管电流已经为零;滞后臂开关管完全开通之前,开关管电流也几乎为零,基本实现了ZCS开通。而且滞后桥臂开关管VT3、VT4可以在很大负载范围内实现ZCS开关。
图8是两桥臂中点之间的电压Uab的波形图,(a)为仿真波形、(b)为实验波形。图9是阻断电容Cb上的电压U曲波形,(a)为仿真波形、(b)为实验波形。从图上可以看出,由于有Ucb的存在,Uab不是一个方波。当Uab=0时,阻断电容Cb上的电压Ucb使原边电流ip逐渐减小到零,由于阻断二极管的阻断作用,ip不能反向流动,从而实现了滞后桥臂的ZCS开关。
4 结论
本文在介绍了移相谐振控制芯片UC3875的工作特点并详细分析了采用串联阻断二极管的移相式ZVZCS PWM软开关工作特性的基础上,设计了一台1.2kW、开关频率70kHz的全桥软开关直流电源,并应用PSpice软件进行了仿真,实验结果与仿真结果基本符合。实验表明以UC3875为核心的控制部分结构简单可靠,电源主电路开关管均实现了软开关,并克服了单纯的ZVS或ZCS软开关模式的缺点,可有效减小开关管开关过程引起的损耗,有利于提高电源开关频率,减小电源体积和重量。
