引 言
功率场效应管MOSFET是一种单极型电压控制器件,它不但具有自关断能力,而且具有驱动功率小,关断速度快等优点,是目前开关电源中常用的开关器件。采用MOSFET 控制的开关电源具有体积小、重量轻、效率高、成本低的优势,因此,较适合作仪器电源。本文给出了一种由MOSFET 控制的大范围连续可调(0~45V) 的小功率稳压电源设计实例。
总体结构与主电路
图1 为该电源的总体结构框图。工作原理如下:

图1 原理方框图
全桥整流电路将电网电压220V 整流成不可调的直流电压Ud = 1. 2U约等于198V。两个等值滤波电容上的电压分别为99V 以上,经DC/AC 变换器逆变之后输出20kHz、脉宽可调的交流电压,又经高频变压器的两个副边分正负半周送入整流滤波电路,输出直流电压。该电源直流输出电压的大小靠 PWM发生器的输出脉冲宽度来控制。
主电路如图2 所示。

图2 主电路
主电路中实现DCPAC 变换的关键元件是功率场效应管VT1 和VT2 。当VT1 管开通,VT2 截止
时,电路中的电流从电容C1 正极到VT1 的D1 - S1 ,再通过变压器原边回到电容器C1 的负极形成回路,uAB为正电压。变压器的副边感应电压同名端为正,VD1 导通,输出U0 上正下负。
当VT2 开通,VT1 关断时,同样可推出上述结论:U0 上正下负。U0 的大小取决于控制电路使VT1 、VT2 的导通时间。
控制电路
控制电路功能是实现PWM 波形合成及可控DC/AC 变换器的隔离驱动。
PWM波形的产生
该电路的电源设计是以三端集成稳压器为核心的±15V 直流稳压电源。
(1) PWM的控制原理
脉宽PWM波形产生采用功能强大的TL494 定频调制芯片,该芯片有16 个引脚,内部电路与外围电路如图3 示。

图3 TL494 内部电路及外围电路
TL494 芯片的引脚13 低电平时,引脚8 和11 同步工作,单端输出;引脚13 高电平时,引脚8 和11推挽工作,双路输出。本电路采用后种工作方式。该芯片的最高工作频率为300kHz ,实际工作频率由引脚5、6 所接的电阻与电容决定,其振荡频率算式为f = 1.1P(RTCT ) ,本设计选择的振荡频率为20kHz ,锯齿波在片内被送到比较器1 和2 的反相端。锯齿波与片内的误差放大器的输出在PWM 比较器2 中比较,而死区控制电平与锯齿波在死区时间比较器1 中比较,两者的输出分别为一定宽度的矩形波,它们同时送到或门电路,经分频器分频后,再经相应的门电路去控制内部三极管交替导通,使得引脚8 和11 向外输出相位互差180°的PWM 波形。其工作波形如图4 所示。

图4 工作波形
误差放大器1 的反相端(引脚2) 接可调给定电压Ug 。改变Ug ,可改变引脚3 的电压值,从而改变PWM比较器2 输出波形的宽度,实现U0 从0~45V连续可调。
(2) 死区时间的控制
为了保证开关器件VT1 与VT2 在一只管子关断另一只管子开通时有足够的时间间隔,防止功率开关元件上下直通造成的直流侧短路,该电路用引脚4 控制两个开关器件的死区时间。由内部基准源引脚14 串联电容器C5 提供死区电压参考数值,并通过R5 接地来共同决定死区时间最小值Toff (min) 。
另外,在输入电源刚接通时,R5 与C5 又构成软起动器。由于电容上的电压不能突变,所以起动瞬间,死区控制端4 与内部基准电压14 端等电位,为高电平,死区比较器1 也输出高电平,封锁输出端的两个晶体管;随着电容电压的不断上升,4 端电位逐渐降低,这两个晶体管才逐渐开通,使得该电源的输出电压不会突变,实现软起动。正常工作时,R5 上的电压约为0。这时主电路开关元件的导通时间(它决定正常工作时的输出电压值) 将由接入误差放大器1 反相端的给定电压Ug 和接入同相端的反馈电压Uf 比较确定。
隔离、驱动电路
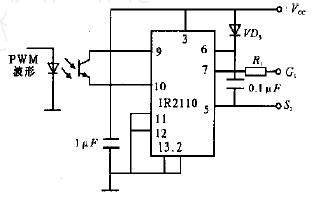
VT1 、VT2 采用专用集成驱动模块IR2110 来驱动,隔离驱动电路如图5 所示:

图5 IR2110 驱动模块及外部接线电路
过压过流保护
为改变负载曲线,保护MOSFET的安全运行,防止过电压和减小du/dt ,在MOSFET 的D1 - S1 间并入电阻、快速二
极管和电容组成的过电压吸收电路。过流信号从主电路检出,从引脚16 送向误差放大器2的同相端,引脚15 为比较基准,当出现过流时,引脚16 的电压上升,则比较器2的输出引脚3为高电平,封锁脉宽信号。
结束语
该电源尽量采用在工业环境下具有高可靠性的常用集成电路及功率模块,以易实现、易维修为出发点,以实用性为宗旨。经过实验验证,本电路抗干扰能力强,输出电压稳定,工作可靠,输出电流可达15A ,较适合于做仪器和装置的直流供电电源,有较好的推广价值。
