1 引言
免维护蓄电池(简称蓄电池)以易用、价廉和储能比高等优良性能在电动自行车、电动游览车及不间断电源系统中得到广泛的应用,成为普及率最高的电能储能设备。目前的蓄电池充电器绝大多数以恒流恒压方式充电,没有考虑环境温度变化对蓄电池充电过程的影响,影响了蓄电池性能的充分发挥和使用寿命。笔者结合蓄电池的充电特性,以P89V51RD2型微处理器为控制核心,开发了多功能数字式蓄电池充电机,实现了对36 V以下、100 Ah以内的蓄电池的初充、激活、快充和正常充电等功能,同时根据环境温度变化,自动调整充电终止电压,实现了充电过程的智能化。
2 蓄电池充电特性
蓄电池的充电是一个复杂的电化学过程。影响充电效果的因素很多,温度即是其中之一。图1所示是以新的12 V/100 Ah蓄电池为对象,以0.1 CA(CA为蓄电池的标定容量,单位为A·h)的标准恒定电流在不同环境温度下的充电特性曲线。由图1可以看出,在充电过程中,温度的改变会对充电电压产生重要影响。温度在O℃~5℃时,其充电端电压会上升约2%,在10℃~25℃时充电端电压上升约1.5%,而在35℃~40℃时充电端电压下降
约1%;当温度高于55℃时充电端电压下降5%。由此可见,采用恒压充电模式,在冬季充电可能不足,而在夏季蓄电池可能过充电。实践也证明,蓄电池在充电过程中电压随时间呈指数规律下降,即使是相同型号、相同容量的蓄电池,因放电状态、使用和保存期的不同,其充电性能也大不一样。因此,不可能按恒流或恒压进行充电。

3 主要元器件
TLC2543是11通道高速A/D转换器,采样速率达200 kHz,其输入命令格式如表1所示,工作时序如图2所示。


OCM2X8C是:128x32点阵液晶显示模块,可显示汉字及图形,内置8192个汉字(16x16点阵)、128个字符(8x16点阵)。可与CPU直接接口,提供8位并行及串行连接方式,具有多种功能光标显示、画面移位、睡眠模式等功能。因微处理器引脚数量限制,在系统中采用串行通信模式。各引脚功能如表2所列。

P89V51RD2是一款与80C51单片机完全兼容的高性能微控制器,内部集成了64 KB Flash和1024字节RAM,可提供6个机器周期和12个机器周期,最高时钟为40 MHz。支持ISP编程、PWM输出、PCA可编程计数阵列和可编程看门狗定时器等。
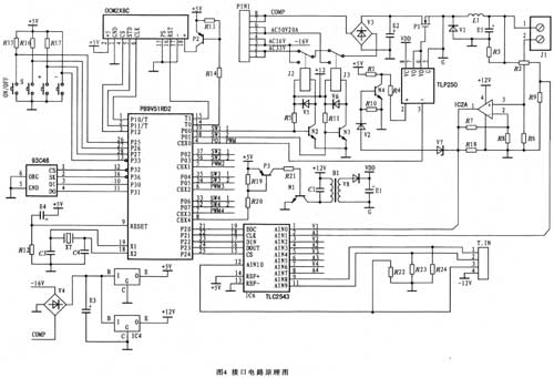
4 系统工作原理及接口电路设计
本系统主要由微处理器控制系统、中文液晶显示、PWM充电输出、A/D转换器和键盘扫描等组成,其结构框图如图3所示。

微处理器是系统的控制核心,模拟TLC2543的工作时序,控制TLC2543分别对蓄电池的端电压、充电电流及温度进行采样,完成A/D转换,对采样结果进行运算和分析判断,然后控制PWM输出电路,改变充电电流和调整充电端电压。接口电路如图4所示。

键盘系统有4个按键:ON/OFF键是充电过程启停控制键;S键是循回功能选择键,主要有工作模式、蓄电池电压、容量、充电模式、时间限定等;“+”键和“-”键是工作参数调整键,工作模式分为自动和手动,蓄电池电压有6 V、12 V、18 V、24 V、30 V、36 V,容量项从2Ah至120Ah,共26项,充电模式为正常、初充、激活、快充,时间限定功能可以设定充电开始的时间和充电结束时间等。
由微处理器模拟TLC2543的工作时序,通过P20、P21、P22、P23和P24与TLC2543相连,对A/D转换过程进行控制。TLC2543的AIN0监控第一PWM输出通道的充电电流,AINl监控第一PWM输出通道的充电端电压。AIN2和AIN3、AIN4和AIN5、AIN6和AIN7分别用于第二、三、四PWM输出通道。AIN8、AIN9、AINl0分别通过T_IN端子连接AD590型温度传感器,AIN8、AIN9测量蓄电池充电温度,AINl0测量环境温度。
PWM充电电路的PINl为ACl6 V/30 A、AC33V/25 A和AC50 V/20 A电源输入端,由微处理器根据不同的输入蓄电池的端电压,通过继电器J2和J3自动选择合适的交流电源。PWM脉冲由CEX0输出,通过TLP250型光电耦合器驱动N沟道功率MOSFET输出。R6为充电电流采样电阻器,阻值为O.1 Ω。IC2A构成增益为3.3的放大器,对充电电流流经采样电阻器的电压进行放大,并输出到TLC2543的AINO端进行A/D转换。当检测到充电电流过大时,增大PWM占空比,反之减小占空比。当充电电流大于15 A时,若PWM控制电路还没有及时调整到正常范围,IC2A输出电平高于5.4 V时,会击穿4.7V稳压管V7,经V2使三极管N4导通,通过TLP250和P1关断输出电源,保护供电系统。
充电端电压由R2和R9分压后,输送到AINl端。充电端电压是判断充电过程的主要依据,低于蓄电池标称电压的13%一般是因为过放电或存放时间过长,采用0.1 CA的平均脉冲电流充电;充电端电压在标称值±13%内时,则采用0.35 CA的充电电流实施快速充电;当充电端电压接近或高于标称+13%时,充电电流逐渐减小,当充电端电压达到进行温度修正后上限值时,通过改变PWM的占空比,使用极小的电流充电。采用分段式脉冲充电方式,能够改善蓄电池性能和提高蓄电池的充电接受率。
第二路PWM、第三路PWM和第四路PWM与此相同。
微处理器P89V51RD2的CEX4引脚、P3、N1及Bl组成独立电源,为TLP250供电,驱动N-MOSFET输出。电压由软件调整。
5 软件设计
5通道PWM输出公用1个PCA计数器,输出频率相同,占空比各自独立。与PWM输出相关的特殊计数器有PCA计数方式寄存器CMOD、计数控制寄存器CCON、PCA计数器CH、CL,5个模块工作模式寄存器CCAPMO_4和5个捕获计数器CCAP0_4H、CCAP0_4L。在PWM模
式时,当计数器CL
程序用KEIL C51 Ver 6.12编译调试。主程序逻辑框图如图5所示。
6 结束语
实验证明,采用分段定电流充电法及PWM脉冲充电技术,结合蓄电池的温度特性,以P89V51RD2型微处理器为控制核心的智能化多功能蓄电池充电系统适应性强,能有效提升蓄电池的充电接受率,改善蓄电池性能,缩短充电时间。
