1 引言
车辆在行驶过程中,DYC(横摆力矩)电路处于工作状态,突遇紧急状况,需要踩刹车进行控制,此时DYC电路停止工作,ABS(防抱死系统)电路处于工作状态,如何实现两个电路系统的快速高效可靠的切换,是本文研究的重点。
2 控制系统模型
车辆稳定性控制系统模型如图1所示:

图1 车辆稳定性控制系统模型
当车辆在行驶过程中遇到紧急情况,驾驶员踩刹车,此时,为了防止车轮抱死,发生危险,ABS(防抱死系统)电路开始工作,DYC(横摆力矩)电路停止工作;当不踩刹车,车子行驶过程中,DYC(横摆力矩)电路在工作中,为了防止侧偏等危险的发生。本文需要设计一个切换电路从而实现在ABS和DYC两电路中高速瞬时切换,提高驾车的安全性。
3 接口系统设计原理
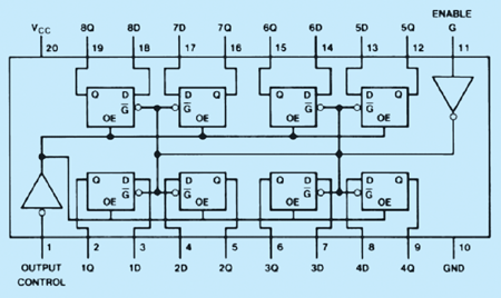
3.1 切换电路原理
切换电路原理图如图2所示:

图2 切换电路原理图
电路图采用两片74LS373三态门的8路锁存器,和一个CD4069反相器构成。上拉电阻10MΩ在不输入电位的时候锁存端的电位自动保持高电位,此时输入信号随输出信号变化。
74LS373 片内是8个输出带三态门的D锁存器,其结构示意图见图3所示。当使能端G呈高点平时锁存器中的内容可更新,而在返回低电平瞬间实现锁存。如此时芯片的输出控制端为低,也即输出三态门打开,锁存器中的地址信息便可经由三态门输出。除74LS373外,84LS273、8282、8212等芯片也可用作地址锁存器,但使用时接法稍有不同,由于接线稍繁、多用硬件和价格稍贵,故不如74LS373用的普遍。因此考虑到成本和电路的简单易行性,采用74LS373 作为接口系统电路设计的主要芯片。74LS373功能表如附表。图3示出结构原理。

图3 74LS373结构原理
附表 74LS373功能表

注:L:低电平 H:高电平 X:不管 Z:高阻 在稳态输入前输出信号电平已经建立
3.2 电路工作原理
车辆平稳操纵时候,DYC(横摆力矩)电路工作,当踩刹车时候,信号变为1(高电平),此时选中第一片74LS373芯片,8个输入通道,输出信号就使ABS电路工作,防止车轮抱死。实现了DYC与ABS电路之间的高速度,高可靠性的切换。
4 可靠性设计
4.1 电源的可靠性
车载电源为蓄电池12V,而74LS373的电压需要5V,所以在设计的过程中涉及到DC-DC的转换。在此,选择7805, 7805是三端稳压器,可以转为稳定的5V电压。众所周知,稳压电源直流输出需要进行滤波,开关电源的输出噪音主要分两类:差模噪音和共模噪音。差模噪音主要由输出部分的开关管导致的,典型的由开关二极管产生。加LCR滤波或在二极管上串饱
和磁珠能显著的抑制这种噪音。共模噪音大量存在于隔离开关电源中,主要由输入端的开关管产生。这种噪音通过开关变压器耦合到输出。加LCR滤波几乎没效果。解决这种噪音有三个方法:在输出和输入的地之间加个电容几百到几千微微法;在输入整流之前加几十毫亨的电源滤波电感;在开关三极管附近加电容。这里可在导线或电阻上套一个磁珠,相当于功率电感起滤波作用,对高频有抑制作用,主要是1MHz以上噪声。
4.2 输入输出口可靠性设计
可以采用光电隔离技术,主要作用:隔离不同电气特性的电路,如模拟电路和数字电路,放大电路是模拟电路而增益控制则是数字电路,增益控制信号通过光电耦合器件传递控制信号,避免数字电路和模拟电路发生耦合,电力电子系统中使用光电隔离开关,可隔离高电压电路,实现低压电路控制高压电路,用光电耦合器件传递控制信号。
4.3 PCB设计中抗干扰措施
(1) 布局
考虑PCB尺寸大小,PCB尺寸过大、印制线条长、阻抗增加、抗噪声能力下降、成本增加;过小则散热不好,且邻近线条易受干扰。在确定尺寸后,确定特殊元件位置。最后,根据电路的功能单元,对电路的全部元件进行布局。在确定特殊元件的位置时要遵守以下原则:尽量缩短高频元件间连线,设法减少分布参数和相互间电磁干扰,易受干扰元件不能挨得太近,输入和输出元件应尽量远离;某些元件或导线之间可能有较高电位差,应加大它们间的距离,以免放电引出意外短路,带高电压元件应尽量布置在调试时手不易触及的地方;重量超过15g的元器件,应用支架固定然后焊接,那些又大又重、发热量多的元件,不宜装在印制板上,而应装在整机的机箱底板上,且应考虑散热问题,热敏元件应远离发热元件;对于电位器、可调电感线圈、可变电容器、微动开关等可调元件的布局应考虑整机结构要求,若是机内调节,应放在印制板上方便于调节的地方,若是机外调节,其位置要与调节旋钮在机箱面板上的位置相适应;应留出印制板定位孔及固定支架所占用的位置。
(2) 元件布局
根据电路的功能单元,对电路的全部元器件进行布局时,要符合以下原则:
按照电路的流程安排各个功能电路单元的位置,使布局便于信号流通,并使信号尽可能保持一致的方向。
以每个功能电路的核心元件为中心,围绕它来进行布局。元器件应均匀、整齐、紧凑地排列在PCB上,尽量减少和缩短各元器件之间的引线和连接。
在高频下工作的电路,要考虑元器件之间的分布参数。一般电路应尽可能使元器件平行排列。这样,不但美观,而且装焊容易,易于批量生产。
位于电路板边缘的元器件,离电路板边缘一般不小于2mm。电路板的最佳形状为矩形,长宽比为3:2或4:3。电路板面尺寸大于200×150mm时,应考虑所受机械强度。
(2) 布线:
输入输出端用的导线应尽量避免相邻平行,最好加线间地线,以免发生反馈耦合。
当铜箔厚度为0.05mm、宽度为l~1.5mm时,通过2A的电流,温度不会高于3度,因此,导线宽度为1.5mm可满足要求。对于集成电路,尤其是数字电路,通常选0.2~0.3mm导线宽度。对于集成电路,尤其是数字电路,只要
工艺允许,可使间距小至5~8mm。
印制导线拐弯处一般取圆弧形,而直角或夹角在高频电路中会影响电气性能。尽量避免使用大面积铜箔否则,长时间受热时,易发生铜箔膨胀和脱落现象。必须用大面积饲箔时,用栅状有利于排除铜箔与基板间粘合剂受热产生的挥发性气体。根据印制线路板电流的大小,尽量加粗电源线宽度,减少环路电阻。同时,使电源线、地线的走向和数据传递的方向一致,这样有助于增强抗噪声能力。
5 结束语
综上所述,ABS和DYC电路之间的切换由一个反相器CD4069和两片74LS373可以完成,电路简单明了,效率高,价格便宜,经测试运行,完全符合功能要求。很好地控制了车辆运行的稳定性。
