1 引言
随着电力电子(PE)技术的飞速发展,人们对电力系统供电的可靠性、安全性以及电能的质量,提出了越来越高的要求。然而,电网中存在包括化工、冶金、煤矿及家用电器等大量非线性负荷与冲击负荷,尤其是大功率变流设备、晶闸管整流装置、电弧炉等负荷,导致电网中暂态冲击、无功功率、高次谐波及三相不平衡等问题日趋严重,对电网造成污染,增大能量损耗,劣化供电质量,不利于电力系统发、供、用电设备的安全、经济运行。特别是高次谐波的干扰,已构成当前电网中影响电能质量的一大“公害”。因此,解决电力系统谐波抑制及无功补偿、确保供电的质量,已成为大家关注的热门课题。
2 高次谐波的危害及现代控制系统的要求
电力系统中三相交流发电机输出的电压,其波形基本为正弦波,即波形中近似无直流及高次谐波分量。就基波而言是对称分量,三相向量之和为零,对外不形成电磁场。但谐波电流分量则因三相向量之和不为零,能形成较强的磁场,对电网产生各种有害的影响。
2.1 对电能质量的影响
非线性负荷是谐波源,向电网注入整倍数于基波频率的谐波电流分量。这些谐波电流在电网上产生谐波压降,从而引起电网电压和电流的波形畸变,导致电能质量的劣化。
2.2 对配电网的影响
在有色金属导体中,基波电流的分布可近似认为在整个截面内是均匀的。通过谐波电流时,由于集肤效应电流集中在导体表面薄层,增大了谐波电流回路的电阻,使导体的有效电阻增加,导致电网的功率损耗和能量损耗加大。高次谐波还可能使电力系统发生电压谐振,从而在线路上引起高电压,有可能击穿线路设备的绝缘。
2.3 对电力系统功率因数的影响
由于设备实际的功率因数小于设备在理想条件下的功率因数,故高次谐波增加了用电设备消耗的功率,降低了系统的功率因数。
2.4 变频调速系统的要求
变频调速传动系统的变频器,因具有高效节能的特点而成为交流传动中的重要组成部分,但变频器的整流桥对电网来说是非线性负荷,其逆变器又大多采用PWM技术,当工作于开关模式并作高速切换时会产生大量的耦合性噪声,EMI严重,致使变频器运行于恶劣的电磁环境,其输入和输出侧的电压、电流含较多的高次谐波。故变频器运行时既要防止外界干扰它,又要防止它干扰外界,即实现所谓的电磁兼容性(EMC)。
2.5 现代交流电机控制系统的要求
随着新的PE变换器拓扑结构的不断涌现,要求的计算量和控制功能大幅度增加。随着PE装置高压大容量化的发展,DSP(数字信号处理器)控制技术的应用将愈益广泛。然而,PE系统和电机控制系统的电磁环境往往较为复杂,且因运行频率很高,DSP的抗干扰能力通常比微处理器更弱。因此,提高DSP及周边电路的抗干扰能力,对于保证系统的可靠运行密切相关,电网的“净化”是现代PE系统及交流电机控制系统发展应用的重要前提。
3 抑制高次谐波的主要指标
3.1 加装交流滤波装置(无源滤波器)
在配电系统中,传统的谐波抑制和无功补偿方法是将无源电力滤波器与需补偿的非线性负荷并联,为谐波提供一个低阻通路的同时,也提供负载所需的无功功率,这是最常见和实用的方法。该装置利用电感和电容器贮能元件。根据谐振原理,通过滤波电路对需要消除的高次谐波进行调谐,使之发生谐振。以便其在谐振时得到阻抗最小的特性,有效消除指定次数的谐波,并在谐波源附件就地吸收谐波电流,从而不使其注入电网中去。该装置的优点是投资少、效率高、结构简单。运行可靠及维护方便,运行费用也低,不但起到滤波作用,还能进行无功补偿。因此,无源滤波器是目前广泛采用的抑制谐波及无功补偿的重要手段。但该方法的补偿特性受电网阻抗、频率和运行工况的影响,只能起到对某几次固定频率谐波的抑制效果,而很可能对其它次谐波有放大作用,使滤波器过载甚至烧毁。另外,LC滤波电路会因系统阻抗参数变化而产生与系统并联谐振问题,影响和后果严重。
3.2 有源电力滤波器的应用
APF是一种新型可动态抑制谐波的PE装置。其滤波方式为:先从补偿对象中检测出谐波电流,再利用可控的功率开云棋牌官网在线客服器件(补偿装置)向电网注入与谐波源谐波分量(I或U)幅值相等、相位相反的谐波分量(I或U),使电源的总谐波为零,达到实时补偿谐波的目的。经经验证明,APF是抑制谐波和补偿无功的理想和灵活的可行方案,下面予以重点介绍。
4 有源电力滤波器(APF)
APF是抑制电网谐波和补偿无功功率、改善电网供电质量的最有效PE装置。大多数APF拓扑均利用电压源逆变器,并通常以电容器作为贮能器件如图1所示。以适当选通可控的功率开云棋牌官网在线客服开关,把直流电压变换成交流电压。虽然,为合成交流电压能施加每半周的单脉冲,但对大部分应用中要求的动态性能,今天普遍采用的是脉宽调制(PWM)。

图1 电压源逆变器的APF拓扑
为产生任意波形的交流电压,将PWM技术应用到直流母线电压斩波的电压源逆变器上。现有很多能组成正弦波或任意波形的PWM技术,利用PWM技术,不仅允许控制逆变器作为电压源,也可作为电流源以控制滤波器的交流输出。图2为所利用的最普通的三角载波(TC)技术,这是最简单的线性控制方法,是将有固定幅值的和固定三角波的输出电流误差进行比较。迫使开关周期内的输出电压Va限定于Vcar的载波周期内,并等于调制波Varef的平均幅值。正弦调制波的合成电压含正弦基波分量Va(f)和不希望的谐波分量,利用尽可能高的频率载波,可使这些不想要的谐波成分减到最小,但这取决于开云棋牌官网在线客服功率器件(IGBT、 GTO或IGCT)的最大开关频率。

图2 PWM载波技术(三角载波)
与传统的无源LC滤波器相比,APF具有以下优点:
(1) 对各次谐波和分数谐波均能有效抑制,且可提高功率因数;
(2) 作为高次谐波电流源,不受系统阻抗的影响;
(3) 无谐振现象,系统的结构、阻抗及频率的变化不会影响补偿效果;
(4) 原理上比LC滤波器更优,起用1台装置就能完成各次谐波和基波无功的补偿,还可抑制闪变,有1机多能的特点,性价比较合理;
(5)即使高次谐波的频率变化也能准确地补偿;
(6)由于装置本身能完成输出限制,故当高次谐波量增大时也不会过载。其主要特点是能对频率和幅值都变化的谐波进行跟踪补偿,且补偿特性不受系统阻抗的影响,具有自适应功能。同时对变化的无功功率有较好的预想补偿效果。因此,APF是今后谐波抑制的首选方案。
APF大体上可分为并联型和串联型,串联型适合补偿电压型谐波源负荷;并联型只适合补偿电流型谐波源负荷。此外还有并联和串联组合的并-串结构,而且在很多情况下还会与无源LC滤波器混合使用,以取得更好的综合效果。
4.1 并联APF
图3所示为并联型APF产生的补偿电流,利用了电流源逆变器三种不同的调制技术,分别为周期采样(PS)、三角载波(TC)和滞环控制(HB)。PS法是在固定(采样)频率的方波时钟转移时,APF的功率晶体管开关动作。TC法利用一个三角波和高次谐波比较,从而得到不同时刻逆变器的开关状态。此法的响应速度较快,但开关频率不固定且较高,产生噪音和较大的开关损耗与高频失真。HB法则是给定一个允许容差带,只要高次谐波的大小超过这个容差带,逆变器开关动作。但开关频率、损耗及控制精度均受容差带宽度的影响,容差带宽越小,控制的精度越高。当然,开关频率和开关损耗也加大了。通常,HB可获得较好的控制性能,它兼有快速响应和简单易行的特点而被广泛使用。图3显示HB法是这一特定波形与应用中最好的方法,但在要求正弦波形时,TC法较优。

图3 不同调制技术下的电流波形
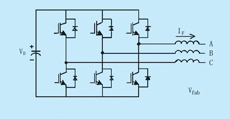
带自控直流母线的并联APF,有一类似于静态补偿器(STATCOM)的拓扑,STATCOM是用于电力系统中补偿无功功率的。并联的APF,以注入相等而反向的谐波电流对负荷电流的谐波进行补偿。此时,并联APF是作为注入谐波分量的电流源而工作的,谐波分量由负荷产生,但已移相180o。图4为并联 APF的接线图,图5表示APF补偿的工作原理。为能输出图5所示滤波器电流波形的IF,需要设置图4中的控制电路,以便产生图6所示的Vfab脉宽调制电压图。

图4 并联型APF的拓扑

图5 产生的滤波器电流用以补偿负荷电流谐波
图5中:is为电网电流;iL为负荷电流;iF为补偿电流;iL=基波分量iL1+高次谐波分量iLh+无功分量iLq。
图5中各电流满足关系式:is=iF+iL,如果由APF提供的补偿电流iF=-iLh-iLq,则is=iL1,即电网电流只含基波分量,起到滤波作用。并联型APF主要适用于电流型非线性负荷谐波电流的抵消以及补偿无功和三相不平衡等。

图6 为补偿负荷谐波的电流波形和PWM电压
4.2 串联APF
串联型APF是从1980年未引用于电网的,它主要作为电压调节器及电网与非线性负荷之间的谐波隔离器而工作的。图7为串联APF的接线图,通过匹配变压器将APF串联于电源和负荷之间,以消除电压谐波、平衡或调正负荷的端电压,可确保用户供电的电压质量,尤其适合于补偿交流电源及小功率应用中的电压不平衡与电压的下陷。因不需能量贮备(蓄电池),元器件的总定额较小,对UPS更为经济有效。串联APF注入与电源电压串联的电压分量,故可视为一可控的电压源,补偿负荷侧的电压下陷和上凸。但串联型APF损耗较大,且各种保护电路也较复杂,故很少单独使用。经常用它与无源LC滤波网络组成混合型APF。如图 7所示,无源LC滤波器与负荷并联,串联型APF的工作如同一台谐波隔离器,迫使负荷电流谐波主要通过无源滤波器循环,而不经过配电系统。此方案的优点是:串联APF的额定功率仅为负荷定额(KVA)的一小部分,通常为5%。但在电压补偿时,串联APF的视在功率定额可能增加。图8是串联滤波器为补偿负荷侧电压谐波的工作原理图。串联APF还可用于抗基波电压的干扰。图9所示为电源电压偶然跌落时串联APF所起的作用。如图8所示,负荷电压几乎保持恒定,仅在电源电压跌落的起始和最后瞬间,出现了很小的不稳定和振荡。

图7 带并联无源滤波器的串联型APF拓扑

图8 用于补偿电压干扰的滤波器电压

图9 电源电压干扰时,串联APF的补偿功能
4.3 串-并型APF
串-并型APF为串联APF与并联APF之组合,图10为其组合拓扑。并联APF配置在负荷侧,能用于补偿负荷谐波,而串联APF置于电源侧,可起到谐波的阻隔过滤作用。该拓扑又称为万能APF或统一电能质量调节器(UPQC)。串联部分补偿电源电压谐波及电压不平衡,作为谐波的闭锁过滤器,并抑制电力系统的振荡。并联部分补偿负荷电流谐波、无功功率以及负荷电流的不平衡。此外,它能调节直流线路的电容电压。由并联部分提供或吸收的功率是串联补偿器所要求的功率及为补偿损耗需要的功率。该类APF的主要问题是控制复杂、造价高。

图10 统一电能质量调节器(UPQC)
4.4 利用多级逆变器的新拓扑
一直处于研究阶段的多级逆变器,最近被用于APF拓扑中,图11为配有三级逆变器的并联APF,今天在大多数的逆变器应用领域,三级逆变器已愈益普及,例如功率因数补偿器。多级变换器的优点是能降低APF产生的谐波含量。因与普通变频器比较,能输出更多(>2级)的电压,这一特点有利于减少滤波器本身产生的谐波。另一优点是能减少开云棋牌官网在线客服电压或电流的定额,以及减少所需的开关频率。

图11 采用3级逆变器的并联型APF
多级逆变器应能建立多级的电压,故输出电压的质量更佳。基于多段连接的“H”型变换器,并增配有3级不同的直流电压源,这是产生很多级电压的最新方法。利用该技术,仅需很少几个串联变换器即能获得很好的电压波形。在脉宽调制的同时,又能调幅。图12所示,仅以每相4个“H”变换器(4段逆变器)就可产生 81级电压的调幅,故可实现“无谐波”的APF特性。图13为在实验室完成的“4段81级”并联型有源电力滤波器。

图12 能调幅的“4段81级”逆变器(单相)

图13 并联型有源电力滤波器
5 结束语
采用有源电力滤波器(APF)的抗干扰技术对抑制电力系统高次谐波,改善供电质量极其重要。文中介绍了采用有源电力滤波器(APF)的抗干扰技术,列举了各种新颖实用的拓扑结构。随着电力电子(PE)技术的飞速发展,这项技术仍在发展之中。
