引言
基于SRAM工艺FPGA在每次上电后需要进行配置,通常情况下FPGA的配置文件由片外专用的EPROM来加载。这种传统配置方式是在FPGA的功能相对稳定的情况下采用的。在系统设计要求配置速度高、容量大、以及远程升级时,这种方法就显得很不实际也不方便。本文介绍了通过ARM对可编程器件进行配置的的设计和实现。
1 配置原理与方式
1.1配置原理
在FPGA正常工作时,配置数据存储在SRAM单元中,这个SRAM单元也被称为配置存储器(Configuration RAM)。由于SRAM是易失性的存储器,因此FPGA在上电之后,外部电路需要将配置数据重新载入到片内的配置RAM中。在芯片配置完成后,内部的寄存器以及I/O管脚必须进行初始化。等初始化完成以后,芯片才会按照用户设计的功能正常工作。
1.2配置方式
根据FPGA在配置电路中的角色,其配置数据可以使用3种方式载入到目标器件中:
·FPGA主动(Active)方式;
·FPGA 被动(Passive)方式;
·JT
AG 方式;
在FPGA 主动方式下,由目标FPGA来主动输出控制和同步信号(包括配置时钟)给专用的一种串行配置芯片,在配置芯片收到命令后,就把配置数据发到FPGA,完成配置过程。在被动方式下,由系统中的其他设备发起并控制配置过程,FPGA只输出一些状态信号来配合配置过程。被动方式包括被动串行PS(Passive Serial )、快速被动并行FPP(Fast Passive Parallel)、被动并行同步PPS(Passive Parallel Serial)、被动并行异步PPA(Passive Parallel Asynchronous)、以及被动串行异步PSA(Passive Serial Asynchronous)。JTAG是IEEE 1149.1边界扫描测试的标准接口。从JTAG接口进行配置可以使用Altera的下载电缆,通过Quartus工具下载,也可以采用微处理器来模拟JTAG时序进行配置。
2硬件电路设计
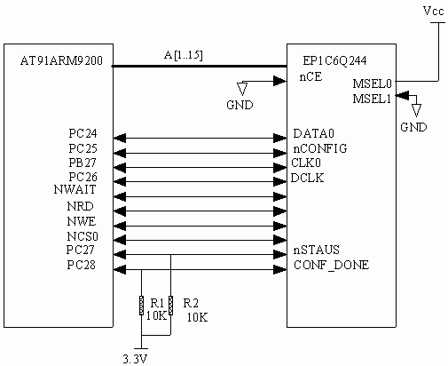
AT91ARM9200对EP1C6配置的硬件电路示意图如图1所示。
在配置FPGA时,首先需要将年nCONFIG拉低(至少40us), 然后拉高。当nCONFIG被拉高后,FPGA的nSTATUS也将变高,表示这时已经可以开始配置,外部电路就可以用DCLK的时钟上升沿一位一位地将配置数据写进FPGA中。当最后一个比特数据写入以后,CONFIG_DONE管脚被FPGA释放,被外部的上拉电阻拉高,FPGA随即进入初始化状态。

图 1 ARM配置FPGA电路原理图
3软件设计
本文在设计时使用Linux系统,软件编写和调试是在ADS 下。主要程序如下:
static AT91PS_PIO pioc;
inline void pioc_out_0 (int mask)
{
pioc->PIO_CODR = mask;
}
inline void pioc_out_1 (int mask)
{
pioc->PIO_SODR = mask;
}
inline int pioc_in (int mask)
{
return pioc->PIO_PDSR & mask;
}
inline void xmit_byte (char c)
{
int i;
for (i = 0; i < 8; i++)
{
if (c & 1)
pioc_out_1 (DATA0);
else
pioc_out_0 (DATA0);
pioc_out_0 (DCLK);
pioc_out_1 (DCLK);
c >>= 1;
}
}
void pioc_setup ()
{
pioc->PIO_PER =DATA0 | nCONFIG | DCLK | nSTATUS | CONF_DONE;
pioc->PIO_OER =DATA0 | nCONFIG | DCLK;
pioc->PIO_ODR =nSTATUS | CONF_DONE;
pioc->PIO_IFER =nSTATUS | CONF_DONE;
pioc->PIO_CODR =DATA0 | nCONFIG | DCLK;
pioc->PIO_IDR =DATA0 | nCONFIG | DCLK | nSTATUS | CONF_DONE;
pioc->PIO_MDDR =DATA0 | nCONFIG | DCLK;
pioc->PIO_PPUDR =DATA0 | nCONFIG | DCLK | nSTATUS | CONF_DONE;
pioc->PIO_OWDR =DATA0 | nCONFIG | DCLK | nSTATUS | CONF_DONE;
}
int pioc_map ()
{
int fd;
off_t addr = 0xFFFFF800; // PIO controller C
static void *base;
if ((fd = open ("/dev/mem", O_RDWR | O_SYNC)) == -1)
{
printf ("Cannot open /dev/mem.\n");
return 0;
}
printf ("/dev/mem opened.\n");
base = mmap (0, MAP_SIZE, PROT_READ|PROT_WRITE, MAP_SHARED, fd, addr & ~MAP_MASK);
if (base == (void *) -1)
{
printf ("Cannot mmap.\n");
return 0;
}
printf ("Memory mapped at address %p.\n", base);
pioc = base + (addr & MAP_MASK);
return 1;
}
int main (int argc, char **argv)
{
FILE *file;
char data[16];
int nbytes, i;?
if (argc != 2)
{
printf ("%s \n", argv[0]);
return -1;
}
file = fopen (argv[1], "r");
if (!file)
{
printf ("File %s not found.\n", argv[1]);
return -1;
}
if (!pioc_map ())
return -1;
pioc_setup ();
pioc_out_0 (nCONFIG);
for (i = 0; i < 10000 && pioc_in (nSTATUS); i++) { }
if (i == 10000)
{
printf ("nSTATUS = 1 before attempting configuration.\n");
return -1;
}
pioc_out_1 (nCONFIG);
for (i = 0; i < 10000 && !pioc_in (nSTATUS); i++) { }
if (i == 10000)
{
printf ("Timeout waiting for nSTATUS = 1.\n");
return -1;
}
while ((nbytes = fread (data, sizeof (char), sizeof (data), file)) > 0)
{
if (pioc_in (CONF_DONE))
{
printf ("CONF_DONE = 1 while transmitting data.\n");
return -1;
}
if (!pioc_in (nSTATUS))
{
printf ("nSTATUS = 0 while transmitting data.\n");
return -1 ;
}
for (i = 0; i < nbytes; i++)
xmit_byte (data[i]);
}
for (i = 0; i < 10000 && !pioc_in (CONF_DONE); i++)
{
if (!pioc_in (nSTATUS))
{
printf ("nSTATUS = 0 while transmitting data.\n");
return -1;
}
pioc_out_0 (DATA0);
pioc_out_0 (DCLK);
pioc_out_1 (DCLK);
}
if (i == 10000)
{
printf ("Timeout waiting for CONF_DONE = 1.\n");
return -1;
}
return 0;
}
4 结论
本文给出了基于ARM的FPGA加载配置软件实现。这种方法充分利用了ARM的速度快、灵活的特点,节省了开发成本,又满足了一些特殊的系统设计要求。本方法也适用于其它的微处理器。
