目前,以太网(Ethernet)协议已经非常广泛地应用于各种计算机网络,如办公局域网、工业控制网络、因特网等场合,并且还不断地在发展。单片机或微控制器(MCU)(也称为嵌入式系统)已经在各个领域得到了广泛的应用。目前绝大多数系统都是以MCU为核心,与监测、伺服、指示设备配合实现一定的功能。如果嵌入式系统能够连接到Internet,则可以方便、低廉地将信息传送到世界上的任何一个地方。因此单片机如何控制以太网网卡进行传输数据,如何加载TCP/IP协议连接到互联网,这些都是一些具有挑战性的问题[1,2]。单片机上网研究最多的一个方案就是用单片机驱动ISA总线网卡或者是驱动基于ISA总线的以太网控制芯片。但是,近年来,随着ISA总线在台式电脑上的消失(PC98以后的标准已经取消了ISA总线),ISA总线的设备也不断减少,而且很多生产ISA网卡芯片的厂家已经停止生产ISA网卡芯片。在计算机上,多数设备用的是PCI总线,因此如何制造低成本的PCI总线的以太网接口设备,如何用单片机来驱动PCI总线网卡,已成为目前计算机工业控
制系统的燃眉之急。然而用只有16位地址总线、8位数据端口的8位单片机来直接驱动有32位地址数据复用总线及其他各种信号线的PCI总线网卡,几乎是不可能的。
为此,本文中采用PCI 9054接口芯片作为沟通单片机与PCI设备间的桥梁,设计实现了单片机与PCI网卡间的可靠通信任务,并提供了主要硬件接口电路和主要程序原代码。
1 PCI9054芯片介绍
1.1 PCI9054主要特性
PCI9054是由美国PLX公司生产的先进的PCI I/O加速器,他采用了先进的PLX数据管道结构技术。符合PCIV2,2规范的32 位33 MHz总线主控接口控制器可获得高达132 Mb/s的PCI突发传输速度。通用总线主控接口配备先进的数据流水线架构(Data Pipe Architecture(tm)),包含2个DMA引擎,可编程目标、起始器数据传输模式和PCI信息传输等功能。
1.2 PCI9054本地总线工作模式介绍
PCI9054芯片连接的本地端总线有3种工作模式:M模式、C模式和J模式。可利用模式选择引脚加以选择,其中C模式时序较为简单。为此,本方案设计选择PCI 9054工作在C模式。当PCI9054工作在C模式时,其数据传输采用直接数据传输方式,按数据传输的控制方式,他又分为3种传输模式,如表1所示。

本方案设计采用PCI初始化器模式,通过本地端的单片机来控制PCI9054芯片,然后通过PCI9054芯片来驱动PCI总线上的网卡,在这里PCI9054芯片就象一个桥梁,连接了2个不同的总线设备。其读写工作原理如图1所示。

1.3 PCI9054寄存器简介
PCI9054内部提供了5种寄存器:PCI配置寄存器,本地端配置寄存器,运行时间RUNTIME寄存器,DMA寄存器和I2O信息寄存器。在本方案设计中,我们主要用到2种配置寄存器:PCI配置寄存器和本地端配置寄存器,下面对这2种寄存器的功能做简要介绍。
PCI配置寄存器也就是我们常说的PCI配置空间,他提供了配置PCI的一些信息。其中VenderID,DeviceID,RevisionID,HeaderType,ClassCode用于PCI设备的识别。命令寄存器(Command)包含设备控制位,包括允许存储器读写响应等。状态寄存器(Status)用于记录PCI总线的相关事件。PCI配置寄存器提供了6个基地址寄存器,这些基地址都是在系统中的物理地址范围内,其中BASE0和BASE1都是用来访问其他配置寄存器的基地址,BASE1是其他配置寄存器映射到PCI端内存的基地址,BASE2是其他寄存器映射到PCI端I/O的基地址。所以可以通过PCI端内存和PCI端I/O来访问LOCAL配置寄存器与其他3种寄存器。BASE2~5四个空间提供了访问本地端所接的4个芯片(当然可以少于4个),他们将本地端的芯片通过本地端地址(在LOCAL配置寄存器中设)翻译成PCI的地址,也就是将本地的芯片映射到系统的内存或I/O口。这样使得用程序操作这一段内存(或I/O)实际上就是对本地的芯片操作。
本地端配置寄存器提供了本地端的一些信息,在本方案设计中,主要是通过配置本地端配置寄存器来将本地端的单片机读写指令、周期转换成PCI端的读写指令及周期。也就相当于将PCI端网卡上的芯片及存储器映射到本地端,与本地端的存储器统一编址,这样单片机只要能访问本地端的内存,那么就能用来访问PCI总线上的网卡。
PCI9054工作时需要一个配置芯片E?2PROM,以便在PCI卡上电的时候配置PCI 9054,主要配置PCI卡的VendorID和Devic
eID,这是系统用来标识PCI卡的。另外,还需要了其他寄存器,主要起到了对PCI 9054初始化的作用。其中本地端寄存器也可以由本地CPU读写,直接进行配置。
2 RTL8029网卡简介
RTL8029是符合Ne2000标准的32位PCI总线网卡,遵循IEEE802.3协议。按功能可将其划分为:接收功能模块、CRC产生模块、发送功能模块、地址识别模块、FIFO控制模块、协议逻辑阵列模块及DMA和缓冲控制模块。对网卡进行编程可以实现局域网内任一站点间的通信。熟悉网卡接口电路是对网卡编程的首要条件。网卡接口电路功能可以分为2部分:一是与计算机PCI总线相连,包括数据总线读写、地址总线驱动、中断控制信号的产生、存储器读写信号以及I/O端口信号的引入等;二是对网卡内部的操作,包括对缓冲SRAM的读写、对RTL8029AS芯片的控制、读站地址PROM及读自举ROM等。通过网卡工作原理的分析,可以将接口信号线减至最少。
以太网相当于一个链路层连接,因此可以把以太网的传输单元称为帧(Frame)。10 Mb以太网的Frame长度为64~1 518 b。其格式如表2所示。

其中前导码是网络适配器发送MAC帧的时候为了使接收适配器辨别出MAC帧开始而加入的码,高层的用户不必考虑。32位CRC,即冗余校检码,是以太网使用的校检机制,现在CRC的生成与检测都可以由网络适配器完成,因此用户也不必考虑这一字段。帧类型,这一字段决定了以太网帧数据使用的是什么协议,如ARP是0x0806,IP是0x0800等。从另一个角度看,这一字段也可以看作以太网帧自己表明身份的字段。因此,在处理MAC帧时,需要根据这一字段的数据来决定将数据传送给哪个上层协议。在IEEE 802?3协议中,这一字段表示以太网数据的长度。由于两个协议在这一字段上的不同定义,所以网络适配卡对这一字段是不做解释的。程序员必须在软件上编程处理这一字段。
3 方案设计
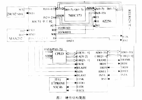
(1)本方案设计的硬件结构如图2所示。
系统中用到的主要芯片除了80C51单片机和PCI9054外还有MAX232(串口的电平转换),24C02(I2C总线的E?2PROM),74HC373(8位锁存),62256(32K的RAM),EPM7096(CPLD),93C46(E2PROM,用来初始化PCI9054)。其中62256(外部32K的RAM)可以不用,可以用网卡上的RAM来代替,但是网卡上的RAM的存取比较复杂,速度会比加62256慢。使用外部RAM的目的是提高单片机的数据传输速度和处理复杂的TCP/IP协议。由于以太网的数据包最大可以有1500多字节,80C51单片机是无法存储这么大的包的,只有放到外部的RAM里。同时外部的RAM也用作串行口的输入输出缓冲,以使单片机具有高速的吞吐数据的能力。24C02是I2C总线的E2PROM,用来存储用户的一些设置,比如IP地址、网关等。本方案使用CPLD的目的是,将80C51单片机的8位数据与16位地址转换成32位的数据和地址,因为PCI9054工作在初始化器模式时,他要求本地端的总线是32位的。在这里,用CPLD实现这样一个外部逻辑非常简单。MAX232为串口电平转换电路。数据可以从串口输入到单片机,单片机再把数据通过网卡传出去。

(2) 软件设计
对网卡编程就是对网络接口控制芯片RTL8029AS中各种寄存器进行编程控制,从而完成数据分组的正确发送和接收。所有单片机程序采用C51语言编制,具有可读性强、移植性好、开发周期短的特点。代码的使用效率也比较高。
主程序可以分为PCI9054芯片初始化、网络通讯和串行通讯2部分:PCI9054芯片初始化过程就是对PCI9054芯片的PCI端配置寄存器和本地端配置寄存器进行正确的编程配置,以实现本地端单片机与PCI端网卡的无缝连接,对这2个寄存器既可以通过对93 C46烧写编程的方式,也可以通过本地CPU直接编程的方式来完成初始化。网络通讯过程又可分为网卡初始化、发送控制和接受控制3部分。主程序框图如图3所示。

PCI9054芯片初始化过程就是对PCI9054芯片的相关寄存器进行初始化,这些寄存器包括DMRR、DMLBAM、PCICR、CNTRL等。
网卡初始化过程对网卡的初始化就是对网卡相关寄存器进行初始化。这些寄存器包括CR,DCR,RBCR PSTART,PSTOP,ISR,IMR,PAR0~PAR5,MAR0~MAR5D等。PSTART接收缓冲区的起始页的地址。PSTOP接收缓冲区的结束页地址(该页不用于接收)。BNRY指向最后一个已经读取的页(读指针)CURR当前的接收结束页地址(写指针)。

发送控制过程在网络中,帧传输的过程就是发送方将待发送数据按帧格式要求封装成帧,然后通过网卡发送到网络的传输线上的工程。发送程序框图如图4所示。

接收控制过程帧的接收过程分为2步[3]:
第1步有本地DMA将帧存入接收缓冲区中;
第2步由远程DMA将接收缓冲区中的帧读入内存。即将网络上的数据帧接收并存在网卡的接收缓冲区中,然后由主机程序将缓存区中的帧读走并存入内存中。帧的接收工作由网卡自动完成,只需对相关的寄存器和PSTART,PSTOP,CURR和BNRY进行适当的初始化即可。帧读入之前,必须初始化相应的寄存器RSAR,RBCR,然后再启动远程DMA读操作和主机程序的读端口操作。为了获得数据长度,先读入18 B的数据,然后根据有效数据的长度将帧完整的读入。启动远程DMA读操作,应该令CR=0AH,远程DMA将从接收缓冲区的DMA地址处读入1 B并送往I/O数据端口,由主机程序读入内存。
这一过程将一直持续到RBCR寄存器为0。
4 结语
本文提出了一种用8位单片机80C51和PCI总线主控I/O加速器芯片9054来驱动PCI总线网卡,实现RS232串行设备与以太网的连接以传送控制信令和数据文件,实现单片机上网的设计方案,设计了相关硬件,编制了相应的驱动程序。整个方案结构简单,实现方便,缩短了开发周期,降低了系统开发成本。
