新唐科技的NUC1xx包含NUC101、NUC100、NUC120、NUC130和NUC140,是以ARM Cortex-M0为核心的32位微控制器(MCU),经由不同时钟的设定,最高可以达到 50MHz的运作频率。然而在一般简单控制或系统负载较低时,CPU并不需要执行在最高的运行时钟下即可应付所需要的计算量。这时候,便可以利用系统时钟的控制来降低时钟,以达到省电的目的。
另一种情况是CPU因为等待下一个工作或只需要久久工作一次时,就可以先将CPU进入Idle或Power Down模式,等到一定的时间之后或是有特定的事件发生时,才被唤醒过来进行相关事件的处理。同时,如果系统内没有用到的系统模块,也可以将其关闭以节省不必要的耗电。本文介绍各种不同的省电方法的原理,并提供相关的范例说明。
开关系统模块
在新唐科技NUC1xx中,为了省电的需求,当某个系统模块不使用时,可以将其输入时钟关闭,使其进入关闭的模式,依此来达到省电的效果。在NUC1xx中,几乎所有的系统模块都可以各别被关闭,这些模块包括:Watch Dog Timer、RTC、Timer0~3、I2C0~1、SPI0~3、UART0~2、PWM0~7、CAN、USB、ADC、ACMP、PS2、 PDMA、 Flash ISP。不过,并非每颗芯片都包含了所有模块功能,例如CAN模块只在NUC130和NUC140才有此功能,详细说明请参考各芯片的相关文件。
各模块的相关耗电如表1所示。

新唐科技NUC1xx藉由关闭各模块时钟的方式来达到关闭各模块的目的,所以要关闭模块就必须设定相关的时钟控制缓存器。NUX1xx提供AHBCLK Register与APBCLK Register,来控制上文所列出各模块的开关。
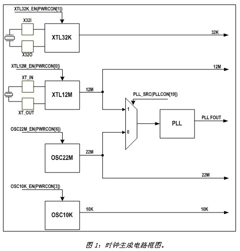
系统时钟设定
新唐科技NUC1xx本身的耗电量和它的运行时钟有很大关系。如果运行的时钟高,则耗电高,反之则比较省电,但同时CPU就可能无法负荷大量的运算。因此,如果要同时兼顾大量运算跟省电,就必须能够根据实际上的需求来调整CPU的工作时钟,以求达到最佳的运作效率。
NUC1xx内建了PLL,能使用外部 12MHz的晶振或是内部22M振荡器产生系统所需的时钟,由PLL所产生的时钟再经过适当除频,即可作为CPU的工作频率。另外NUC1xx也提供经由外部32KHz的晶振或是内部10KHz 振荡器直接供给作为CPU工作频率的方式。因此,NUC1xx对于工作时钟的设定,提供了很大的灵活性。

IDLE省电模式
新唐科技NUC1xx除了可利用设定最适合的工作时钟来达到省电的目的外,如果在系统完全不需要工作时,还可以将CPU及大部分的硬件关闭,以达到最大的省电效果。这种搭配关闭CPU及大部分硬件的模式,我们称之为省电模式,其中包括了Idle省电模式及Power Down省电模式。下面就Idle省电模式进行说明。
藉由关闭大部分硬件时钟以达到最大省电效率的模式主要有两种,一种是 Idle省电模式,另一种是Power Down省电模式。这两种模式最大的不同点是,当系统进入Idle省电模式下时,任何的中断事件都可以重新唤醒CPU,以便让系统可以处理新进的事件。但如果系统处于Power Down省电模式,就只有少数特定的中断事件能够唤醒系统。
由于所谓的Idle模式,实际上就是把 CPU的时钟关闭,这样让CPU在没有工作时处在最省电的模式。因为在这个模式下,只是将CPU的时钟关闭,一旦有任何中断事件发生,马上可以打开CPU 的时钟来处理相关的事件,所以不会造成处理事件的延迟,同时又可以达到省电效果,是兼顾速度与省电的一种模式。
NUC1xx 可以利用ARM Cortex-M0本身提供的WFI/WFE指令进入Idle模式。一旦进入Idle模式,CPU将立刻进入Sleep模式而停止运作,因此在WFI /WFE指令之后的程序都必须等到CPU被唤醒后才会被执行。此时NUC1xx的耗电量将降到约16mA@3.3V-48MHz。
进入Idle省电模式之后,如果要唤醒CPU,回到一般的工作模式,就必须先产生中断信号。该中断信号可以是NUC1xx中的任何模块所产生的中断,也可以通过外部中断的方式来唤醒CPU。需要注意的是,当决定CPU要由某个中断来唤醒时,就必须在进入Idle省电模式前,将该中断设定完成,才能使其产生中断事件来唤醒CPU。
Power Down省电模式
Power Down是新唐科技NUC1xx最省电的一种模式,因为一旦进入Power Down省电模式,晶振时钟会被关闭,整颗NUC1xx呈现静止的状态,这时的耗电量将减到最小的程度。而在此模式下,也只有少数的特定中断事件能够唤醒 NUC1xx,使其恢复工作状态。在Power Down模式下,NUC1xx提供了GPIO、USB、UART、RTC、ACMP和CAN的中断唤醒方式。
要进入 Power Down省电模式,除了必须呼叫WFI/WFE指令外,在调用WFI/WFE指令之前,必须另将PD_WAIT_CPU和PWR_DOWN_EN两个功能依序打开。已确保CPU先进入Sleep模式后,系统再进入Power Down模式,此时NUc1xx是属于最省电的状态,耗电量将降到约15uA。
一旦NUC1xx进入Power Down省电模式,由于大部分的逻辑电路都进入停止状态,因此要想唤醒CPU,必须经由特殊定义的中断源来唤醒。在Idle省电模式下,只要有任何中断即可唤醒CPU不同,不过相同的是,两者都必须要在进入省电模式前,先设定好将来要用来唤醒CPU的模块,这包括其中断或唤醒功能,这些为了唤醒CPU的准备都完成之后,才能进入省电模式,否则就没有任何方式能够再唤醒CPU了。
由于所谓的Power Down省电模式,实际上是把晶振的时钟关闭,让整个NUC1xx呈现静止的状态。而因为晶振也被关闭了,一旦有唤醒中断事件发生,需要等到晶振稳定下来后,CPU才能继续运作,所以由Power Down进入一般的工作模式,会需要延迟一点时间来等待,而NUC1xx系列所提供的延迟时间预设为4096个clock cycle。以12MHz来计算,延迟时间为(1/12MHz)*4096=341.12us(图2中的T2),而晶振起振所需时间(图2中的T1)则会随着晶振频率、品牌、PCB 布线等都会造成少许差异。一般而言, 12MHz晶振起振所需时间约1~2ms。实际量测范例数据如图2所示。

本文小结
本文介绍了新唐科技NUC1xx所提供的各种省电方式,包括了关闭没用到的模块、调整CPU运作的时钟、Idle省电模式与Power Down省电模式。在实际应用时,使用者可以根据自身所需,选择适合的方式,甚至组合不同的省电方法以达到最佳的省电效率。
