引言
电子节能灯是走进千家万户的产品,提高它的品质对于提倡节能的现代化建设有重要意义,对于生产企业则是增强产品竞争力的必由途径,电子节能灯实现节能的主要原理是以电子镇流器代替传播电感镇流器,提高电子节能灯品质最重要的是要保证电子镇流器的品质,我校受企业的委托研制了本综合测试仪,用于生产过程中的分析,测试电子镇流器的性能。
1 电子镇流器主要测试项目
电子镇流器原理可以简化为图1所示的电路,影响电子镇流器性能的主要指标有:启动阶段的预热灯管电压,预热灯丝电流和预热时间,稳定后的灯管电压、灯管电流、灯丝电流、振荡频率、输入电流、输入功率和功率因素,为此须放置传感器采集输出端的灯管电压,灯丝电流,阴极电路和振荡频率,采集输入端的功率、电流和功率因素等数据,然后分析、计算采集的数据得到电子镇流器的各项性能指标。
2 测试仪总体设计思路
图2是测试仪的总体框图,本测试仪由计算机和嵌入式测试仪两部分组成,嵌入式测试仪采集并分析各项数据,然后经RS232串口上传到计算机,在计算机上显示并保存测试结果。


嵌入式测试仪以MSP430F133为核心,MSP430F133是TI公司生产的低功耗16位混合信号单片机,最高处理能力为8MIPS,具有8KB Flash型存储器和256字节RAM,2个16位计数器和1个看门狗定时器,1个串行通信接口,还有一个最高转换速度200ksps的12位ADC模块,MSP430F133单片机非常适合于本测试仪中的设计要求,具有非常高的性价比,例如他内部丰富的外设资源,可以大大简化本测试仪的硬件设计。
电子镇流器的振荡频率一般在40KHz左右,启动时灯管电压(峰-峰值)通常超过1000V,而在稳定后灯管电压(有效值)不到100V,具有频率高、电压高及变化幅度大等特点,因此,信号采集电路的设计是本测试仪设计的重点和难点。
3 主要功能模块的设计
3.1 灯管电压和工作频率信号采集硬件设计
测试仪灯管电压(有效值)测试量程为0-500V。为了与信号变换及ADC电路相适应,必须将该灯管电压信号衰减到0-2.5V,即200:1的分压衰减。
通过对多种电阻器件分布电感和电容特性的深入研究及实例,发现3386型单圈玻璃釉电位器具有极小的分布电感和电容,用它制作4MΩ:20KΩ(分压比为200:1)的分压取样电路,分压得到的信号非线性和畸变均小于1%,完全满足测试仪精度的要求。
电子镇流器输出灯管电压信号的频率和幅度都极不稳定,随着灯管和器件发热会发生显著变化,通常频率和电压信号包络被电网的工频信号调制,采用常规的峰值检波电路或平均值检波电路等方法来测试灯管电压有效值,都会有较大的误差,因而采用真有效值测量专用集成电路AD637,将杂乱的灯管电压信号转换为对应的有效值直流电压,然后送MSP430F133内部的ADC转换器。
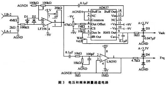
测试仪中的频率测量电路是将衰减取样到的灯管电压信号送由LM393构成的具有迟滞特性得比较器,将交流信号整形为脉冲信号,然后送MSP430F133的计数器输入脚,由MSP430F133内部计数器实现频率测量,具体实现电路如图3所示。

3.2 灯丝电流和灯管电流采集硬件设计
电流传感器选择受诸多因素限制,灯丝电流在预热阶段达几百mA,而在正常时只有几十mA;灯丝电阻有多种规格,从几Ω到几十Ω;波形是杂乱的,频率在40KHz左右,频率和幅值均受电网工频信号的调制,因此,电流采样电路使用常规的采样电阻取样或者线圈感应取样设计,存在带宽窄、非线性和畸变严重,影响电子镇流器的工作状态等问题,都不能满足测试仪的要求。
为此,选择闭环式霍尔电流传感器作为测试仪的电流传感器,闭环式霍尔电流传感器的磁芯中磁通量近乎为0,因此,插入损耗很小,几乎不会对被测电路产生影响,并且可以测量从直流到100kHz各种波形的电流,另外与被测定对象之间是物理隔离的。
闭环式霍尔电流传感器工作原理如图4所示,如果霍尔元件有磁场通过,则有电压输出,该电压放大并转换为电流输出给补偿线圈,由补偿线 圈产生与被测电流方向相反的磁场,经动态反馈使磁芯中的磁通为0,此时
I1×N1=I2×N2即I1=I2(N2/I1)=(Uo/Rs)(N2/I1)

式中,I1为被测电流,N1为其对应初级绕组的匝数;I2为补偿线圈中的电流,N2是补偿线圈中的匝数;Uo是I2流经取样电阻Rs产生的压降,由上式可知,当磁场平衡时,只要测量Uo即可计算得到被测电流。
经测试,闭环式霍尔电流传感器完全满足测试仪电流取样的各项要求,确保了测试仪电流测量的高精度,有效值变换电路如图5所示,与电压通道相同。


3.3 电流、功率和功率因素采集模块设计
直接利用远方公司生产的PF9805型智能电量测试仪测量输入电流、输入功率以及功率因素,PF9805型电电量测试仪带有RS232接口。本测试仪所需要做的是利用它提供的接口,适时读取输入电流等数据。
由于MSP430F133只有一个串行通信接口,但是需要与PF9805型电量测试仪、PC两个对象通信,经过仔细分析工作时序,设计了图6所示的串行通信切换电路,以很低的代价实现了串口的扩展。
4 软件设计
4.1 下位机软件设计
本测试仪的软件设计,需要根据电子镇流器的工作时序,依序采集对应的电压、电流和频率等数据,并对采集到的数据进行分析、处理,得到各项测试结果,最后将测试结果上传到计算机。 图7是MSP430F133中程序的流程,在该程序当中,从通信角度而言,单片机是主机,与PC和PF9805型电量测试之间的通信只能由它发起,以避免串口冲突。

在灯管点燎埃乒艿缪共欢咸岣撸诘懔梁螅乒艿缪乖蚩焖傧陆担菡庖惶匦裕绦蛑辛觳獾乒艿缪梗背鱿止盏悴⑾陆档阶畲蟮缪沟?0%(可设)时,判定预热结束灯管已经点亮。
预热灯管电压:镇流器加电后,一直检测灯管电压并记录最大值,直到预热阶段结束,该最大值就是预热灯管电压。
预热灯丝电流:镇流器加电后,一直检测灯丝电流并记录最大值,直到预热阶段结束,该最大值就是预热灯丝电流。
预热时间:从镇流器加电开始启动计时,到预热阶段结束停止,所计的时间就是预热时间。
预热结束后,延迟10s(可设),认为达到稳定,进行各项稳定指标的测试,需要注意的是,无论电压、电流还是频率,均是工频50Hz的函数,因此,各项测试均以20ms的整数倍为周期,进行平均处理,以尽量减少由于工频信号调制所带来的误差。
4.2 上位机软件设计
计算机软件用Delphi7编写,主要完成三项功能:与测试仪通信、参数设置、测试数据显示和保存。
与测试仪通信,共定义了3条指令:向测试仪加载参数请求、加载参数及返回测试结果,双方约定波特率为19200bps,计算机为从机,平时处于接收状态,只有收到加载参数请求时才向测试仪发送各项设置参数,通信部分软化流程如图8所示。
; 
5 小结
本测试仪巧妙地利用了玻璃釉电位器构成分压取样电路;使用新型闭环霍尔电流传感器采样电路,以及AD637高性能真有效值转换芯片变换谐波丰富的电压和电流信号,选择MSP430F133新型16位低功耗混合信号单片机为主处理器,并最大限度地利用其片上ADC、UART、Flash、Timer等资源,从实际设计完成的产品看,具有精度高、成本低、简单易用的特点,完全满足生产过程中电子镇流器性能分析监控的要求,如果在软件中引入校准、补偿等处理,该测试仪还可以用于电子镇流器研发等场合的分析测试。
