GSM固定无线接入(GFRA,GSM Fixcd Radio Access)技术又称GSM无线用户环路(WLL),是采用GSM数字蜂窝技术替代传统用户线来为用户提供电信业务的技术。GFRA覆盖范围的直径以几十米、几百米、几千米、几十千米不等,因而应用范围较广,即可为人口密集的城区服务,也可为农村和边远山区服务。
与传统PSTN接入网相比,GFRA具有以下优点。
◇经济。运营维护费大大低于有线系统,且成本与距离无关,这在农村及边远地区尤显其优势。
◇能迅速提供业务。据统计,GFRA在一个月即可投入使用,而有线接入网则需要6~18个月的时间,除此之外,有线接入网还存在占地、城区人口稠密地区接线困难和易受到自然灾害破坏等缺陷。
◇容量大。采用小区覆盖,频率再用等技术,可扩大用户容量。
◇灵活可变。无需预测话务量,可随时按需进行变更,扩容方便。
◇安全可靠。防盗线,保密性好。
1 GFRA设备的组成和工作原理
1.1GFRA设备的组成
GFRA设备由天线、无线收发模块、主控电路、电话控制模块和充电电池电路组成,如图1所示。其中,无线收发模块完成接入GSM网络的工作,相当于一部手机;电话控制模块主要包括了用户线接口电路(SLIC)、DTMF检测和信号音产生电路,完成电话机的接入工作;而主控电路实现了有线电话信号和GSM电话信号相互转换的接续、控制;充电电池电路为选配部件,是常停电地区采用的配件,市电不易到达的地方可配太阳能充电电池。
GFRA设备一端通过天线接入GSM网络,另一端通过电话线连接普通的电话终端,如普通电话机、IC卡电话机、投币电话机等。GFRA设备相当于在普通电话机和GSM网络之间搭起了一座桥梁。

1.2 GFRA设备的工作过程
(1)经GFRA设备的去话过程
①主叫用户摘机后,主控电路通过SuC电路检测到电话机摘机。
②主控电路控制信号音电路送出拨号音,同时开始检测主叫用户的DTMF拨号。
③收到主叫用户的DTMF后,主控电路停送拨号音。
④收完号码后,主控电路控制无线收发模块以的号码向外呼叫,如果被叫空闲,主叫用户将听到回铃音。
⑤被叫摘机,双方开始通话。主控电路同时SLIC电路向电话线送出反极信号,该信号可启动IC卡电话机、投币电话机等的计费工作。
⑥如果主控电路检测到主叫用户先挂机,则向无线收发模块发出挂机命令,通话结束。
⑦如果主控电路检测到被叫用户先挂机,则向主叫用户发送忙音,并通过SLIC监测主叫挂机,通话结束。
(2)经GFRA设备的来话过程
①主控电路收到来自无线收发模块的振铃信号RING后,通过信号音产生电路和SuC向本端电话机振铃。
②主控电路在产生第一声振铃音和第二声振铃音之间,送出来电显示信号。
③本端电话机用户摘机,双方开始通话。
④双方通话结束的处理同上面的去话过程。
2 硬件设计
GFRA设备的硬件结构框图如图2所示,包括电话机用户线接口电路(SLIC)、DTMF检测和信号音产生电路、MCU和外围功能电路、GSM模块电路四大部分。

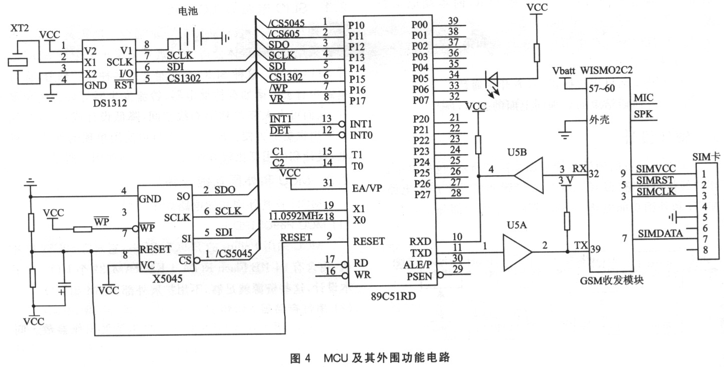
GFRA设备硬件电路以P89C5lRD+为MCU,通过SPI接口连接外围功能电路(串行存储器X5045、DTMF接收和信号音发生电路CMX605),通过CMX605连接SLIC电路STLC3055,MCU通过UART访问GSM模块。
2.1 SLIC电路STLC3055
用户线接口电路SuC是电话通信中的关键器件。本设计采用意法开云棋牌官网在线客服公司(ST)近年来推出的全新SLIC芯片STLC3055。这种SLIC不仅能支持多种振铃信号,而且电路中省去了诸如振铃继电器、铃流发生器等许多传统器件,从而可大大节省PCB布线空间,降低设计成本,并且控制使用也更加方便.STLC3055可以使用单独的+12V供电,设计和使用都比较方便,其应用电路如图3所示。

2.2 MCU和外围功能电路
MCU及其外围功能电路如图4所示。

(1)MCU P89051RD+
MCU采用Philips的P89C5lRD+,它兼容80C51单片机,内含有64KBFlashROM,1KBRAM,32个I/O。对于本设计,这些资源就足够,不用扩展外部RAM和I/0。
(2)串行存储器X5045
X5045用于存放GFRA设备的非易失工作参数。同时,该芯片将看门狗定器、上电复位控制、压降管理以及具有块保护功能的串行EEPROM这四种功能集成到一体,有助于简化应用系统的设计,减少PCB的占用面积,提高系统可靠性。
(3)实时时钟DSl302
DSl302是一个可编程3线SPI串行接口的时钟芯片,用来备份系统时间和数据。
2.3 DTMF检测和信号音发生电路CMX605
本设计主要使用CMX605的呼叫进程音(450 Hz信号音和CID FSK)编码和发送。以及DTMF的检测功能。在MCU的控制下,经过CMX605的第9脚,450 Hz呼叫进程音被送到STLC3055的第14脚,最后送到AB线上。另外,AB线上DTMF经过STLC3055的第20脚,在CMX605的第12脚被接收、检测。最后将检测到的DTMF编码通过SPI总线发送给MCU。
2.4 GSM模块
GSM模块采用法国Wavecom公司的产品,其型号为WISMO Q2403A。它是一个功能完整的手机模块,MCU通过UART对它进行控制和数据传输,数据传输包括短信、CSD、GPRS、GROUP3 CLASS 1和CLASS 2语音等。它的特点是:电路交换数据(CSD)、支持语音和GPRS。MCU对模块的控制采用的是AT指令,符合ETSI标准GSM07.07和GSM07.05。
3 软件设计
本设计程序采用C51语言编写而成。GFRA设备的程序分为三部分:初始化及自检模块、参数设置模块、去话和来话模块。
3.1 初始化及自检模块
上电后,程序完成对MCU寄存器和变量的初始化,以及对外围功能芯片DSl302、X5045、CMX605的初始化。自检的内容包括:读取DSl302时间值,进行合法性检查和时钟正常运行检查;对X5045指定单元写入数值,再读出比较,检查该芯片的好坏;对CMX605寄存器进行初始化。如果自检不通过,则点亮LED闪烁告警。
MCU通过输入AT指令对Q2403A模块进行初始化,以便进行语音通话。主要的指令有:
◆设置语音参数。
AT+SPEAKER=1;+VGT=64;+VCR=196〈CR〉
◆设置来电号码广东省自动显示。
AT+CLIP=l
         
         
GFRA设备可以通过外接的电话机设置工作参数。MCU通过CMX605指令读取DTMF,特殊的D了MF序列用于设置参数,并把其中的工作参数保存到X5045。工作参数有:音量等级、音量增减、拨号前缀、呼叫转移的辅助业务设置等。
         
3.3 软件主流程
主流程如图5所示。MCU把外围功能芯片与GSM收发信机初始化后,处于空闲状态,循环检测SLIC和GSM收发信机,有电话机摘机或GSM来电时便进入语音服务流程。

MCU通过SLIC检测到电话机的摘机信号,收到电话机拨号(如1860)后,MCU通过UART令GSM收发信机在语音模式下拨同样的号码1860,拨号的AT命令是ATDT1860;对方摘机后,MCU将收到OK,然后立即通过SLIC向电话线送反极信号,提供计费启动信号,双方开始通话。
如果检测到主叫用户先挂机,MCU则向无线收发模块发出挂机命令ATH,通话结束。如果主控电路检测到被叫用户先挂机,则向主叫用户发送450Hz忙音,并通过SLIC监测主叫挂机后,通话结束。
(2)来话模块
在空闲状态下,MCU收到GSM来电(RING)后,通过SLIC向外接电话机振铃.同时提取主叫来电显示号码,并且在第一次和第二次振铃之间送出满足电话主叫识别信息传送及显示功能技术要求的来电显示信号,具有来电号码显示的电话机将在LCD显示主叫号码.本端被叫用户化摘机应答后,MCU若检测到电话摘机,则向GSM发应答AT命令ATA,通过SLIC监测通话进程至挂机。
4 GFRA设备提供的功能
本设计中的GFRA设备提供以下功能:
◆提供一个RJll接口,通过该有线接口连接所有符合电话线标准的电话终端产品;
◆去话、来电语音呼叫接入;
◆标准电话振铃信号输出,FSK制式来电显示信号输出;
◆提供反极信号,可以串接计费器;
◆E-GSM900/DCSl800自动切换;
◆具有无线网络信号强弱显示;
◆GFRA可以匹配全向吸盘天线和定向天线,提高信号增益,而且体积小、重量轻安装灵活方便;
◆提供交、直流两用电源,可装在移动载体上;
◆停电通话功能,可使用后备充电电池供电,市电断电后仍可通话。
结 语
数字蜂窝无线电话网GSM是目前世界上覆盖最广、使用最多的一种移动通信网。数字终端设备具备了功能多样化、保密性好、漫游方便、音质清晰、使用方便等诸多优点,其技术先进性、网络覆盖范围等方面已经得到用户的普遍认可。
GSM运营商可以利用已有的GSM网,无需增设基站等设备,只需增加固定终端,便可完成固定电话无线接入。GFRA设备能在GSM蜂窝网覆盖的范围内,快速经济地提供固定无线电话通信业务。例如,在市内构建无线公用电话系统,设立固定电话亭,开展有人值守公用电话业务、在公共交通工具上开设移动公话业务,可为移动运营商发掘新的业务增长点,提高网络利用率,增加效益。
GSM固定无线接人设备还可在高速公路、防汛指挥、山区防火等场合作为应急通信手段。在偏远地区,海岛等架设通信线路困难或不经济的地方,使用GSM固定电话与外界联系是一种迅速、廉价的解决方法。
