引 言
传统的机械式墙壁开关,是一开一关的简单控制方式,且大多是在86型暗盒上实现的。要想在 86×86×50的暗盒里实现射频遥控开关,就必须考虑到几个因素:86型暗盒的空间;只有l根火线,无零线,不能再布线;不能影响被控电器原功能的使用;1个遥控器(即上位机中央集成控制系统)实现对多个开关终端控制(一对多),并且与其他遥控器不能发生冲突。
基于上面必须考虑的几个因素,提出一种无线射频解决方案,采用内置增强型51兼容的单片机集成一体化射频芯片nRF9E5来实现一对多功能;在单一火线上实现开关控制和为控制系统提供电源,构成一个低成本、适合装入86型暗盒,无须任何改装,无须附加任何外围器件的单线制射频遥控开关系统。图l所示的主框图,突破了传统电工产品单线制(即无零线)供电方式的限制,所有射频遥控开关都是按照电工安全规范布线(即零线不入开关),彻底解决了单线制接入技术。

1 控制系统硬件设计
1.1 nRF9E5功能介绍
nRF9E5是Nordic VLSI公司推出的系统级RF芯片,内置增强型8051兼容微控制器、433/868/915MHz的nRF905射频收发器和4路输入10位80 kbps A/D转换器。芯片嵌入了电压调整模块,最大限度地抑制噪声,可工作在1.9 V~3.6V的单电源上,待机功耗为2μA,QFN5×5封装。由于nRF9E5集成度高,功能强,功耗低,很适合用于小型化和低压场所的射频控制系统的设计。
1.1.1 增强型51内核微控制器
nRF9E5的片内微控制器与标准805l兼容,指令时序与标准的805l稍有不同:nRF9E5的内置微控制器的指令周期为4~20个指令周期。中断控制器支持5个扩展中断源:ADC中断、SPI中断、 RADI0l中断、RADIO2中断和唤醒定时器中断。微处理器除了256B的数据外,还扩展了512B的ROM和4KB的RAM,并扩展了2个数据指针,以便从XRAM区读取数据。上电复位或软件复位后,处理器自动执行ROM引导区中的代码。用户程序通常是在引导区的引导下,从EEPROM加载到4 KB的RAM中。如果应用中不用内含ROM的nRF9E5,则程序代码必须从外部加载,比较常见的是通过SPI接口连接型号为25320的EEPROM。而SPI接口引脚是MISO、SCK、MOSI和EECSN,其中MSIO、SCK和MOSI与Pl口的低3位复用,通过寄存器SPI_CTRL来控制功能间的切换。
nRF9E5内置有lO位ADC,A/D转换参考电压可通过软件设置在AREF和1.22V之间(内部参考电压)。A/D转换器的4个输入可通过软件进行选择,默认工作于10位方式,可通过软件使其工作于6位、8位或12位方式。nRF9E5还增加了CKLF时钟、RTC唤醒定时器、GPIO唤醒和 WTD,以及一些特殊功能寄存器。更多的功能扩展可查询参考文献。
1.1.2 nRF9E5收发模块
nRF9E5收发器通过内部SPI口与其他模块进行通信,具有同单片射频收发器nRF905相同的功能:载波监测输出CD,可避免空间无线通信碰撞;地址匹配输出AR,易于实现点对多点无线通信设计;数据接收就绪DR,便于节能设计,满足低功耗设计要求。内置完整的通信协议和CRC效验,只需通过SPI即可完成所有的无线收发传输。输出功率、频道和其他射频参数可通过对特殊功能寄存器RADIO(OxAO)编程进行控制。发射模式下,射频电流消耗为 11mA,接收模式下为12.5mA。
nRF9E5使用SPI接口进行内置微处理器与无线模块间的数据传输。nRF9E5的收发器有3种工作方式:ShockBurst接收(RX)方式、 ShockBurst发送(TX)方式和空闲方式。nRF9E5收发器的工作方式由特殊功能寄存器TRX_CE和TX_EN决定,详见表l。

1.2 火线开关和火线取电电路设计
传统的机械式墙壁开关,大多是装在86型暗盒上的,一般可以通过10A的额定电流,是一个功率器件控制开关。要设计能代替传统的机械式墙壁开关的控制系统,首先要从功率上考虑,选择能控制大于10 A电流的功率器件;然后是功能的实现,即为负载提供的火线开通和切断,并能为控制系统提供稳定续流的电源;最后是电子元器件体积的选择。
为了简化电路的设计,火线开通和切断选用5V直流控制继电器,最大通过15A的220V交流电压即可。在继电器开通时,选用IRL3803S大功率场效应管,其内置的稳压二极管,既可为系统提供电源,也可为负载提供通路。因其额定工作电流ID=140A,故可以不带散热片直接使用,在86型暗盒里特别有效。
在继电器断开时,市网电压主 要落在控制系统上,而控制系统只需6V直流电源,因控制系统功耗低,故主要压降可由1/4W的金属膜电阻来承担;同时,选用BVCBO≥600V的硅NPN大功率晶体管l3002作为控制系统电源的调整管。
由图l主框图可知,控制系统是串联在被控电器的前端,用来代替86型墙面机械开关的。由于没有零线,加之又不能重新布线,因此只能在火线上考虑如何保留开关功能和如何为控制系统提供稳定的续流电源。图2所示的火线开关和火线取电电路,分为继电器断开和继电器闭合两部分。显然,场效应管IRL3803S、晶体管13002、6V直流控制继电器、R1和R2金属膜电阻为关键元器件。
市网电压220V刚来时,或者是微控制器发送关断信号时,继电器J1断开,220V交流电压主要落在控制系统上。交流电压经过D3半波整流,R2降压,经 Q4与Q5组成一个串联型稳压电源,提供6 V电压。由于整个系统功耗较小,经过计算,金属膜电阻R2的阻值为20 kΩ,功率为1/4W,可为控制系统提供在继电器断开时的主要压降。
当要求被控电器工作时,微控制器提供开通信号,使J1合上,并使220 V市网电压主要落在被控电器上,不影响被控电器的正常工作。控制系统的取电由IRL3803S来提供,其内置一个30V的单向稳压管,在IRL3803S 未开通时,可提供最大30V的单向交流电压。经Dl整流,Z1、Z2为不同的稳压值,Q1、Q2、Q3配合下组成不同的控制信号,使IRL3803S导通或断开;一为负载提供通路,二为控制系统提供续流6V的稳压电源。

在此环境下,建议不使用开关电源。开关电源电路复杂,输出电压波纹系数大,电路干扰大,在86型暗合空间里不易设计抗干扰电路,而且容易使nRF9E5接收数据时发生混乱。
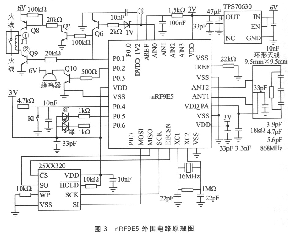
1.3 nRF9E5外围电路设计
根据单线制火线开关的实际需要,nRF9E5的外围电路设计如图3所示。

由图3可知,nRF9E5的专有外围电路——9.5mm×9.5mm环形天线电路(868 MHz)、25XX320 EEPROM电路、TPS70630电源转换电路,就可完成nRF9E5控制数据的射频接收和发送。火线开通和切断由nRF9E5的P0.1来控制,开关工作状态红绿指示灯则由P0.5、P0.6提供。图2中的取样电阻R1输出③经10nF电容滤波后,一方面作为模拟电压送到nRF9E5的AIN0输入端,经A/D转换为数据Data。绿指示灯闪烁频率f=Data*Pre(Pre为取样取整参数,使f=0.5 Hz~16 Hz),表示被控电器的负载轻重;另一方面当负载过重或有短路现象时,R1输出③使1 V稳压管击穿,Q6饱和,Q8、Q9截止,Jl切断;同时使P0.3触发INTO中断(图3未画出),PO.2输出1 kHz方波使蜂鸣器报警,绿指示灯灭,红指示灯以16 Hz(最高)闪烁。
K1为自弹起开关,与外面板连在一起,保留原机械开关的手动功能。当按动开关K1时,P0.4(即INTl中断输入)为低电平触发INTl中断,进入INTl中断服务程序,决定J1的开通还是断开。
86型面板最大可装3个面板开关,P0.0和P0.7控制另外2个同类型的继电器J2、J3,另外2个面板K2、K3使用P1口的低2位(图3未画出).通过寄存器SPI_CTRL来控制功能间的切换。
1.4 电路板设计
因整个控制系统工作在火线上,主印制电路板(PCB)使用2.Omm厚的双面板.并按86型暗盒空间来安排强电流大功率元器件和小电流其他小功率贴片元器件。把与功率器件有关的元器件和系统电源取电电路的元器件安排在暗盒的主板正面上,把火线接头和与强电流路径有关的功率器件安排在一边走线,与系统电源取电的弱电流有关的器件安排在另一边走线;而与nRF9E5射频有关的元器件安排在立面的辅助PCB板上,与主板弱电流一边垂直焊接。
按照Nordic VLSI公司推荐nRF9E5的射频PCB设计,辅助PCB使用1.6mm厚的FR-4双面板,分元件面和底面。PCB底面有一个连续的接地网,射频电路的元件面以nRF9E5为中心,各元器件紧靠其周围,尽可能减小分布参数的影响。元件面的接地面保证元件充分接地,通过大量的过孔连接元件面的接地面到底面层的接地网。nRF9E5采用9.5 mm×9.5mm的PCB差分连接的环形天线,在天线的下面不设接地网。
2 软件程序设计
2.1 通信协议
要实现射频控制面板开关功能,就必须完成开关面板终端和遥控器(即上位机主收发器)之问的射频数据通信,需要对nRF9E5进行初始化,并根据实际情况进行配置设置;对每一个射频遥控控制开关的通信帧格式进行定义,实现一对多的功能。各开关面板的控制数据通信帧格式如下:

引导码和校验码由nRF9E5自动 加载,其他都由内置的微控制器程序产生。识别码为本接收机代号,与其他的接收机区分开来。状态字为1位,值为0时,表示后面的数据为命令字,反之为数据字。数据1…N根据实际情况设置字数。填充码表示本帧在不够规定的长度时,填若干个0到达规定的帧长度。接收控制数据时, taRF9E5先接收一帧数据包,分别验汪引导码、接收机地址和校验码,正确后再将有效负载数据送人微控制器处理;当微控制器判断有效负载中的识别码和本机识别码号一致时,继续处理后继数据,否则放弃该数据包,并要求重发。当nRF9E5处于发射模式时,接收机地址和有效负载由微控制器按顺序送入射频模块 nRF9E5,引导码和校验码由nRF9E5自动加载。
2.2 软件流程
要实现上述控制数据帧通信功能,需要对 nRF9E5进行初始化配置和用户程序设计。程序采用中断接收,按需发送。发送和接收程序流程如图4所示。有一个收发主程序,市网来电先使nRF9E5配置初始化,再进入正常中断接收、按需发送工作。有两个中断服务程序:一个是当取样电阻压降过大时,引起Q6反转,表明负载过重,切断继电器,同时触发 INTO中断服务程序,蜂呜器报警,绿灯灭,红灯以16 Hz(最高)频率闪烁,微控制器读开关相应的工作数据,把过载的情况发送出去,随后进入死循环,由WDT溢出强制复位;另一个中断服务程序是手动开关Kl (或K2、K3)引起的触发INTl中断,相当于射频接收到了遥控数据,完成射频接收一样的工作流程。

结语
在传统的墙面86型机械开关改造过程中,充分考虑到了射频收发模块nRF9E5芯片高度集成的优点,节省了存储器等外设,很容易构建新的通信协议数据帧,能使其应用于多点射频控制终端。硬件上选择符合负载的功率器件,使得设计射频遥控开关适合零线不入开关的电工安全规范。同时,基于nRF9E5和火线的单线制遥控控制有更多的用途。在不易布线而且又要多点控制的地方,就是此种技术应用的地方。
