0 引言
ARINC429航空通讯总线是一种常用的惯导系统通讯总线。由于该总线的功能相对独立,航空电子系统逐步走向综合,各子系统之间的数据通讯变得更加频繁。因此,研制一种基于ARINC429总线标准多种导航检测信号的手持设备,就可以为雷达导航测试人员提供很多方便。
1 ARINC429总线简介
ARINC429总线标准又称为Mark33数字信息传输系统,由美国航空无线电公司(ARINC)颁布实施。我国在航空电子设备(诸如GPS、惯导系统、电子飞行仪表)中也大量采用了ARINC429规范与外设进行通讯。此总线允许一个发送器和最多20个接收器进行一对单向、差分耦合、双绞屏蔽线信号传输。该标准的数据字分25 bits和32bits两种,以双级归零码的形式发送。传输速率分成12.5 kB/s(低速)或100 kB/s(高速)两种,传输协议采用简单的点对点形式。ARINC429总线数据字长度为32位比特,可以分为五部分:奇偶校验位(P)、符号/状态位 (SM)、数据位(DATA)、源,目标标识位(SDI)和标号位(LABEL),发送顺序为标号位、源/目标标识位、数据位、符号/状态位、奇偶校验位,其中标号位比较特殊,采用先发高位后发低位的表现形式。
2 手持设备系统硬件方案
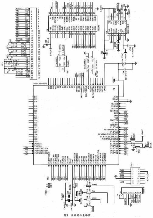
本设计中的主处理器可选择美国TI 公司的MSP430系列16位工业级超低功耗单片机MSP430F449IPZ。该产品带有48个I/O引脚和60KB存储空间,并集成有专用的键盘和 LCD驱动接口,因而比较容易维护,性价比和工作可靠性都较高,有利于系统硬件进行优化设计。MSP430具有超低功耗特性,一般模式下的工作电流仅 280μA,省电模式下的工作电流仅1.1μA,故可极大地延长电池寿命。

该调试仪的显示部分选用小型矩形单色LCD显示器。键盘选用小型键盘接口模块,仅需配置“POWER”、“MOD”及上下选择按钮共四个键,可以减小设备的外形尺寸,并可简化该调试仪的操作步骤,使用十分简单、方便。MSP430系统需扩展一片RAM,以动态存储各种运算的中间数据。而由于MSP430系列单片机内部有足够的FLASH存储器空间,故无需再扩展 ROM。这样,整个设备体积可不超过160 mm×100 mm×50 mm,有利于操作。

手持导航设备信号发生器的系统硬件连接框图如图1所示。图中,ARINC429数据通讯可选用HARRIS公司的HS3282和HS3182接口芯片配合完成。其中HS3282芯片的信号传输速率为 100 kB/s或12.5 kB/s,采用单电源+5 V供电,芯片由两个接收器和一个发送器组成,接收器和发送器可分别独立工作。两个分别独立的接收器直接与ARINCA29总线相连,而不需电平转换。接收器以10倍于接收数据速率的频率工作,字长25位或者32位,接收到的数据带有奇偶校验状态。发送器主要由先进先出(FIFO)存储器和定时电路组成。 FIFO存储器用于保存串行传输8个ARINCA29数据字,内部定时器可自动调整字间隔,并自动产生奇偶校验位。HS3282芯片的发送器可将两个16 位的并行数据转换成32位TTL电平的串行数据,并经过与其配套的总线驱动芯片HS3182将电平转换为双极性归零码发送到ARINCA29数据总线上。其硬件设计原理如图2所示。图2中,HS3282采用5 V供电,数据传输速率为100 kB/s,可外接1MHz晶振。MR复位低有效可接单片机P4.2,由于系统仅用来发送测试信号时为单向传输,故不需要两路接收。由于MSP430是16 位单片机,故也不需要8位锁存器,它的16位数据总线可连接到单片机P2和P3的两组引脚。发送时,HS3282为前级输出,HS3182通过Aout和 Bout引脚为正式差分输出。另外,MSP430内部集成有LCD驱动电路,故可直接连接LCD接口,其系统原理图如图3(见第32页)所示。

3 结束语
本文以超低功耗和安全实用为方向,以低功耗的MSP430单片机和ARNIC429总线为技术手段,提供了一套以发射导航检测信号为主的手持设备的硬件方案,本系统在实际运行中效果稳定可靠,具有较好的使用价值和应用前景。
