摘要:介绍了USB 协议芯片FT245BM的工作原理,设计了FT245BM与FPGA的接口电路,给出了FPGA发送和接收数据帧状态机的Verilog语言的描述,并介绍了PC机软件的设计方法。该电路被成功地应用到光纤陀螺多路测试系统中,简化了电路设计,提高了测试效率。该设计具有很强的通用性。
一、引言
USB总线因其传输速度快、占用资源少以及真正的即插即用等诸多优点,受到了广大开发者的青睐,已经成为很多计算机设备的一种基本配置。目前被广泛采用的USB设备开发方案主要有以下两种(1)利用USB设备端接口芯片加微控制器结构。如国内用的比较多的Philips公司的PDIUSBD12/ISP1581等。(2)采用USB单片机。采用这两种方案要求开发者彻底理解USB协议的细节,并编写出固件程序。固件的运行要占用微控制器的时间和空间资源,实际通信效率不会很高。也有人用FPGA实现固件的功能,但这种方案开发和调试的难度很大。本人在实际工作中用FPGA外部直接连接一片USB协议芯片FT245BM,实现了FPGA与PC机的USB通信,该方法不用微控制器,减少了元器件的个数,并且占用FPGA资源很少,FPGA仍然可以实现其他逻辑功能,系统设计的灵活性很大。
二、FT245BM简介
FT245BM由FTDI (Future Technology Devices Int. Ltd.)公司推出,该芯片的主要功能是进行USB和并行I/O口之间的协议转换。芯片一方面可从主机通过USB串行总线接收数据,并将其转换为并行I/O口的数据流格式发送给外设;另一方面外设可通过并行I/O口将数据转换为USB串行数据格式传回主机。中间的转换工作全部由芯片自动完成,开发者无须考虑固件的设计。该芯片提供了通用的并行I/O口方便与微控制器、FPGA或其他外设接口。在PC机端安装了FTDI公司提供的驱动程序,只需熟悉简单的VB、VC编程,就可很容易地进行上位机软件开发。
关于FT245BM的内部结构及详细地引脚介绍读者可以参考其他相关资料,在此仅对与本设计相关的内容作一个介绍。FT245BM内含两个FIFO数据缓冲区,一个是128字节的接收缓冲区,另一个是384字节的发送缓冲区。它们用作USB数据与并行I/O口数据的交换缓冲区。FIFO实现与外界(微控制器、FPGA或其它器件)的接口,主要通过8根数据线D0~D7、读写控制线RD#和WR#以及FIFO发送缓冲区空标志TXE#和FIFO接收缓冲区非空标志RXF#来完成数据交互。TXE#为低表示当前FIFO发送缓冲区为空,为高表示当前FIFO发送缓冲区满或者正在存储前一个字节,禁止向缓冲区中写数据。RXF#为低表示当前FIFO的接收缓冲区非空。RD#信号由低变高将从FIFO缓冲区中读取数据。当RD#变低时将数据送到数据总线。RXF#为高不能从FIFO读数据。读写时序见图1和图2。
![]() |
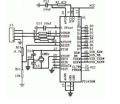
三、 FT245BM与FPGA的接口设计
3.1 硬件电路设计
图3是FT245BM的USB与FPGA的接口电路,FPGA选用ALTERA EPF1K50TC-144,其中D0~D7是FT245BM与FPGA交换数据的数据总线,USB_RD#、USB_WR、USB_TXE#、USB_RXF#是相关的控制总线。
![]() |
|
图3 FT245BM与FPGA的接口电路 |
3.2 FPGA收发状态机设计
下面是用Verilog HDL 描述的FPGA收发状态机,为便于读者理解FPGA对FT245BM的读写过程,本文将接收和发送状态机分开给出。当然在实际应用中也可以将接收和发送操作合成一个状态机来实现。
3.2.1 接收状态机
接收状态机主要功能是查询USB_RXF引脚的状态,当检测到USB_RXF变低,即可获知上位机已经将数据写入到FT245BM的缓冲区,然后产生读控制时序,将FT245BM接收缓冲区中的数据读入到FPGA的缓冲区。重复以上步骤直到将一帧数据读完,然后执行相应的帧处理操作。下面是用Verilog HDL描述的接收状态机。
@always (posedge clk ) /*clk为FPGA工作时钟。
if(rst && USB_RXF==0)
begin
case(Rstate)
Rstate0:
begin
USB_RD<=0; /*产生读信号的下降沿
Rstate<=Rstate1;
end
Rstate1:
begin
RframeBuf[Rpointer]<=USB_DATA; /*读FT245BM芯片FIFO的当前字节
Rstate<=Rstate2;
end
Rstate2:
begin
if(Rpointer== FrameLen-1) /*如果已经接收到完整的一帧,则转Rstate3,
begin
Rstate<=Rstate3;
Rpointer<=0;
end
else /*一帧未接收完,转Rstate0继续接收
begin
Rstate<=Rstate0;
Rpointer<=Rpointer+1;
end
USB_RD<=1;
end
Rstate3: /*处理收到的帧
begin
Rstate<=Rstate0;
/*在此添加处理帧的代码,本文略*/
end
end
else
begin
Rstate<=Rstate0;
USB_RD<=1;
End
3.2.2 发送状态机
发送状态机完成的主要功能是将外设产生的数据通过FT245BM和USB总线传送到PC机。外设将数据准备好后,将发送允许信号(SendEN)置为有效,当状态机检测到SendEN=1时,即启动发送操作。首先状态机从外设的缓冲区按字节将待发送的数据读到FPGA的缓冲区,并产生写FT245BM发送缓冲区的时序,将数据写到FT245BM发送缓冲区。直到将一帧数据发送完毕。下面是FPGA向FT245BM发送数据的状态机。
@always (posedge clk ) /*clk为FPGA工作时钟。
if(rst && USB_TXE==0&& SendEN==1) /*rst为异步复位信号, SendEN为发送允许信号,由给Pc机发送数据的逻辑电路置位,数据发送完成由发送状态机将其清除。
begin
case(Sstate)
Sstate0:
begin
USB_WR<=1; /*产生写信号的上升沿
Sstate<=Sstate1;
end
Sstate1:
begin
USB_DATA <=SframeBuf[Spointer]; /*写一个字节到FIFO,SframeBuf为发送缓冲区
Sstate<=Sstate2;
end
Sstate2:
begin
if(Spointer == FrameLen-1) /*如果已经发送完一帧,则转Sstate3,
begin
Sstate<=Sstate3;
Spointer <=0;
end
else /*未完,转Sstate0继续发送
begin
Sstate<=Sstate0;
Spointer <= Spointer +1;
end
USB_WR<=0; /*产生写usb FIFO信号的下降沿
end
Sstate3:
begin
Sstate<=Sstate0;
/*在此添加处理帧发送完毕的代码和清除SendEN 信号的代码,本文略*/
end
end
else
begin
Sstate<=Sstate0;
USB_WR<=0;
End
限于篇幅,以上状态机只给出了帧收发的基本操作,因为在不同的应用场合,帧处理的方法也不相同,所以本文没有给出帧处理代码。另外,在实际应用时需要注意以下内容:由于FPGA读写FT245BM共用一组数据总线,状态机不能同时对FT245BM进行读写操作,当所以当两个状态机分开编写时,为避免冲突需分出读写的优先级,此时只需对以上状态机稍加修改即可。比如当若令读的优先级高,则在写的状态机中将if(rst && USB_TXE==0&& SendEN==1)语句的条件改为if(rst && USB_TXE==0&& SendEN==1&& USB_RXF==1)即可。写优先级高的情况可以仿照此方法修改。
四、PC机软件设计
PC机软件的设计有两种方法:一种是在PC机上安装一个由FTDI公司免费提供的虚拟串行口VCP(Virtual COM Port)驱动程序,将USB口虚拟成一个串口,像一个标准的串口那样进行进行外设和PC机的通信。可本质上所有针对虚拟串口的数据通信都是通过USB总线完成的。另外一种方法是利用FTDI公司提供的D2XX驱动程序,通过调用驱动程序的动态链接库直接访问USB。由于人们对串口的操作比较熟悉,通常用前一种方法访问USB。比如,在PC端,应用VB对VCP(通常设置为COM3)进行编程。可以直接应用MSComm控件,将MSComm.CommPort置为3,MSComm.Setings置为“9600,n,8,1”(该速率为默认设置,实际上VCP驱动程序总是使数据以最快速率传输);通过MSComm.PortOpen设置COM3的开关状态;通过MSComm.Input和MSComm.Output读入或输出数据。在读取数据时,设置MSComm.Rthreshold的值为1。只要有数据传到PC机,就立即触发MSComm.CommEvent事件,自动读取COM3的数据;而发送数据则可自动或手动发送,由用户自己设置。以上操作与操纵标准的串行口完全一致。
五、结语
以上状态机在MaxPlusII10.2下调试并下载到FPGA运行通过,软件在Windows 2000,VB6.0环境下调试通过。该电路成功应用到光纤陀螺多路测试系统中,实现了同时对4路陀螺信号的同时测试,简化了电路设计,提高了测试效率。
参考文献:
[1] FT245BM data sheet. Future Technology Devices Int. Ltd.
[2] 夏宇闻. Verilog 数字系统教程[M]. 北京:北京航空航天大学出版社,2004
[3] 张俊安. 用VB实现windows 9x环境下的串口通信[J]. 山东煤炭科技, 2000年增刊:73~74


