引 言
随着微电子技术的不断发展,超大规模集成电路的集成度和工艺水平不断提高,将整个应用电子系统集成在一个芯片中(SoC),已成为现代电子系统设计的趋势;以往高复杂度、高成本的嵌入式系统结构能够通过低成本的单片芯片实现。另一方面,复杂可编程逻辑器件(CPLD)和现场可编程门阵列(FPGA)集成度和速度不断提高,功能不断增强,开发人员可以使用高性能的EDA综合开发工具和硬件描述语言(HDL)在短时间内设计出复杂的电子应用系统。目前,嵌入式系统已经在各行各业得到广泛应用。工控、通信、汽车、航空航天以及军事等各个领域都能看到嵌入式系统的身影,而微控制器(MCU)则是嵌入式系统的核心。
1 精简指令集计算机(RISC)
1.1 RISC的结构特征和设计原则
精简指令集计算机具有单周期单指令,存储器到寄存器的操作,简单的寻址方式和简单的指令格式的结构特征,其设计原则为:
① 选择使用频率高的指令,补充少量高效指令;
② 指令的结构简单,所有指令长度相等;
③ 采用流水线技术,尽量使CPI = 1;
④ 使用Load/Store操作指令访问存储器;
⑤ 采用通用寄存器(GPR)结构;
⑥ 优化编译,提高执行效率。
1.2 性能因子CPI和执行时间
性能因子是指微控制器每条指令的平均时钟周期数CPI(Cycles Per Instruction),执行时间是微控制器性能的主要指标。在影响t的三个因素中,时钟频率取决于硬件技术;CPI与指令集和MCU的组成结构有关;而指令数由指令集和编译技术决定。要使微控制器的性能得到提高,优化指令集、减少程序的总指令数和降低CPI值是设计主要考虑的问题。
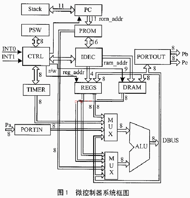
2 微控制器的系统结构
图1所示的微控制器主要由以下几个模块组成:
① PROM程序存储器单元(Program ROM)。程序存储器容量为2K×16位。系统复位后,程序计数器PC指向程序存储器000H单元,程序从000H处开始执行。
② IDEC指令译码单元(Instruction Decoder)。指令译码器对输入的16位宽指令进行译码,输出寄存器、数据存储器的地址和读/写控制信号。
③ ALU算术逻辑运算单元(Arithmetic Logic Unit)。ALU单元是MCU数据处理的核心部分,数据宽度为8位,具有加、减、逻辑运算和移位功能。ALU单元有2个8位的数据输入和1个8位数据输出,1位进位输入,1位进位标志输出和零标志输出。运算操作码输入为4位,由译码单元提供。
④ REGS寄存器单元(Register)。1组16个8位寄存器,用于数据的高速存取。寄存器组具有2个数据输出端口和1个数据输入端口,读和写地址分开,可同时进行读/写操作。
⑤ DRAM数据存储器单元(Data RAM)。包含4段共512字节(每段128字节)的数据存储器,直接寻址能力为128字节,间接寻址能力为256字节,由程序状态控制寄存器PSW的高2位控制段选地址。
⑥ CTRL控制单元(ControlUnit)。整个MCU的控制中心,主要控制流水线操作、数据总线的控制和程序计数器的转移。另外,还包括中断、计数器和堆栈控制。
⑦ 其它。定义了1组数据输入端口、2组数据输出端口,数据位宽均为8位;2个外部中断输入INT0和INT1;1个8位计数器TIMER;7级程序堆栈Stack,可实现7级子程序调用;1个8位的程序状态控制寄存器PSW。
3 流水线技术
3.1 三级流水线结构

微控制器采用取指(IF)、执行(EX)、回写(WB)三级流水线结构,如图2。各阶段的主要功能为:
取指级——从程序存储器中取出一条指令,同时进行指令译码,准备寄存器、存储器的读地址,读/写控
制信号;
执行级——数据输入ALU单元运算,同时准备寄存器或存储器的写地址;
回写级——将ALU输出的运算结果写入寄存器或存储器中。
3.2 流水线竞争及解决
控制竞争,由程序PC 指针值的改变引起。当执行跳转指令时,PC指针值要到执行级才能改变,这将会使下一拍的取指操作出错。这时必须由硬件插入一条空操作NOP指令,等待PC指针的值改变后再取下一条指令。
数据竞争,由指令间数据相关引起。存储器访问存在先写后读相关(read after write),前一条指令的写操作要到回写级才能完成。若紧接的下一条指令需要读取同一地址的内容时,必须使用旁路(bypassing)技术,从ALU的输出结果直接反馈到ALU的输入端供下一条指令的执行级使用。
4 指令集和指令格式
微控制器指令长度为16位定长,操作码采用可变长结构。操作码长有4位(立即数运算)、5位(跳转,寄存器-存储器运算)或8位(寄存器-寄存器运算)。支持的指令覆盖了最基本的MOV、ADD、SUB、AND、OR、 XOR指令,以及移位、各种跳转指令等。指令集中可不含清零、取反、自增和自减指令,因这些指令可由AND、 XOR、ADD、SUB指令代替。在51系列单片机中, 累加器的清零、取反、自增和自减运算(单周期)比累加器-立即数的逻辑运算(双周期)快;而在实现了单周期单指令的RISC微控制器中,可用相应的逻辑运算指令实现寄存器的清零、取反、自增和自减操作,对性能没有影响。
5 逻辑综合、仿真和硬件实现
所有模块均在Altera 公司的Quartus II 2.1上进行逻辑综合、仿真测试通过,并在支持存储器的 FLEX10KE系列FPGA器件上验证实现。逻辑综合结果为969个LE数(Logic Elements)。以下是一简单程序,仿真波形如图3。
000: ADD R1,#01H ;指令为1101H,R1对应Pb输出
001: MOV R2,Pa ;指令为FE62H,R2对于Pc输出
002: JMP 000H ;指令为C000H,循环跳转
从仿真波形上可以清楚看到程序执行时PC指针的改变、Pb口自增及Pa口的数据传到Pc口的过程,也可大致看出程序的取指、执行、回写三级流水的执行过程。同时还可看到在执行跳转指令JMP后自动插入一条空操作NOP指令(FFFFH)。
结 语
从逻辑综合与仿真测试的结果看,该微控制器完全达到了设计指标。设计的关键是三级流水线的实现和数据总线的控制。设计使用Verilog 语言描述,可读性好,易于增减资源和修改功能,可方便地应用于嵌入式系统中。由于时间仓促和水平有限,许多问题未能考虑,不足之处恳请读者赐教。
