随着现代电子技术和无线通讯技术的飞速发展,无线电通信的应用越来越广泛,家用电器产品日益普及。射频前端作为接收机的重要组成部分,主要功能是将接收到的高频信号,转换成中频信号。射频前端电路对整个接收系统的性能有着至关重要的作用,其检测小信号的能力直接决定了接收机的灵敏度;对大信号的适应能力决定着接收机的动态范围;良好的线性度可以减少系统中的互调失真和交调失真。文中着重介绍利用Agilent公司开发的功能强大的ADS(Advanced Design System)仿真软件对接收机的射频前端进行仿真,得到射频前端可靠的优越的性能指标,缩短了生产设计时间,降低生产成本,提高产品的质量。
1 射频前端的具体指标
根据接收机的灵敏度、噪声系数、选择性、动态范围、镜象抑制和中频抑制等各项性能要求,分配到前端的各项技术指标为:(1)频率范围:30.000~87.975.MHz;(2)增益:13±2 dB(高灵敏度),0±2 dB(低灵敏度);(3)像频抑制:30~58.975 MHz≥80 dB,59~87.975 MHz≥75 dB;(4)具有高低灵敏度选择。
2 射频前端的仿真模型与总体设计
文中的射频前端电路原理框图,如图1所示。

由图1可知,前端电路由保护电路,跳频预选滤波器,低噪声放大器和自动增益控制电路组成。其中保护电路是接收机射频前端能在现代复杂电磁环境下继续良好工作的保障,防止接收机因受强信号而造成损坏;跳频预选滤波器是为了选出接收机的工作频率信号,滤除其他杂波,提高接收机的选择性和抑制性;低噪声放大器实现对接收的微弱信号的不失真放大,提高接收机的灵敏度以及动态范围;AGC电路通过检波器检测与RF信号成正比的信号,并把它整流成DC电压,通过比较器与基准电平比较,然后输入终端,由终端进行控制,以此实现对LNA的增益控制,提高接收机的适应性和稳定性。这是该射频前端设计的一个独到之处。
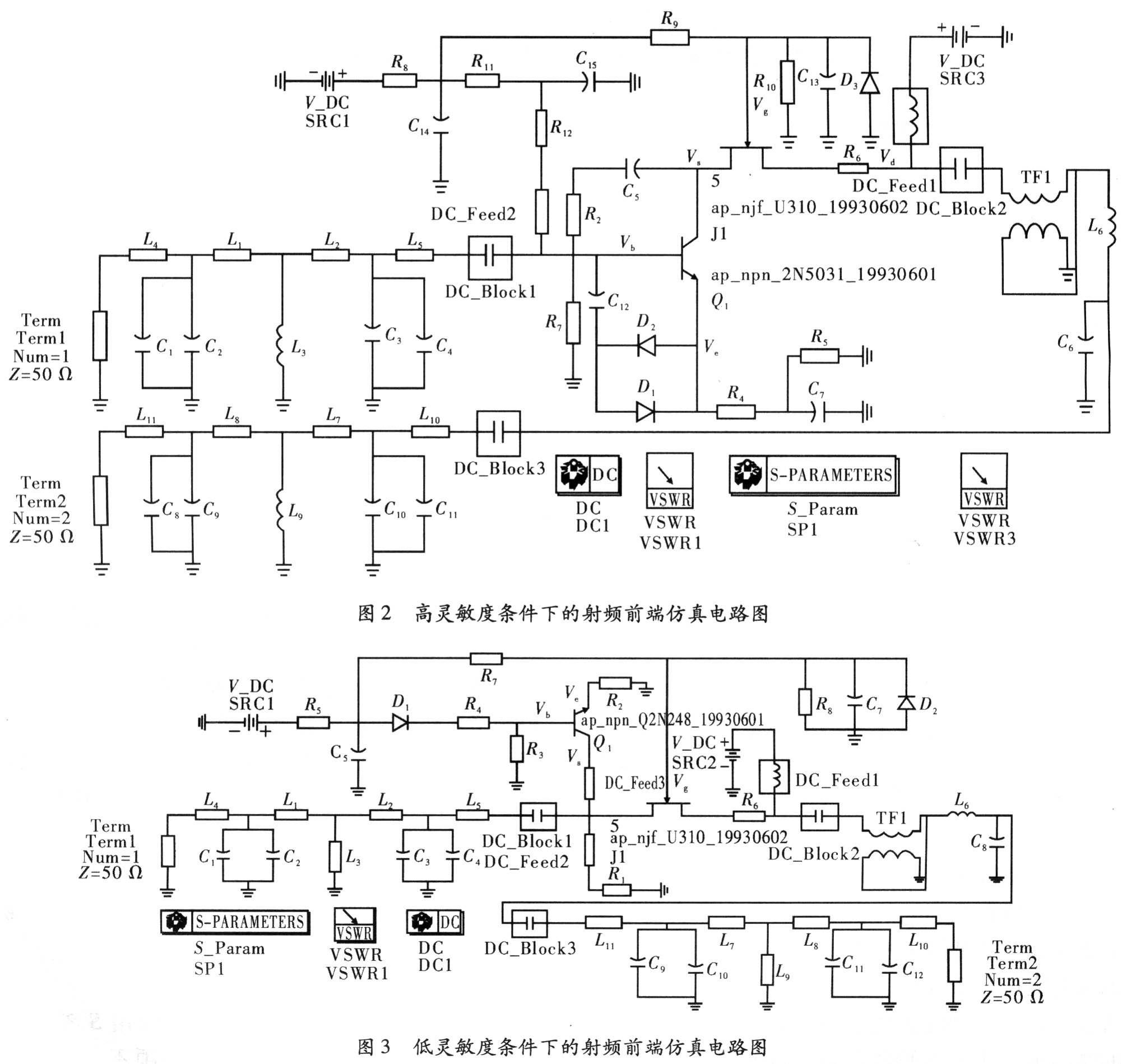
根据前端的原理框图,在ADS中构建仿真电路图,高灵敏度条件下的射频前端电路图,如图2所示。低灵敏度条件下的射频前端电路图,如图3所示。

图2中所用的放大器件为晶体管2N5031和场效应管U310;在电路结构上采用级联结构,保证足够的功率增益,其中第一级晶体管电路采用负反馈技术以保证放大器的稳定性。图3中所用的放大器件为场效应管V310,具有高增益,低噪声,高稳定的特性。
2.1 数控跳频预选滤波器的仿真
数控跳频预选滤波器的基本作用是对频率有选择地通过,把需要的信号选出来,并抑制不需要的信号。滤波器设计所关心的主要问题是信号通过滤波器所产生的插损大小,相位变化,以及对不希望信号的抑制能力。考虑到设计的接收机工作在30~87.975 MHz的频率范围内,并希望实现全频段覆盖,以及保持有较高的接收灵敏度,因而最好选择使用电调谐滤波器,并且所选电调谐滤波器应具有较宽的调谐范围,较快的电调谐速度和较高的Q值以实现频率预选。本项目所设计的数控跳频预选滤波器是采用逻辑芯片控制电容器组的方法来实现滤波器中心频率调谐的双调谐滤波器。在ADS中的连接图,如图4所示,通过调谐控件对电容C01,C02的容值进行改变得到对选用不同的电容器组的滤波器进行仿真。

从图5中(a),(b),(c)的仿真结果中可以看出,中心频率为86.5 MHz时滤波器的带宽为3.9 MHz,插入损耗为5.352 dB。中心频率为60.5 MHz时滤波器的带宽为2.6 MHz,插入损耗为4.375 dB。中心频率为30.0 MHz时滤波器的带宽为1.5 MHz,插入损耗为5.764 dB。带宽和插入损耗在各频率点上出现不同的值,原因之一是通过改变电容值来改变中心频率,另一个原因是在仿真的过程中,把L3设定为一个固定值,因而在频率的高端出现了过耦合现象,频率的低端出现了欠耦合。实际电路设计时,L3是电感L1、L2的寄生电感,其值是在变化的。从仿真结果中还可以看出通过滤波器所得的频率响应是不对称的,信号在高于中心频率处的衰减速度要大于在低于中心频率处,这是因为所设计的跳频预选滤波器是通过电感耦合造成的,如果使用的是电容耦合则得到与仿真结果成镜像关系。总的来说,所设计的跳频预先滤波器的带内插损和带宽都达到了系统的设计要求,其中插损(4~6 dB)、带宽(1~4 MHz),较好的实现了选频滤波作用。

2.2 低噪声放大器(LNA)的仿真
低噪声放大器(Low Noise Amplifier,简称LNA),是接收机射频前端的重要组成部分。低噪声放大器主要有以下几个特点:首先,它位于接收机的最前端,要求噪声越小越好。为了抑制后面各级噪声对系统的影响,要求有一定的增益,但为了不使后面的混频器过载,产生非线性失真,增益又不能过大,并且要求放大器在工作频段内应该是稳定的。其次,它所接收的信号很微弱,低噪声放大器必定是一个小信号线性放大器。而且受传输路径的影响,信号的强弱又是变化的,在接收信号的同时又可能伴随许多强干扰信号混入,因此要求放大器有足够的线性范围。
2.2.1 LNA的稳定性分析
在设计小信号高频放大器时,应用S参数以评估主动元件的振荡倾向,也是一项不可或缺的程序。稳定性是说明主动元件在输入端和输出端,接上任何阻抗后仍能稳定工作,或是在与某些阻抗组合时,将引发振荡的特性。前者称为无条件稳定,后者称为潜在性不稳定。主动元件的稳定性,可凭借S参数的罗列特稳定因数K判定。在导出K之前,需先计算

罗列特稳定因数K为

2.2.2 高增益低噪声放大器仿真

若K>1,则主动元件无条件稳定,可用以与任何信号源阻抗或者负载组合。反之,若ADS2006仿真软件中进行仿真,设计了一种性能优越的LNA,以满足系统的要求,并有实际的应用价值。


由表1的仿真数据可知,设计的射频前端都达到了设计的性能指标且有一定的提高,特别是在镜像抑制上要比设计要求好的多。

4 结束语
从仿真得到的射频前端性能指标数据分析,在整个工作频段内,增益都较为平坦,而且射频前端的抑制性较好,噪声系数较低,达到了预期的设计指标要求,同时实现了高低灵敏度选择,自动增益控制功能。与原有的前端性能相比,在抑制性和噪声系数上有了较大改善,为下一步实际电路的设计奠定了一定的基础,缩短了产品设计的周期,降低了设计成本。
