0引言
随着计算机技术、通讯技术、网络技术的发展,智能化逐步渗入人们的家庭生活。智能家庭" title="智能家庭">智能家庭网络是指在家庭内部通过一定的传输介质(如双绞线、电力线等)将各种电气设备和电气子系统连接起来,采用统一的通信协议,对内实现资源共享,对外通过网关与外部网互联进行信息交换。该系统能对家庭中的各种电气设备,进行集中或分布、本地或异地的控制和管理。家庭网络系统因操作简单,稳定性好,扩展方便,控制灵活和容易维护等特点,在家庭、工业、贸易和商业楼宇等许多方面,都得到了广泛应用。
1HBS" title="HBS">HBS通信协议
家庭总线系统(HomeBusSystem,HBS)是由日系企业:日立、三菱、松下、东芝等联合提出的概念,由日本电子工业联合会/无线工程电子协会HBS标准委员会制定。HBS以双绞线或同轴电缆为通讯介质,控制通道最多可以有64个节点,家用电器经HBS总线互联,组成一个完整的家庭网络。协议主要用于电器开关量以及简单模拟量的控制,采用专用总线,具有抗干扰强,安全性高等优点。
HBS协议对国际标准化组织(ISO)提出的开放系统互连(OSI)七层模型作了精简,引用了其中的1,2,7层,由三层结构组成,分为物理层、数据链路层和应用层。
物理层描述了信号模式和传输介质。信号线采用普通的双绞线。HBS总线上的信号采用脉宽编码的方式。由于选用的HBS通信芯片要求传输信号的频率最大在10kHz左右,所以采用50μs低电平,50μs高电平表示逻辑“0”;50μs低电平,150μs高电平表示逻辑“1”,如图1所示。采用这种方式,抗干扰能力强。接收端通过计算两个下降沿之间的时间来判断逻辑“0”和逻辑“1”。协议的数据链路层主要是通讯帧结构的设计。通讯以帧的形式进行,所有从主机模块发出的帧是定长的,数据帧的内容包括起始字节、地址字节、数据字节、校验字节。

校验方式采用简单的校验和的方法进行帧的校验。先将起始字节、地址字节、数据字节进行相加,然后将结果截短到所需的位长。
从机模块的响应帧包括地址字节、数据字节和结束字节。
应用层定义所有传送信息,使网络上传送的信息在整个系统中有惟一的解释。
2系统的总体结构设计
图2为系统的总体结构。可以看出,这是一个分布式总线型系统,各节点间信息共享,采用这种结构,若不想用某设备,或者某设备损坏,可以直接去除,不会影响系统运行。

整个系统只有一个主机模块,各从机模块都挂接在总线上。每一次通信都是由主机模块发起的,以从机模块的响应结束。主机模块发送命令码,并将命令码进行编码传送到总线上。从机模块则将命令码进行解码,使处理器执行相应的操作并返回响应。驱动模块是具体的驱动单元,驱动具体的对象,如灯的开关和亮度的调节、电源开关、警灯、警铃等。
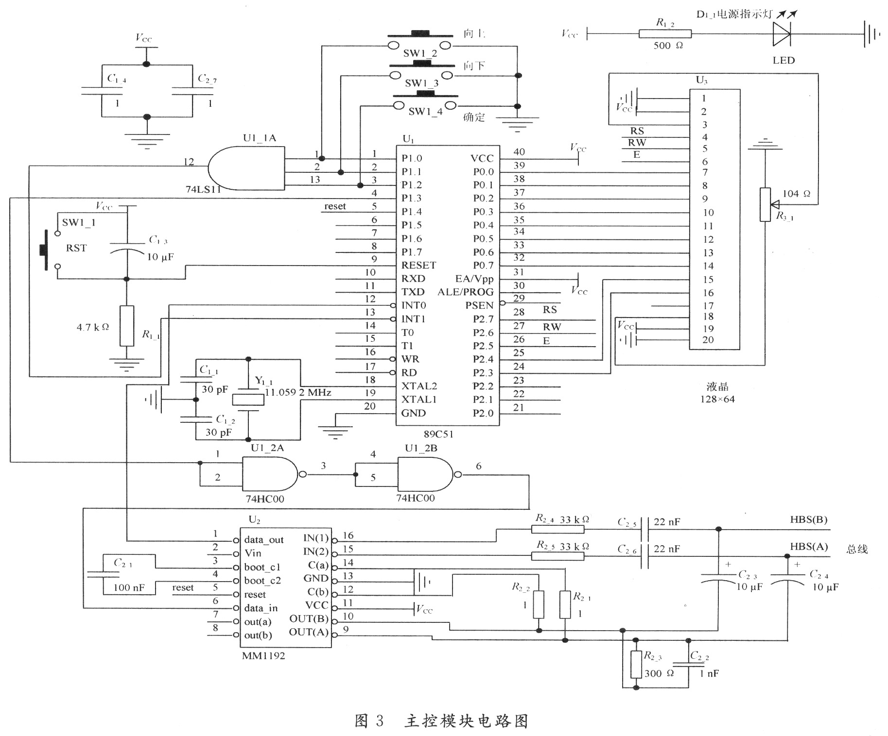
2.1主机模块
主机模块的电路图如图3所示。

控制芯片选用一般的AT89C51" title="AT89C51">AT89C51单片机。AT89C51是一种带4KB闪烁可编程可擦除只读存储器(FlashProgrammableandErasableReadOnlyMemory,FPEROM)的低电压、高性能CMOS8位微处理器。该器件采用ATMEL高密度非易失存储器制造技术制造,与工业标准的MCS-51指令集和输出管脚相兼容。由于将多功能8位CPU和闪烁存储器组合在单个芯片中,ATMEL的AT89C51是一种高效微控制器,为很多嵌入式控制系统提供了一种灵活性高且价廉的方案。通信芯片选用MM1192,是日本MITSUMI公司专门为HBS总线设计开发的适配器芯片,其本身自带编解码电路,可应用于智能家居系统的电信、安全监控、影音设备、空调设备等,具有成本低,可靠性高和外围电路简单等优点。通过MM1192可将单片机发出的控制信号进行编码,并附加到HBS总线上进行传输,在接收端,同样利用MM1192将信号进行还原,其控制时序及传输延时如图4所示。

采用MM1192收发模块,可直接与单片机连接,但是,考虑到一些干扰和失真,在单片机和收发模块之间加入了整形电路74HC00,有效降低了误码率。液晶用于显示设备的运行状态和执行按键操作命令。
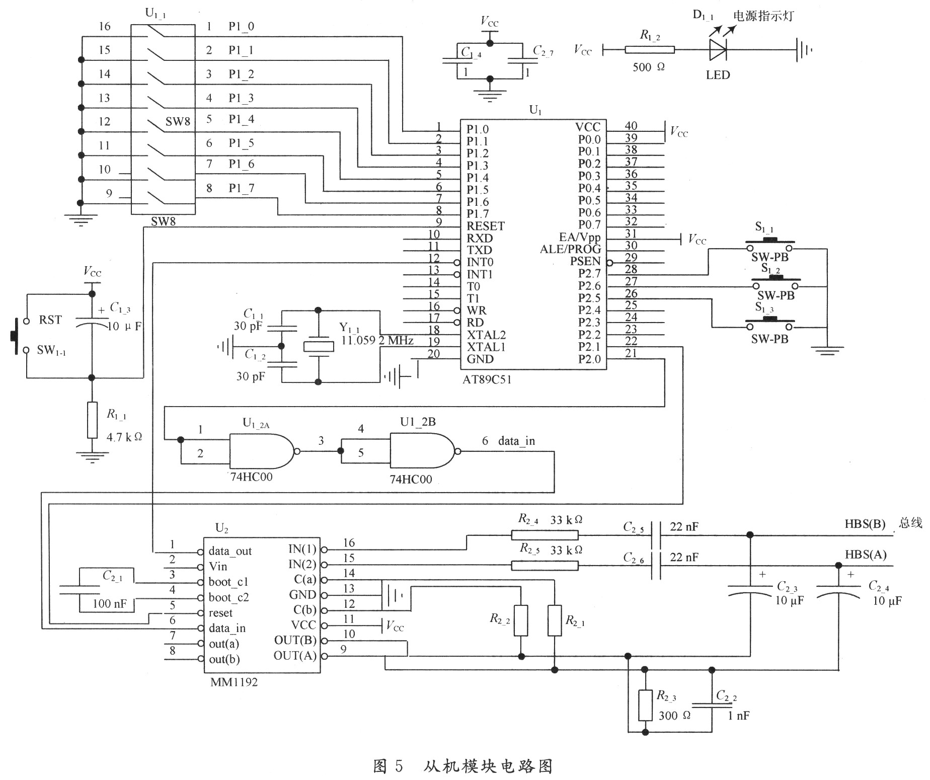
2.2从机模块
从机模块中的地址即该从机模块的编号使用拨码开关进行设定,其电路如图5所示。

当主机模块出现故障时,从机模块也可以依靠自己的控制系统使设备正常运行,避免了当主机模块出现故障时,致使整个系统瘫痪。
2.3灯光调节模块
驱动模块以灯光调节为例,如图6所示。由于可控硅具有导通和关断两种工作状态,所以灯光调节可采用可控硅移相触发方式。可控硅是一种新型的开云棋牌官网在线客服器件,它具有体积小,质量轻,效率高,寿命长,动作快等优点,可广泛应用于工业、交通、家用电器等领域,实现交流调压、电机调速、交流开关、灯光调节等功能。


4结语
随着人们生活水平的提高和计算机技术、通讯技术、网络技术的普及化,人们对于自身的居住环境,以及生活的舒适性、安全性,也有了更高的要求。智能家居系统是一个开放的、使用了多项高新技术的智能化、人本化的集成型家居系统,智能化和网络化将是未来家居发展的必然趋势。
