高效能模拟与混合信号IC创新厂商Silicon Laboratories(芯科实验室有限公司,简称Silicon Labs)特别推出的Si1102和Si1120是目前业界最灵敏的红外接近传感器之一,在远距探测和低功耗方面尤为出色。
Silicon Labs公司的红外接近传感系列
Si1102和Si1120红外接近传感器主要由一个红外LED驱动器、红外线光电二极管、一个环境光传感器(仅Si1120具有)和控制逻辑IC组成,外部的发射LED可以根据用户的需要灵活安装和配置(图1)。

图1:silicon Labs公司的红外接近传感系列应用方案图。

图2:Si1102的内部框图。
Si1102是一个可独立工作的红外接近传感器,能驱动单个红外LED。LED发射的红外线经过接近物体反射到达内置的红外线光电二极管,然后进行信号放大和信号处理,最后通过与一个设定的探测门限值比较输出一个相应逻辑电平。如果测量的结果高于这个门限值,则从PRX口输出一个低电平。这种电平信号的输出可用来作为其他器件的驱动或者MCU的中断输入,进而实现近距探测。
比如,在显示器应用上,Si1102红外线接近传感器能在使用者不在现场时轻易关闭显示器及其他功能,以达到省电目的。此省电功能特别适用于家电用品、安全设备及手持类电子产品,同时也可以应用在一些红外探测器上。

图3:Si1102的应用原理图。
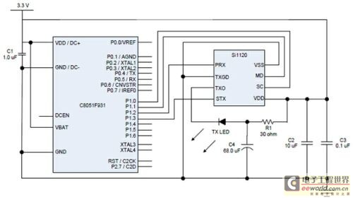
与Si1102不同,Si1120工作需要一个主MCU控制,并增加了一个环境光传感器。该器件除了可以接收红外线外,还能对环境光信号进行采样,最后输出一个已调脉宽的脉冲信号给MCU,实现不同的应用目的。Silicon Labs的MCU可以提供PCA(可编程计数器阵列),从而可以更简单地测出输出脉宽。脉宽与反射光强的测量值成正比例,与距离的平方成反比,由此可以判断对方物体距离的远近。Si1120可以支持多个LED的驱动,用户可以根据需要方便地配置多个LED以增大探测范围。此外,该器件在MCU的控制下可以实现更多高级功能,例如手机应用程序可能会允许用户在手机前晃动一下手指来进行文件翻页。

图4:Si1120的内部框图。

图5:Si1120的应用原理图。
