1 Si9731的主要特点
Si9731型电池充电器是一种单片IC,可在系统处理器控制下对3节NiCd/NiMH电池或1节锂离子电池进行脉冲充电。该IC内部的低导通电阻(RSD(CON))的MOSFET可在系统处理器施加的脉冲信号下,通过变化的占空比实现导通和关断,因而在大电流脉冲充电时具有非常小的热耗散。Si9731同时还提供涓流充电模式,可在电池被充到足够高的电压时唤醒处理器以进行充电处理和控制。Si9731内含精密电压参考和误差放大器,因此,也能为锂离子电池提供恒压(CV)充电。

Si9731的主要特点如下:
●可对单节锂离子电池或1-3节NiCd/NiMH电池进行脉冲充电;
●集成有MOSFET,可在截止模式实现双向反向电流阻塞(blocking);
●具有PWM控制快速充电模式和低电流涓流充电模式;
●通过引脚可选4.1V或4.2V的锂离子电池充电终止限制;
●具有过热、过压和外部关断模式,在关断状态,电池与外部电源完全隔离;
●充电器的输入、输出ESD保护可4kV;
●采用16引脚TSSOP封装,工作温度范围为-40℃~85℃;
Si9731的主要应用领域是蜂窝电话电池充电器和个人数字助理(PDA)中的电源充电等。
2 内部结构和引脚功能
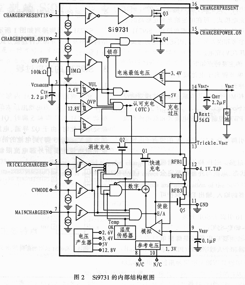
Si9731的引脚排列如图1所示,图2为其内部结构框图及部分外部元件连接方式。其引脚功能如表1所列。
表1 Si9731引脚功能
| 引 脚 | 名 称 | 功 能 |
| 1 | CHARGERPRESENTIN | CHARGERPRESENT(开路漏极)输出的(充电器出现)逻辑输入 |
| 2 | CHARGERPOWER-ONIN | CHARGERPOWER-ONIN(开路漏极)输出的(充电器加电)逻辑输入 |
| 3 | VCHARGER | 3~12V的外部充电器(输入)电压 |
| 0N/OFF | 主机关闭脚。该脚为低电平,充电器关闭,静态电流低于是μA | |
| 5 | TRICKLECHARGEEN | 选择该脚为高电平,涓流充电失能 |
| 6 | CVMODE | 当MAINCHARGEEN脚为高电平时,一个逻辑高电平能使误差放大器线性驱动MOSFET(Q1) |
| 7 | MAINCHAREEEN | 在该脚上的一个外部PWM信号控制快速充电MOSFET(Q1)的开/关占空因数 |
| 8,10 | N/C | 该脚不连接外部电路 |
| 9 | VERF | 内部1.3V的精密带隙参考电压,该脚不施加负载 |
| 11 | GND | 低阻抗系统地 |
| 12 | 4.1V-TAP | 连接该脚至VBAT+,在恒压模式4.1V充电终止 |
| 13 | TRICKLE-VBAT | 连接在该脚与至VBAT+之间的电阻限制涓流充电电流 |
| 14 | VBAT+ | 充电器输出,连接电池正端 |
| 15 | CHARGERPOWER-ON | (Q4)开路漏极输出 |
| 16 | CHARGERPRESENT | (Q3)开路漏极输出 |
3 Si9731的充电过程
3.1 涓流充电
充电通路可由Si9731内部的Q1和Q2N沟道MOSFET组成。当电池电压太低、主处理器不能驱动Si9731的7脚和5脚时,Q1截止,以防止快速充电。此时,由于Q2导通,电路可以获得从外部电源VCHARGRE(3脚)到电池的涓流充电通路。涓流充电电流主要由外部电流限制电阻器Rext设定.
公式如下:
ITRICKLE≈(VCHARGER-VBAT+)/Rext
当电池电压充至3.4V的最低电池工作电压时,内部锁存器被触发,15脚的输出将唤醒处理器并使5脚为高电平,其后电路将终止涓流充电并进入快速充电阶段。
3.2 快速充电
用微处理器通过Si9731脚7的控制输入来对电池进行脉冲充电,并通过低导通电阻的Q1(MOSFET)来完成快速充电。处理器通过系统A/D转换器来监视电池电压,并通过改变脉冲充电占空比来维护快速充电。由于脉冲充电具有较短的导通时间和较长的截止时间,因而可承受足够大的充电电流。
当对NiCd或NiMH电池充电时,处理器通过感测VBAT+输出上的△V或dc/dt,或通过监视电池温度变化(△T)来结束快速充电模式。
锂离子电池的充电终止电压为4.1V或4.2V,当4.1V_TAP脚悬空时,可选择4.2V的充电终止电压。而将4.1V_TAP与VBAT+脚连接在一起时,VBAT+的终止电压是4.1V。当电池电压达到4.1V或4.2V的充电终止电压时,Si9731的CVMODE脚保持高电平,充电器进行恒压充电模式。在该充电模式下,电路认可的充电(OTC)信号输出为高电平,与反馈电阻器(RFB1、RFB2和RFB3)串联的Q5导通(接地),为内部误差放大器(E/A)提供反馈电压,并与同相输入端上1.3V的参考电压相比较。E/A产生的输出驱动Q1,使VBAT+保持在充电压上。

3.3 认充电OTC(OK th charge)信号与控制逻辑
Si9731含有使涓流充电模式和快速充电模式工作的默认充电(OTC)信号。为了能对电池充电,OTC信号必须保持在逻辑高电平上。为此,应当满足以下:
(1)电池电压低于5V;
(2)充电器输入电压VCHARGER高于2.6V但低于12.8V;
(3)当Si9731 7脚(MAINCHARGEEN)为低电平时,电压VCHARGER>VBAT+40mV。如果7脚为高电平,则VCHARGER>VBAT-40mV;
(4)ON/OFF脚为逻辑高电平。
利用一个加法器可驱动充电回路晶体管Q1,其驱动信号是一个数字信号与误差放大顺输出信号的组合,它们之间的关系如表2所列。
表2 Q1驱动信号之间关系
| Q1驱动数字信号 | 误差放大器输出 | Q1驱动电平 |
| L | L | L(完全截止) |
| L | 居间 | 居间(线性模式) |
| H | L | H(完全导通) |
| H | H | × |
3.4 保护
(1)过压检测
当输入到Si9731脚3上的电压VCHARGER大于12.8V时,内部过压检测器将关断Q1、Q2和Q5,以终止充电。
(2)热关闭
Si9731内置热保护电路,一旦芯片结温超过130℃,电路将终止充电。而当结温降至120℃以下时,充电恢复。
(3)通过外部关断
在Si9731的ON/OFF脚施加一个不超过0.4V的电压时,电路进入关断模式,此时电路仅消耗不到0.1μA的静态电流。若在ON/OFF脚施加1.5~12V的电压,电路将被使能。为使Si9731总是保持使能状态,可将ON/OFF脚连接到VCHARGER脚。当Si9731使能时,电池电压检测电路从VBAT消耗的电流约为25μA。
4 结束语
Si9731是一种由μP控制的电池充电器,该电路可对单节锂离子电池或1~3节NiCd或MiMH电池进行脉冲充电。Si9731的VCAHRGER脚的输入电压范围为4.5~12V,可由墙上的电源适配器提供。Si9731具有快速充电和涓流充电两种工作模式,并具有过压和过热保护功能。
