O 引言
近二十年来电力电子技术得到了飞速的发展,已广泛应用到电力、冶金、化工、煤炭、通讯、家电等领域。多数电力电子装置通过整流器与电力网接口,经典的整流器是一个由二极管或晶闸管组成的非线性电路,它会在电网中产生大量电流谐波和无功功率,污染电网,成为电力公害。在20世纪80年代中后期,开关电源有源功率因数校正" title="功率因数校正">功率因数校正技术引起了国内外许多学者的重视,进行了许多专题研究并取得了大量成果。
有源功率因数校正技术在整流器与滤波电容之间增加一个DC/DC开关变换器。在各种单相PFC电路拓扑结构中,Boost" title="Boost">Boost升压型功率因数校正电路由于具有主电路结构简单,变换效率高,控制策略易实现等优点而得到广泛应用。高频化可以减小有源功率因数校正电路的体积、重量,提高电路的功率密度。为了使电路能够在高频下高效率地运行,有源功率因数校正电路的软开关技术成为重要的研究方向。
本文对单相Boost有源功率因数校正电路软开关技术进行了分类,并对每一类型的电路的拓扑结构、工作方式及工作特点做出了分析。
l 零电压开关(ZVS)PWM功率因数校正电路
ZVS工作方式是指利用谐振现象及有关器件的箝位作用,使开关变换器中开关管的电压在开启或关断过程中维持为零。
图1电路为ZVS功率因数校正电路,也称扩展周期准谐振功率因数校正电路。在辅助开关S1开通时,电感Lr抑制二极管Dr的反向恢复" title="反向恢复">反向恢复。电感Lr与电容Cf发生谐振至流过开关S1的电流降至输入电流大小。开关S2导通后,电感Lr与电容Cf再次谐振至流过开关S1的电流为O,电容Cr两端电压为Vo,使开关S1、开关S2实现ZV—ZCS关断。电路的不足之处是开关的电流应力比较大。

2 零电压转换(ZVT)PWM功率因数校正电路
在ZVT工作方式中,谐振网络拓扑与主电路是并联的。零转换PWM功率因数校正电路的导通损耗和开关损耗很小,能实现零开关特性而不增大开关的电流或电压应力,适用于较高电压和大功率的变换器。
图2所示电路是传统的ZVT电路。电感Lr与主开关S1寄生电容" title="寄生电容">寄生电容谐振使其寄生二极管导通,开关S1实现ZVS开通;同时,电感Lr抑制了二极管D1的反向恢复,二极管D2为电感Lr中的能量提供释放回路。

此电路的优点在于主开关ZVS开通,二极管D1的反向恢复得到抑制,电路结构简单;不足之处是辅助开关硬开通。
图3所示是对传统ZVT电路的改进电路,其开关时序、丰开关的电压、电流波形与图2相同。改进之处是在电感回路中串接二极管D3消除升压二极管D1寄生电容与电感Lr寄生振荡;在二极管D2两端并接电容减小了开关S2的关断损耗,可以提高电路的效率。
电路的不足之处是改进后电路的辅助开关仍为硬开通。
图4所示电路主开关S1为ZVS开通,其开通过程与上面两种电路稍有不同,当谐振电感Lsn2与电容Csnl与开关S1寄生电容谐振至开关S1两端电压为零时,开关S1开通;Csnl与Csn2可改善开关S1、S2的关断过程,减小关断损耗;电感Lsn2抑制了二极管D的反向恢复.二极管Db、Dc为电感Lsn2提供能量释放回路。

电路不足之处是辅助开关S2硬开通。
图5电路对图4所示电路进行了改进。如波形图所示,主开关S1开通前,其寄生二极管已经导通,开关S1实现ZVS开通;开关S1开通后,由于耦合电感的作用,促使流过Lx的电流迅速减小至接近零,辅助开关S2实现了ZCS关断;电容Cr减小了电路的关断损耗。

电路的不足之处是辅助开关S2硬开通,电路结构与工作方式比较复杂。
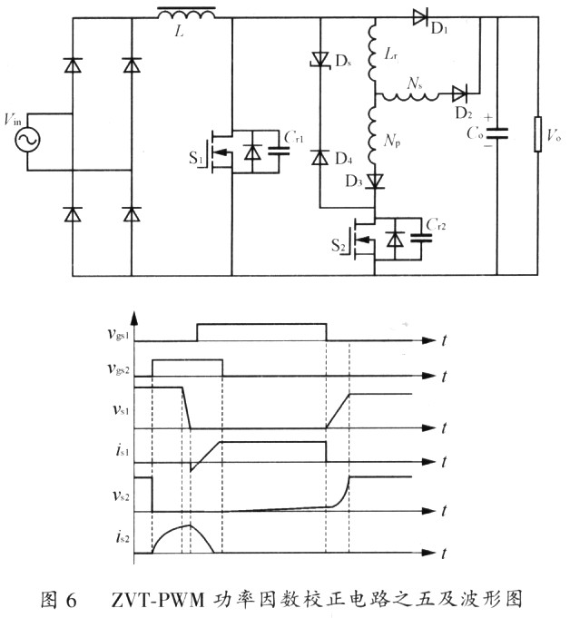
图6所示电路是对传统ZVT电路的又一改进电路。在主开关S1开通前,其寄生二极管已经导通,开关S1可实现ZVS开通;开关S1开通后,由于耦合电感的作用,流过辅助开关S2的电流迅速下降至接近零,开关S2被击穿二极管Ds钳制在一个很低的电压,开关S2实现ZCS关断。

电路的不足之处是辅助开关硬开通,电路的结构与工作方式比较复杂。
图7所示电路结构与以上的ZVT结构差别比较大。主开关S1关断后,二极管D开通,电容Cc通过耦合电感N2放电.开关S2寄生二极管开通实现了ZVS开通;开关S2关断后,开关S1寄生二极管开通实现了ZVS开通。同时,耦合电感N1抑制了二极管D的反向恢复,耦合电感N2则为N1中的能量提供了释放回路。

此电路的优点是两个开关均为ZVS开通,二极管D的反向恢复得到抑制,电路结构简单。不足之处在于两个开关均为硬开关关断,辅助开关S2的电压应力较大。
图8所示电路是一种新型ZVT有源功率因数校正电路。在辅助开关S2开通前,电容Cr两端电压为负,S2开通后,电感Lr与电容Cs、Cr发生谐振使主开关S1寄生二极管导通实现了ZVS开通;当流过开关S1的电流由负变正时,电感Lr与电容Cb、Cr谐振,二极管D5导通,开关S2实现ZV—ZCS关断。

电路优点在于主开关S1实现了ZVS开通,辅助开关S2实现了ZV.ZCS关断,二极管D1的反向恢复得到抑制,以上几点都可以显著提高电路效率。电路不足之处是辅助开关硬开通,主开关电流应力比较大。
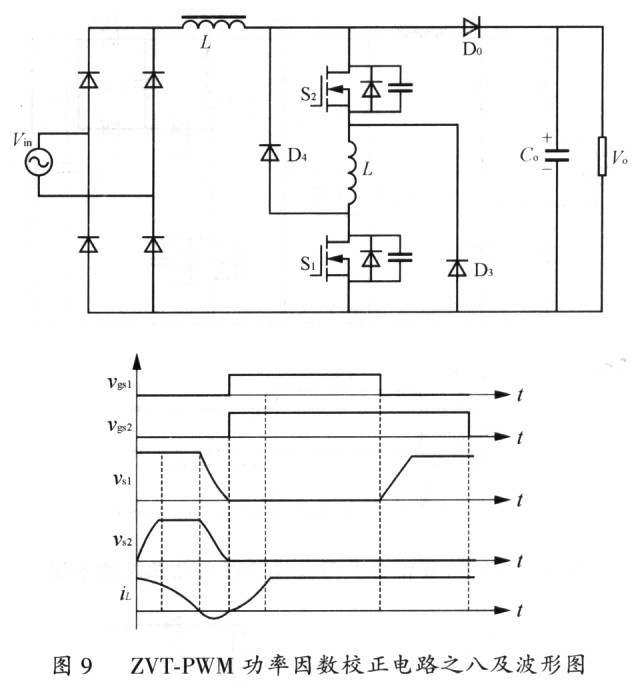
图9所示电路结构与电路的工作方式比较特殊。主开关S1关断后,其寄生电容被恒流充电至输出电压Vo,为辅助开关S2提供ZV—ZCS关断,此时二极管D。及D4导通;开关S2关断后,电感L与开关S2寄生电容发生谐振至开关S2两端电压等于Vo,二极管D3导通;当流过电感L的电流减少至零时,电感L与开关S1、S2的寄生电容谐振,谐振结束时,开关S1和S2两端电压与流过两开关的电流均为零,开关S1和S2实现了ZV-ZCS开通。

此电路的优点是开关S1、S2实现ZV-ZCS开通,开关S1实现了ZVS关断,二极管的反向恢复得到抑制,开关电压电流应力较小,电路结构简单。不足之处是电感L始终有电流流过,导致电流中环流较大,会增大通态损耗。
3 零电流开关(ZCS)PWM功率因数校正电路
ZCS工作方式是指利用谐振现象及有关器件的箝位作用,使开关变换器中开关管电流在开启或关断过程中维持为零。
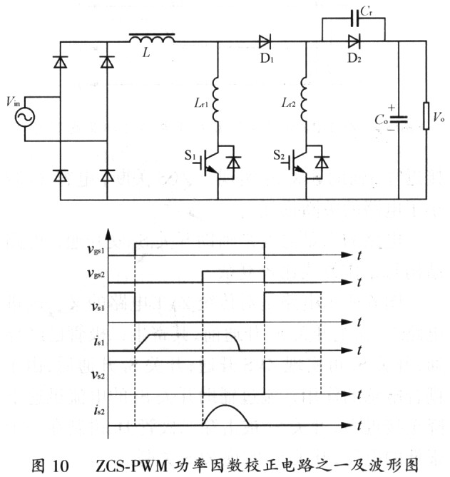
从图10电路及波形图可以看出,主开关S1首先开通,通过开关S1的电流逐渐增加至输入电流值,此时二极管D1、D2关断,电容Cr反向充电至Vo;辅助开关S2开通后,电容Cr与Lr2谐振,当电容Cr两端电压降至零时,二极管D1导通,电容Cr与电感Lrl、Lr2谐振至开关S1、S2反并二极管开通,两开关实现ZCS关断。

此电路的优点在于开关S1、S2均实现了ZCS关断,两个二极管的反向恢复得到抑制;不足之处是两开关硬开通,电容Cr与电感Lr2电容Cr与电感Lr1、Lr2的谐振回路要通过输出端,会增大输出端的电压波动。
图11电路是对图10电路进行了改进,改进后的电路工作方式及波形与图10电路基本一致。图11的电路将二极管两端并联的电容改为与开关S2和电感Lr2并联,这样,谐振回路就不会包含输出端,不会引起输出端电压的波动。其不足之处仍在于两开关硬开关开通。

图12电路与以上两电路的最大区别在于实现了一个开关的ZVS开通。如波形图所示,主开关S1开通,感Ls抑制了二极管D的反向恢复,电感Ls与电容Cr谐振,开关S2反并二极管开通,为开关S2提供ZVS开通;电容Cc与电感Ls继续谐振,流过电容Cc的电流反向时,开关S1反并二极管开通,实现ZCS关断。
此电路的优点是主开关S1实现了ZCS关断,辅助开关S2实现了ZVS开通,因此,此电路又称为ZV-ZCS电路。电路的不足之处在于辅助开关S2的硬关断。

4 零电流转换(ZCT)PWM功率因数校正电路
图13电路为传统的零电流转换功率因数校正电路。如图13所示,辅助开关S2开通时,电容Cr与电感Lr谐振,主开关S1反并二极管导通,实现ZCS关断;开关S1反并二极管关断后,开关S2关断,二极管D1开通,为电感Lr提供能量释放回路。
此电路的优点是实现了主开关S1的ZCS关断,电路结构简单。不足之处是,辅助开关硬开关开通关断,二极管的反向恢复没有得到抑制,主开关电流应力较大。

图14电路对传统的ZCT—PWM功率因数校正电路进行了改进。如图14波形图所示,开关S2开通时,电容Cr、电感Lr谐振,流过二极管D1的电流逐渐减小到零,其反向恢复得到抑制;谐振电流换向后,开关S2反并二极管导通,实现ZCS关断;开关S2开通后,电容Cr与电感lr谐振,开关S1反并二极管导通,实现ZCS关断。

此电路的优点是实现了开关S1、S2的ZCS关断,二极管的反向恢复得到抑制;不足之处是辅助开关在一个开关周期有两次开关过程,电路工作方式中谐振较多,都会增大电路的损耗。
5 有源箝位功率因数校正电路
在Boost PFC变换器中,为了抑制二极管的反向恢复,在主开关和Boost二极管之间串联一个谐振电感可以有效地抑制二极管的反向恢复,但是当主开关关断时,谐振电感会在开关上产生很大的电压应力,为了保证电路的安全运行,需要有一个箝位电路来箝位电压。
在图15电路中,如波形图所示,主开关Sl关断后,两端电压逐渐上升至箝位电压Vo+Vcc;辅助开关S2寄生二极管开通,电感Lr与电容Cc谐振,开关S2实现ZCS开通;开关S2关断后,二极管Db开通,电感Lr与开关S1寄生电容谐振至开关S1寄生二极管开通,开关S1一实现ZVS开通。电路增加二极管Dc是为了消除二极管Db结电容与电感Lr的谐振。

电路的优点是实现了,主开关与辅助开关的zvs开通,二极管Db的反向恢复得到抑制;不足之处是开关S1、S2都是硬关断。
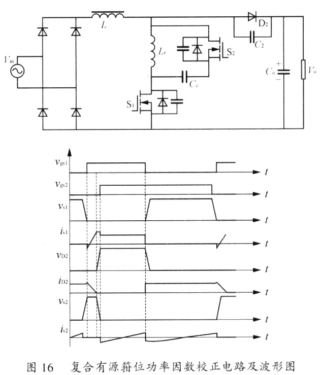
复合有源箝位功率因数校正电路对有源箝位功率因数校正电路的改进主要体现在电路拓扑和控制时序两个方面:将二极管D2放在箝位电路外以消除二极管D2结电容与电感Lr的寄生振荡;如图16所示时序可以保证开关S1、S2与二极管D2在任一时刻只有两个器件导通,另一个器件被箝位在Vo+Vcco主开关S1关断后,电感Lr与开关S2寄生电容谐振使寄生二极管导通实现ZVS开通;开关S2关断后,电感Lr与开关S1、S2寄生电容谐振使开关S1寄生二极管导通实现ZVS开通。

此电路的优点在于两个开关均实现了ZVS开通,二极管的反向恢复得到抑制,电路结构简单;不足之处是开关与二极管的电压应力较大。针对这一不足,提出了最小电压复合有源箝位电路,如图17所示,该电路将电感Lr与辅助开关S2位置进行了交换,开关时序不变,这样,开关S1、S2、二极管D2任两者导通时,另一个被箝位在Voo。该电路波形与复合有源箝位功率因数校正电路相似,具有它的优点。

6 带有无损吸收电路的功率因数校正电路
6.l 无源无损吸收电路
在软开关技术中,无源无损吸收电路不增加额外的有源器件,只是采用无源元件来抑制二极管的反向恢复,并且减小了开关器件的开通和关断损耗,因此具有电路成本低,控制简单等优点。
在图18电路中,开关S断开后其两端电压逐渐被充电至Vo时,二极管Do、Dc开通,流过二极管Dr的电流逐渐增加,流过二极管Do、的电流逐渐减小至二极管Doj关断,当开关S再次开通时,二极管的反向恢复不会影响开关损耗的增大。

图18电路采用耦合电感使二极管反向恢复影响不到开关的开通,图19电路则是利用电感抑制二极管的反向恢复对开关开通过程的影响,冉利用无源器件将电感中能量释放。
此电路的不足之处在于电路结构和工作过程都比较复杂。

6.2 有源无损吸收电路
图20电路抑制二极管反向恢复采用在电路中加入电感,再将电感中的能量释放的方式。如图20所示,主开关S1首先导通,电感Ls抑制了二极管D的反向恢复,电感Ls与开关S2寄生电容发生谐振使其放电至开关寄生二极管导通,开关S2实现ZVS开通。
此电路的优点在于电路结构简单,能有效抑制二极管的反向恢复,辅助开关实现ZVS开通。

7 结语
综上所述,各种类型的软开关功率因数校正电路具有能够抑制二极管反向恢复,实现开关管的软开通或软关断,减少变换器的损耗,进而可以提高开关频率,减少磁性元件的体积和重量,提高变换器的功率密度。
