NS 公司的LM3433是带高频调光的HBLED驱动器,为大功率LED提供了恒流照明.工作输入电压为-9V到-14V,输出电流大于6A,PWM频率大于30kHz,适用于共阳极LED,不需要输出电容,开关频率高达1MHz,静态电流典型值为1mA,具有软起动特性,可用于LCD背景光,投映系统,固态照明和汽车照明.本文介绍了LM3433主要特性,方框图, 典型应用电路以及输出电流2A – 6A 和2A - 14A应用电路和评估板电路图与材料清单.
LM3433: Common Anode Capable High Brightness LED Driver with High Frequency Dimming
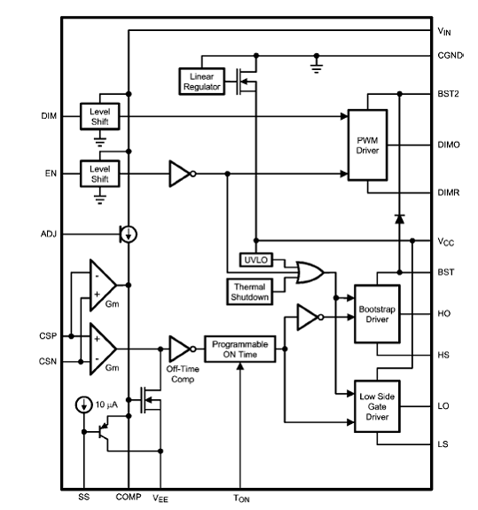
The LM3433 is an adaptive constant on-time DC/DC buck (step-down) constant current controller (a true current source). The LM3433 provides a constant current for illuminating
high power LEDs. The output configuration allows the anodes of multiple LEDs to be tied directly to the ground referenced chassis for maximum heat sink efficacy. The high
frequency capable architecture allows the use of small external passive components and no output capacitor while maintaining low LED ripple current. Two control inputs are used to modulate LED brightness. An analog current control input is provided so the LM3433 can be adjusted to compensate for LED manufacturing variations and/or color temperature correction.
The other input is a logic level PWM control of LED current. The PWM functions by shorting out the LED with a parallel switch allowing high PWM dimming frequencies. High
frequency PWM dimming allows digital color temperature control, interference blanking, field sequential illumination, and brightness control. Additional features include thermal
shutdown, VCC under-voltage lockout, and logic level shutdown mode. The LM3433 is available in a low profile LLP-24 package.
LM3433主要特性:
■ Operating input voltage range of -9V to -14V w.r.t. LED anode
■ Control inputs are referenced to the LED anode
■ Output current greater than 6A
■ Greater than 30kHz PWM frequency capable
■ Negative output voltage capability allows LED anode to be tied directly to chassis for maximum heat sink efficacy
■ No output capacitor required
■ Up to 1MHz switching frequency
■ Low IQ, 1mA typical
■ Soft start
■ Adaptive programmable ON time allows for constant ripple current
■ LLP-24 package
LM3433应用:
■ LCD backlighting
■ Projection systems
■ Solid state lighting
■ Automotive lighting

图1.LM3433方框图

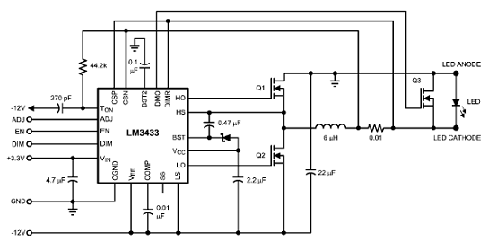
图2.LM3433典型应用电路

图3.2A – 6A 输出应用电路

图4.2A - 14A 输出应用电路
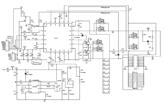
LM3433 4-20A LED驱动评估板
LM3433 4A to 20A LED Driver Evaluation Board
The evaluation board is designed to provide a constant current in the range of 4A to 20A. The LM3433 requires two input voltages for operation. A positive voltage with respect to GND is required for the bias and control circuitry and a negative voltage with respect to GND is required for the main power input. This allows for the capability of using common anode LEDs so that the anodes can be tied to the ground referenced chassis. The evaluation board only requires one input voltage of -12V with respect to GND. The positive voltage is supplied by the LM5002 circuit. The LM5002 circuit also provides a
UVLO function to remove the possibility of the LM3433 from drawing high currents at low input voltages during startup.
Initially the output current is set at the minimum of approximately 4A with the POT P1 fully counter-clockwise. To set the desired current level a short may be connected between LED + and LED-, then use a current probe and turn the POT clockwise until the desired current is reached. PWM dimming FETs are included on-board for testing when the LED can be connected directly next to the board. A shutdown test post on J2, ENA, is included so that startup and shutdown functions can be tested using an external voltage.

图5.LM3433 评估板电路图
评估板材料清单(BOM):


详情请见:
http://www.national.com/ds/LM/LM3433.pdf?
和
http://www.national.com/an/AN/AN-1793.pdf
