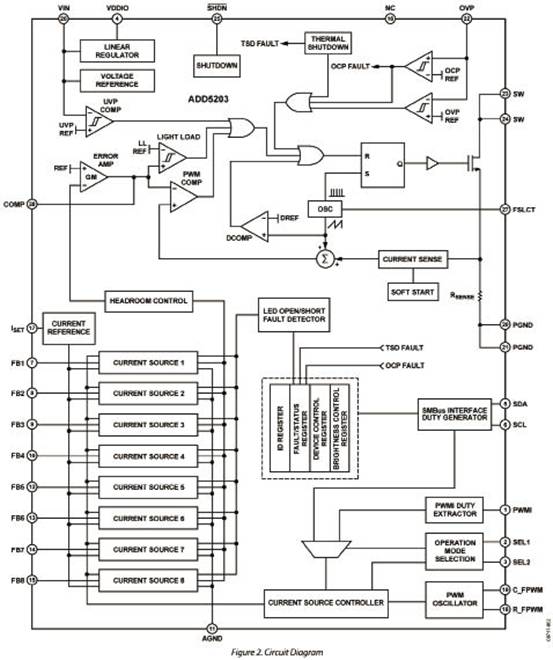
ADI" title="ADI">ADI公司的ADD5203" title="ADD5203">ADD5203是集成了SMBus和PWM输入的8串白光LED(WLED" title="WLED">WLED)驱动器" title="驱动器">驱动器,采用电流模式、升压转换器技术,主要针对背光应用。该驱动器具有0.15Ω、2.9 A的内部开关,引脚处可调节的工作频率范围在350kHz到1MHz之间。
ADD5203包含8个调节电流源,从而保持亮度的一致性。每个电流源可以由30mA电流驱动,通过外部电阻可在引脚处调节LED驱动电流。ADD5203可以驱动最多8个多路串行连接的LED串,每串LED之间的电流匹配误差为±1.5%。
ADD5203具有不同的调光模式。每个调光模式可以和一个外部的调光模式选择引脚相连。通过PWM输入和/或SMBus可以实现调光控制的接口。
利用外部电阻和电容,器件可调节的输出亮度频率范围为200Hz到10kHz。ADD5203正常的输入电压范围为6V到21V,器件保持其功能性的最低电压为5.6V。
在出现故障时,ADD5203还具有多重安全保护功能。如果LED开路或短路,器件会自动切断出现故障的电压源。在启动期间,内部软启动阻止浪涌电流。热关机保护防止了热损害。
ADD5203采用超薄热增强型4mm×4mm×0.75mm、28引脚无铅芯片级封装(LFCSP_WQ),符合RoHS标准,专用于-25℃到+85℃的工业温度范围。
ADD5203主要特性
• 基于电感式升压转换器的白光LED
驱动器
- 集成50V MOSFET,具有2.9A的
峰值电流
- 输入电压范围:6V~21V
- 最大输出电压可调节到45V
- 350 kHz到1MHz可调节工作频率
- 过电压保护(OVP)典型值最高为
47.5V
- 用于升压转换器的内置软启动
• 可驱动最多8串LED串
- 每个通道的LED电流最高可调至
30mA
- 净空控制可实现效率的最大化
- LED开路和短路故障保护
•可选择的调光控制接口方法
- PWM输入
- SMBus串行输入
•可选择的调光模式
- 8位分辨率的固定延迟PWM亮度
控制
- 8位分辨率的零延迟PWM亮度控制
- 直接PWM亮度控制
- 具有8位分辨率的直流调光控制
•通用
- 热关机
- 欠压锁定
- 28引脚、4mm×4mm×0.75mm
LFCSP_WQ封装
ADD5203应用
•笔记本电脑
• UMPC、监视器
更多详情,敬请浏览:
http://solution.eccn.com/solution_2010060813214748.htm

图1 AD5203电路方框图

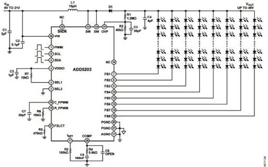
图2 AD5203典型应用电路:采用无延迟调光模式的SMBus接口

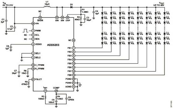
图3 AD5203典型应用电路:采用DPWM调光模式的PWM接口

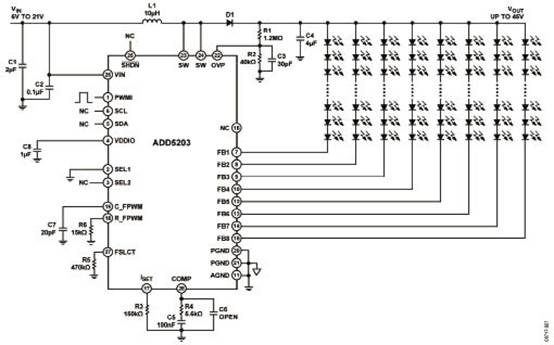
图4 AD5203典型应用电路:采用DC电流调光模式的PWM接口
