Maxim 公司的MAX2032是高线性无源上/下变换混频器, 从650MHz 到1000MHz,可提供+33dBm IIP3, 7dB NF以及7dB转换损耗.本地振荡(LO)的频率范围从650MHz 到 1250MHz,IF频率从DC到250Mz,输入1dB压缩点为24dBm,集成了LO缓冲器和RF以及LO平衡/不平衡回路,LO驱动从-3dBm到+3dBm,主要用在WCDMA/LTE以及cdma2000基站, GSM 850/GSM 900 2G 和2.5G EDGE基站,WiMAX基站和CPE,无线本地回路(WLL),微波和固定宽带接入以及数字和扩展频谱通信系统.本文介绍了MAX2032主要特性,方框图以及典型应用电路.
The MAX2032 high-linearity passive upconverter or downconverter mixer is designed to provide +33dBm IIP3, 7dB NF, and 7dB conversion loss for a 650MHz to 1000MHz RF frequency range to support a multitude of base-station applications. With a 650MHz to 1250MHz LO frequency range, this particular mixer is ideal for high-side LO injection architectures. For a pin-to-pincompatible mixer meant for low-side LO injection, refer to the MAX2029.
In addition to offering excellent linearity and noise performance, the MAX2032 also yields a high level of component integration. This device includes a doublebalanced passive mixer core, a dual-input LO selectable switch, and an LO buffer. On-chip baluns are also integrated to allow for a single-ended RF input for downconversion (or RF output for upconversion) and single-ended LO inputs. The MAX2032 requires a nominal LO drive of 0dBm, and supply current is guaranteed to be below 100mA.
The MAX2032 is pin compatible with the MAX2039/ MAX2041 1700MHz to 2200MHz mixers, making this family of passive upconverters and downconverters ideal for applications where a common PCB layout is used for both frequency bands.
The MAX2032 is available in a compact 20-pin thin QFN package (5mm x 5mm) with an exposed pad. Electrical performance is guaranteed over the extended -40℃ to +85℃ temperature range.
MAX2032主要特性:
♦ 650MHz to 1000MHz RF Frequency Range
♦ 650MHz to 1250MHz LO Frequency Range
♦ 570MHz to 900MHz LO Frequency Range (Refer to the MAX2029 Data Sheet)
♦ DC to 250MHz IF Frequency Range
♦ 7dB Conversion Loss
♦ +33dBm Input IP3
♦ +24dBm Input 1dB Compression Point
♦ 7dB Noise Figure
♦ Integrated LO Buffer
♦ Integrated RF and LO Baluns
♦ Low -3dBm to +3dBm LO Drive
♦ Built-In SPDT LO Switch with 49dB LO1 to LO2 Isolation and 50ns Switching Time
♦ Pin Compatible with the MAX2039/MAX2041 1700MHz to 2200MHz Mixers
♦ External Current-Setting Resistor Provides Option for Operating Mixer in Reduced-Power/Reduced- Performance Mode
MAX2032应用:
WCDMA/LTE and cdma2000® Base Stations
GSM 850/GSM 900 2G and 2.5G EDGE Base Stations
Integrated Digital
Enhanced Network (iDEN®) Base Stations
WiMAXTM Base Stations and Customer Premise Equipment
Predistortion Receivers
Microwave and Fixed Broadband Wireless Access
Wireless Local Loop
Digital and Spread- Spectrum Communication Systems

图1.MAX2032功能方框图

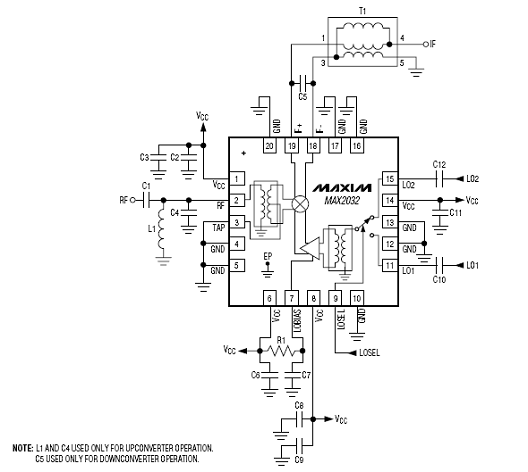
图2.MAX2032典型应用电路
详情请见:
http://datasheets.maxim-ic.com/en/ds/MAX2032.pdf
