本文介绍了LM3S9B96 MCU Cortex-M3处理器方框图以及Stellaris® LM3S9B96开发板主要特性,方框图,电路图和扩展板电路图.
LM3S9B96是TI 公司的基于ARM Cortex-M3 的32位MCU,具有先前8位和16位MCU的价格成本, CPU工作频率80MHz,100DMIPS性能, ARM Cortex SysTick定时器,片内具有高达50MHz的256KB单周期闪存和96KB单周期SRAM,内部的ROM加载了StellarisWare软件, 具有扩展的外设接口和串行接口,目标应用在遥控监视,POS销售机,测试测量设备,网络设备和交换,工厂自动化,HVAC和建筑物控制,游戏设备,运动控制,医疗设备,电源和交通运输,防火和安全等.
LM3S9B96目标应用:
The Stellaris family is positioned for cost-conscious applications requiring significant control processing and connectivity capabilities such as:
■ Remote monitoring
■ Electronic point-of-sale (POS) machines
■ Test and measurement equipment
■ Network appliances and switches
■ Factory automation
■ HVAC and building control
■ Gaming equipment
■ Motion control
■ Medical instrumentation
■ Fire and security
■ Power and energy
■ Transportation

图1.Stellaris LM3S9B96方框图

图2.Stellaris LM3S9B96 Cortex-M3处理器方框图
Stellaris® LM3S9B96开发板
The Stellaris® LM3S9B96 Development Board provides a platform for developing systems around the advanced capabilities of the LM3S9B96 ARM® Cortex™-M3-based microcontroller.
The LM3S9B96 is a member of the Stellaris Tempest-class microcontroller family. Tempest-class devices include capabilities such as 80 MHz clock speeds, an External Peripheral Interface (EPI) and Audio I2S interfaces. In addition to new hardware to support these features, the DK-LM3S9B96 board includes a rich set of peripherals found on other Stellaris boards.
The development board includes an on-board in-circuit debug interface (ICDI) that supports both JTAG and SWD debugging. A standard ARM 20-pin debug header supports an array of debugging solutions.
The Stellaris® LM3S9B96 Development Kit accelerates development of Tempest-class microcontrollers. The kit also includes extensive example applications and complete source code.
LM3S9B96开发板主要特性:
The Stellaris® LM3S9B96 Development Board includes the following features.
Simple set-up—USB cable provides debugging, communication, and power
Flexible development platform with a wide range of peripherals
Color LCD graphics display
– TFT LCD module with 320 x 240 resolution
– Resistive touch interface
80 MHz LM3S9B96 microcontroller with 256 K Flash, 96 K SRAM, and integrated Ethernet MAC+PHY, USB OTG, and CAN communications
– – 8 MB SDRAM (plug-in EPI option board)
– – EPI break-out board (plug-in option board)
1 MB serial Flash memory
Precision 3.00 V voltage reference
SAFERTOS™ operating system in microcontroller ROM
I2S stereo audio codec
– Line In/Out
– Headphone Out
– Microphone In
Controller Area Network (CAN) Interface
10/100 BaseT Ethernet
USB On-The-Go (OTG) Connector
– Device, Host, and OTG modes
User LED and push button
Thumbwheel potentiometer (can be used for menu navigation)
MicroSD card slot
Supports a range of debugging options
– Integrated In-circuit Debug Interface (ICDI)
– JTAG, SWD, and SWO all supported
– Standard ARM® 20-pin JTAG debug connector
USB Virtual COM Port
Jumper shunts to conveniently reallocate I/O resources
Develop using tools supporting Keil™ RealView® Microcontroller Development Kit (MDK-ARM), IAR Embedded Workbench, Code Sourcery GCC development tools, Code Red Technologies development tools, or Texas Instruments’ Code Composer Studio™ IDE
Supported by StellarisWare® software including the graphics library, the USB library, and the peripheral driver library
An optional Flash and SRAM memory expansion board (DK-LM3S9B96-EXP-FS8) is also available for use with the DK-LM3S9B96 development board
– Works with the External Peripheral Interface (EPI) of the Stellaris microcontroller
– Provides Flash memory, SRAM, and an improved performance LCD interface
LM3S9B96开发板包括:
The Stellaris® LM3S9B96 Development Kit contains everything needed to develop and run a range of applications using Stellaris microcontrollers:
LM3S9B96 development board
8 MB SDRAM expansion board
EPI signal breakout board
Retractable Ethernet cable
USB Mini-B cable for debugger use
USB Micro-B cable for OTG-to-PC connection
USB Micro-A to USB A adapter for USB Host
USB Flash memory stick
microSD Card
20-position ribbon cable
CD containing:
– A supported version of one of the following (including a toolchain-specific Quickstart
guide):
• Keil™ RealView® Microcontroller Development Kit (MDK-ARM)
• IAR Embedded Workbench
• Code Sourcery GCC development tools
• Code Red Technologies development tools
• Texas Instruments’ Code Composer Studio™ IDE
– Complete documentation
– Quickstart application source code
– Stellaris® Firmware Development Package with example source code

图3.LM3S9B96开发板外形图

图4.DK-LM3S9B96开发板方框图

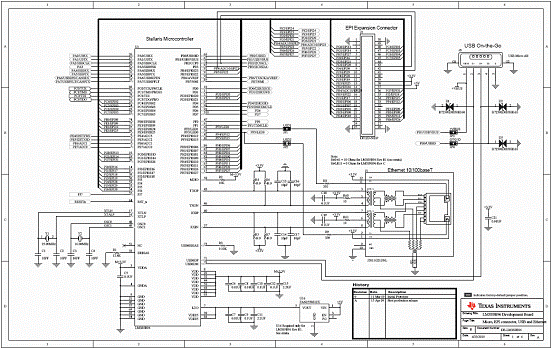
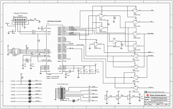
图5.DK-LM3S9B96开发板电路图(1)

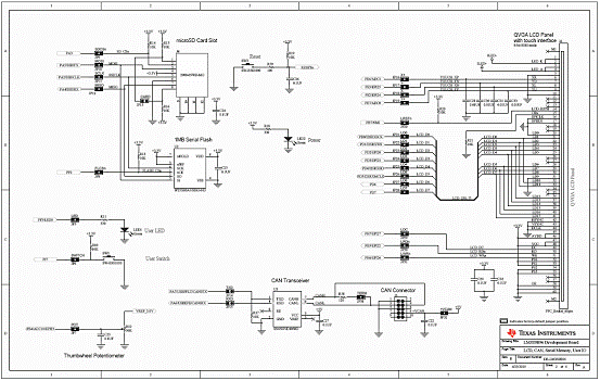
图6.DK-LM3S9B96开发板电路图(2)

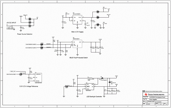
图7.DK-LM3S9B96开发板电路图(3)

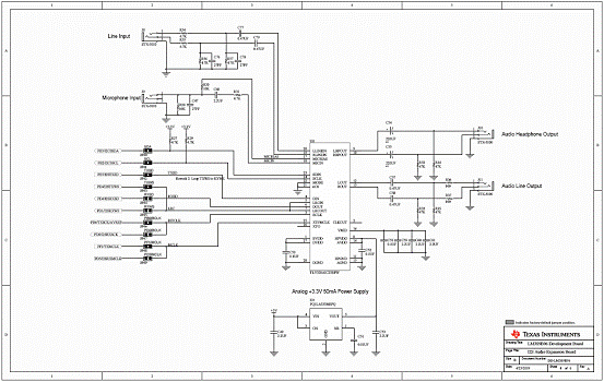
图8.DK-LM3S9B96开发板电路图(4)

图9.DK-LM3S9B96开发板电路图(5)

图10.DK-LM3S9B96开发板电路图(6)

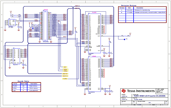
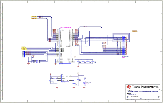
图11.用于DK-LM3S9B96的FLASH/SRAM/LCD IF扩展板电路图(1)

图12.用于DK-LM3S9B96的FLASH/SRAM/LCD IF扩展板电路图(2)
