在手机和家用电器等民用机器处于全球性竞争愈演愈烈的环境中,设计上的个性化成了一个重要的因素。因此,利用形形色色的器件创造出来的设计和显示方式被人们所采用,尤其是最近伴随着LED向小型化、薄型化发展,电子装置的各种显示部分装上了LED点阵显示器,移动电话手机的键盘和机壳加上了华丽的LED装饰,设计性提高了的电子装置越来越多。另外,在白色家电领域,在相当程度上不断走向成熟的中国、印度等国市场也在向高性能化发展,许多使用了LED的显示和装饰容易使人在视觉上感到与众不同,所以需求正在扩大。
LED驱动器的发展动向
在上述背景下,要求为LED提供电流使其点亮的装饰用LED驱动器IC,能够以更为灵活的亮灯模式控制数量更多的LED。
但是,过去被用于LCD背光等的恒流式LED驱动器采取1个恒流电路对1个LED元件的结构方式,增加LED灯数就要增大芯片面积、增加成本,所以往往被敬而远之。但是,近年来LED在高亮度化方面已取得进展,用较小的电流值也可使LED以足够的亮度进行亮灯,而恒流电路本身不增加。
LED的电源(正极)一侧内置了依次驱动的PMOS晶体管进行分时亮灯,从而可以分别控制数量更多的LED(图1)。如图所示,传统的LED驱动器用6ch的恒流电路使6个LED亮灯,而点阵式驱动器用3ch的SW电路和3ch的恒流电路便可分别对9个LED元件进行亮灯控制。
点阵式LED驱动器的电路结构" height="296" src="//www.ninimall.com/files/images/20101011/fcec0bd4-34d8-472d-ae28-c7f6d8682090.jpg" width="560" />
图1 传统的LED驱动器与点阵式LED驱动器的电路结构
在手机和家用电器等民用机器处于全球性竞争愈演愈烈的环境中,设计上的个性化成了一个重要的因素。因此,利用形形色色的器件创造出来的设计和显示方式被人们所采用,尤其是最近伴随着LED向小型化、薄型化发展,电子装置的各种显示部分装上了LED点阵显示器,移动电话手机的键盘和机壳加上了华丽的LED装饰,设计性提高了的电子装置越来越多。另外,在白色家电领域,在相当程度上不断走向成熟的中国、印度等国市场也在向高性能化发展,许多使用了LED的显示和装饰容易使人在视觉上感到与众不同,所以需求正在扩大。
LED驱动器的发展动向
在上述背景下,要求为LED提供电流使其点亮的装饰用LED驱动器IC,能够以更为灵活的亮灯模式控制数量更多的LED。
但是,过去被用于LCD背光等的恒流式LED驱动器采取1个恒流电路对1个LED元件的结构方式,增加LED灯数就要增大芯片面积、增加成本,所以往往被敬而远之。但是,近年来LED在高亮度化方面已取得进展,用较小的电流值也可使LED以足够的亮度进行亮灯,而恒流电路本身不增加。
LED的电源(正极)一侧内置了依次驱动的PMOS晶体管进行分时亮灯,从而可以分别控制数量更多的LED(图1)。如图所示,传统的LED驱动器用6ch的恒流电路使6个LED亮灯,而点阵式驱动器用3ch的SW电路和3ch的恒流电路便可分别对9个LED元件进行亮灯控制。

图1 传统的LED驱动器与点阵式LED驱动器的电路结构
分别控制119个LED元件
一般说来,人的视觉可感知的频率在100Hz以下,即使是在更快的速度下进行LED闪灯,也会被看作是用其ON/OFF的比(=Duty)平均化了的亮度。称之为PWM(=Pulse Width Modulation)控制方式,被广泛地用作LED驱动器的调光方式。
通过控制恒流电路的ON Duty便可调节DC的恒定电流值(=LED的亮度)(例如,把恒定电流值定为20mA,ON Duty定为50%时,与不间断地有10mA的恒定电流通过是一样的)。点阵式LED驱动器通过采用图1所示的矩阵连接与组合方式,可对数量等于SW电路×恒流电路部分的LED元件进行分别控制(图2)。

图2 依靠点阵式LED驱动器工作的例子
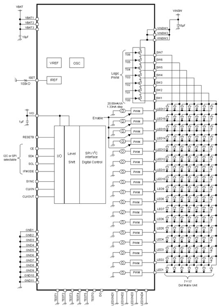
点阵式驱动器是将LED元件的正极与负极连接成矩阵状,对正极一侧的SW电路以分时方式进行ON。负极一侧的恒流电路以各自的ON时序驱动每个LED元件设定的恒定电流值,使LED亮灯。ROHM开发成功的BD26502GUL内置有SW电路7ch、恒流电路17ch,总共可分别控制7x17=119个LED元件(图3)。

图3 BD26502GUL的LED控制电路构成例
BD26502GUL以约为4msec的周期(=250Hz)进行分时亮灯,由于SW电路有7ch,所以各个LED元件的亮灯时间是该周期的1/7。因此,在时间上平均的LED电流量就等于恒流电路设定值的1/7。对于BD26502GUL型产品,即便按恒流电路设定的最大值(=20mA)计算也就是20mA/7≒2.9mA那么大,但是LED的发光效率却提高了,能够确保有足够高的亮度用于显示和装饰用途。
BD26502GUL的特点
另外,并不仅仅是简单地使多个LED亮灯,如何才能在不增加控制用CPU负荷的前提下实现「引人注目」而又「漂亮的」亮灯模式也是重要的问题。BD26502GUL内置了13种模式的倾斜功能和8方向的自动滚动功能,不给CPU增加负荷即可实现表现力丰富的LED亮灯效果(图4,5)。而且,还搭载了能够双面存储7x17的矩阵亮灯数据的RAM,并且通过边擦写这些数据边交替反复显示,达到像动画片一样的动态效果。
BD26502GUL拥有控制用时钟输入输出端口,也可以使多块这种IC同时工作(图6)。倾斜和滚动等功能通常用内置的振荡电路生成时钟来控制时间,但内部振荡电路因为多块IC在频率上各有偏差,所以在时间上无法形成完全统一的亮灯模式。使用本IC则可以将此时钟切换到来自引脚的外部输入,就能够使用同一时钟使多块IC间的亮灯时序和倾斜、滚动时间同步。如图6所示,采取从时钟源向各块IC并联输入时钟的方法,或者通过本IC的时钟输入/输出端口的串联连接的方式,均可以用同一时钟信号同步控制所有IC。利用此功能,就是LED元件数量达到7×17=119个以上的应用也可以实现完全同步的无半点不协调感的亮灯控制。

图4 能够对各LED元件进行设定的13种模式的倾斜功能

图5 BD26502GUL的滚动功能举例

图6 多个BD26502GUL同时工作的一个构成例子
另外,利用ROHM独创的技术已经将恒流电路的饱和电压降低到非常低的50mV(ROHM的评价)。所谓饱和电压就是恒流电路中所使用的晶体管的最低工作电压,如果电压低于饱和电压,恒流电路的驱动电流下降,就不能获得所希望的LED亮度。近年来,市场正在扩大的智能手机显示屏幕大且功能多,用户对所谓的“电池没电了”多有不满,对占整部手机消耗功率很大比例的LED驱动器消耗功率的降低提出了严格要求。传统的LED驱动器为了保证LED元件的Vf而需要升压电路,这种升压电路的效率是决定电池耐久性的重要因素而受到人们的重视。
但是现在,随着LED的Vf降低,即使没有升压电路而只靠电池电源电压也能确保达到Vf的事例已经多起来了,因此关键在于上述的饱和电压。因为是用电源电压将LED的Vf那样低的电压外加给恒定电流驱动器引脚,所以该饱和电压越低,不用升压电路就可以使LED正常亮灯的范围就越宽(图7)。

图7 LED驱动器的恒流驱动电路与可驱动时间
ROHM充分利用了多年来培养起来的LED驱动器技术,不仅开发了点阵式驱动器,还在各种产品领域内开发了与装置的个性化和高级化相对应的显示与装饰用LED点阵式驱动器(表1)。

表1 LED点阵式驱动器产品一览
预定还将继续扩大和充实产品线,备齐RGB装饰用(BD1606MUV、BD28xx)和可适应各种用途的OpenDrain型显示器驱动器(BD7844EFV)等产品,以供用户根据各种用途进行选择。
