ABS作为如今汽车上必备的安全电子设备,其功能越来越受到人们的重视。ABS系统通过电磁阀和回油泵来完成对制动器中轮缸压力的精细调节,以防止过度制动使车轮抱死。由于ABS工作环境十分恶劣,为保证电磁阀和电机响应的高效性和可靠性,除了与执行机构本身的参数相关外,对驱动电路的设计也直接决定了驱动的品质。
当今汽车电子市场异常火热,竞争十分激烈。各大集成芯片公司,如ST,Freescale,Infineon均设计ABS的专用集成芯片,提出了自己的ABS解决方案。该芯片就像一个黑匣子,方便了电路的设计过程,并且由于其高度集成性,使电路更简明,可靠性更高,代表了未来电路设计的方向。
1ABS驱动电路的集成化方案
ABS驱动电路的集成化方案如图1所示,选用TLE6210作直流电机和电磁阀总开关的高端驱动,选用L9349作为8个电磁阀(4进4出)的低端驱动。

ABS控制器通过PWM控制,改变电磁阀线圈的电流通断和频率通断,以实现车轮制动的轮缸增压、保压和减压操作;当电磁阀ABS减压阀打开进行减压时,回油泵能使轮缸中的制动液返回制动主缸,以便在下个控制周期中使用;电磁阀的高边总开关用来控制电磁阀的供电电路,若ABS系统发生故障,断开电源使下面挂的8个电磁阀都不动作,恢复常规电磁阀高边总开关的输出引脚为VR,当ABS系统上电复位或看门狗给出控制信号,输出脚即切换到ON状态,这样符合ABS实际工作的逻辑,也保证了当ABS系统发生故障时,可迅速地退出对电磁阀的控制,恢复到常规制动。芯片的MRA脚为控制信号输入端,输出引脚MR驱动直流电机。当MCU的I/O口给MRA脚一高电平时,外接的MOSFET导通,直流电机实现回油功能。由于电磁阀和电机为感性负载,还需要外接反向续流二极管。芯片的驱动部分具有过温保护,过流保护和短路保护,当出现上述故障情况时,能自动关闭芯片,故有很强的自保护特性。

基于TLE6210芯片的高度集成化方案,不仅能大大简化电机驱动电路和电磁阀前驱电路,还能使整个控制器所需分立芯片数大为减少,PCB板体积也更小,降低了成本,增强了控制器的可靠性
2基于L9349的电磁阀驱动
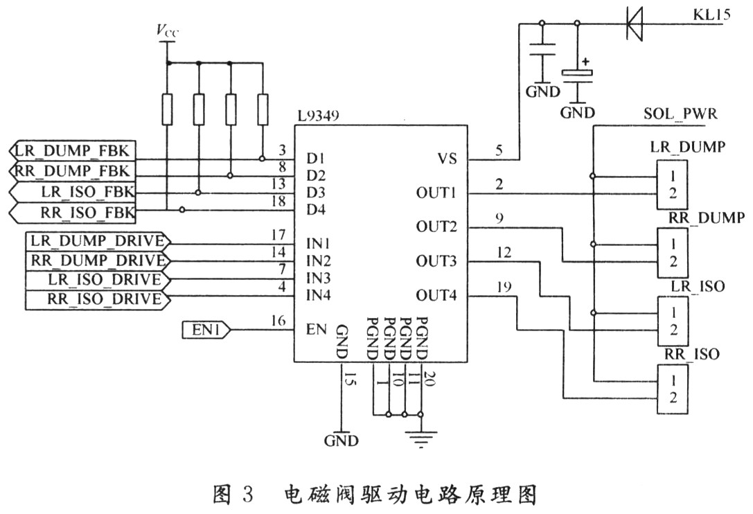
经实验测得,一般ABS压力调节器的4个常开进油电磁阀的最大起动电流约为3.6A;4个常闭出油电磁阀最大起动电流约为2.4A。而L9349的工作电压4.5~32V,两路通道内阻O.2Ω,最大负载电流3A;另两路内阻0.3Ω,最大负载电流5A,恰好能满足ABS常开和常闭电磁阀的驱动电流要求,而且较低的导通内阻又能保证低功耗,因此L9349非常适合进行ABS电磁阀的驱动控制。电磁阀驱动电路原理图见图3。

在图3中,每片L9349能驱动4个电磁阀工作,属于典型的低端驱动。通过Vs端口给芯片提供12V供电电压;当给输入端IN1~IN4PWM控制信号,就能方便地控制输出端以驱动4路电磁阀工作,OUT1和OUT2端口的最大驱动能力为5A,应该连接ABS的常闭电磁阀;OUT3和OUT4端口最大驱动能力为3A,应连接ABS常开电磁阀,不可接反;EN端口为使能端,能通过MCU快速关闭芯片;L9349的数字地和模拟地分开,提高了驱动模块的抗干扰
ABS作为如今汽车上必备的安全电子设备,其功能越来越受到人们的重视。ABS系统通过电磁阀和回油泵来完成对制动器中轮缸压力的精细调节,以防止过度制动使车轮抱死。由于ABS工作环境十分恶劣,为保证电磁阀和电机响应的高效性和可靠性,除了与执行机构本身的参数相关外,对驱动电路的设计也直接决定了驱动的品质。
当今汽车电子市场异常火热,竞争十分激烈。各大集成芯片公司,如ST,Freescale,Infineon均设计ABS的专用集成芯片,提出了自己的ABS解决方案。该芯片就像一个黑匣子,方便了电路的设计过程,并且由于其高度集成性,使电路更简明,可靠性更高,代表了未来电路设计的方向。
1ABS驱动电路的集成化方案
ABS驱动电路的集成化方案如图1所示,选用TLE6210作直流电机和电磁阀总开关的高端驱动,选用L9349作为8个电磁阀(4进4出)的低端驱动。

ABS控制器通过PWM控制,改变电磁阀线圈的电流通断和频率通断,以实现车轮制动的轮缸增压、保压和减压操作;当电磁阀ABS减压阀打开进行减压时,回油泵能使轮缸中的制动液返回制动主缸,以便在下个控制周期中使用;电磁阀的高边总开关用来控制电磁阀的供电电路,若ABS系统发生故障,断开电源使下面挂的8个电磁阀都不动作,恢复常规电磁阀高边总开关的输出引脚为VR,当ABS系统上电复位或看门狗给出控制信号,输出脚即切换到ON状态,这样符合ABS实际工作的逻辑,也保证了当ABS系统发生故障时,可迅速地退出对电磁阀的控制,恢复到常规制动。芯片的MRA脚为控制信号输入端,输出引脚MR驱动直流电机。当MCU的I/O口给MRA脚一高电平时,外接的MOSFET导通,直流电机实现回油功能。由于电磁阀和电机为感性负载,还需要外接反向续流二极管。芯片的驱动部分具有过温保护,过流保护和短路保护,当出现上述故障情况时,能自动关闭芯片,故有很强的自保护特性。

基于TLE6210芯片的高度集成化方案,不仅能大大简化电机驱动电路和电磁阀前驱电路,还能使整个控制器所需分立芯片数大为减少,PCB板体积也更小,降低了成本,增强了控制器的可靠性
2基于L9349的电磁阀驱动
经实验测得,一般ABS压力调节器的4个常开进油电磁阀的最大起动电流约为3.6A;4个常闭出油电磁阀最大起动电流约为2.4A。而L9349的工作电压4.5~32V,两路通道内阻O.2Ω,最大负载电流3A;另两路内阻0.3Ω,最大负载电流5A,恰好能满足ABS常开和常闭电磁阀的驱动电流要求,而且较低的导通内阻又能保证低功耗,因此L9349非常适合进行ABS电磁阀的驱动控制。电磁阀驱动电路原理图见图3。

在图3中,每片L9349能驱动4个电磁阀工作,属于典型的低端驱动。通过Vs端口给芯片提供12V供电电压;当给输入端IN1~IN4PWM控制信号,就能方便地控制输出端以驱动4路电磁阀工作,OUT1和OUT2端口的最大驱动能力为5A,应该连接ABS的常闭电磁阀;OUT3和OUT4端口最大驱动能力为3A,应连接ABS常开电磁阀,不可接反;EN端口为使能端,能通过MCU快速关闭芯片;L9349的数字地和模拟地分开,提高了驱动模块的抗干扰力
D1~D4是故障诊断引脚,必须外接上拉电阻才能使用,电路正常工作时,该引脚为逻辑高电平,若有故障发生,即会自动置为逻辑低电平。通过对各独立通道的输入控制端和状态反馈端进行逻辑组合,可实时识别出输出端的工作状态,并立即做出相应的措施,包括退出ABS功能,点亮故障显示灯,传输故障码。功能真值表见表1。

3结语
当前在ABS设计中普遍采用的电磁阀驱动电路设计均以功率MOSFET为主,辅之以保护回路,隔离措施等以保证其可靠性,还要设计专门的自诊断回路以进行故障检测。虽然在具体电路的设计上分立方案有一定的灵活性,但成本和PCB空间的耗费较高;本方案采用ABS专用集成芯片TLE621O和L9349,集驱动和监测功能于一身,应用于ABS系统中能降低功耗,便于故障检测,提高可靠性,大大改善了整个系统的性能。
