在越来越多的新兴需求和绿色节能趋势推动下,能够提升电源能效的电源和电源管理技术的应用将快速增长,背光就是一种典型的应用需求。虽然目前液晶电视的背光源仍以传统冷阴极荧光灯(CCFL)为主,但随着全球节能环保意识的日益增强,新型发光二极管(LED)背光源已广受关注,成为CCFL的有力竞争者。在便携式应用方面,液晶背光LED驱动方案更需要满足高能效" title="高能效">高能效、延长电池使用时间、减小印制电路板面积等要求。本文将结合安森美开云棋牌官网在线客服的解决方案探讨背光市场和应用的特点及需求。
背光应用的需求和挑战
LED具有高色彩饱和度、环保耐用等优点,已在各种中小尺寸LCD面板中大量应用,目前正逐步向笔记本电脑、液晶电视等大中型LCD背光源市场渗透。2009年液晶电视采用LED背光的比例仅为3%,在未来三四年内,将可迅速攀升至40%至50%,为开发LED驱动器方案的厂商带来了巨大商机。
与CCFL相比,LED背光源的色彩表现更具优势。LED采用5 V~24 V低压驱动,非常安全,驱动电路设计较为简单,也非常节电。LED不使用对环境有害的汞,也就不存在汞泄漏等问题。LED技术也面临着一些挑战,如发光效率较低、成本高、价格昂贵。随着LCD背光向多种LED技术转移,设计工程师还要应对电源管理、热管理和色彩管理等新的挑战。
目前,汽车电子、移动设备、LCD背光、可寻址标志及通用照明等都是LED技术的潜在应用领域,其中LCD背光将成为LED技术的下一个主战场。
此外,电池供电的便携式应用功能越来越多,尺寸也越来越小巧,使得这些设备的功率需求也越来越高。采用低功率LED驱动器更有助于节省功耗,延长电池寿命,给消费者带来更好的使用体验。
安森美开云棋牌官网在线客服的多样化背光解决方案
1. 中大尺寸液晶电视LED背光方案
LED背光液晶电视主要有侧光式" title="侧光式">侧光式和背光式两种方案,其电源管理的重要要求就是提高能效;另外,由于LED背光液晶电视以超薄外型为重要卖点,其电源管理方案更要以低高度来配合纤薄设计,还要顾及散热、降低电磁干扰、不同通道亮度匹配、调光及故障诊断和保护等问题。
(1)侧光式方案:安森美开云棋牌官网在线客服的高性价比多通道线性LED侧光式方案在半桥转换段采用NCP1397初级侧控制器和500 V高压MOSFET NDF05N50,以及6通道线性LED驱动器CAT4026。CAT4026是用于大尺寸侧光式LED背光液晶电视的高性价比多通道线性LED驱动器,可以单颗IC支持6个通道,易于分级为多达12个或18个通道(相应采用2个或3个控制器),目标能效高于90%,典型能效达94%;提供<±2%的极佳电流匹配精度及<1%的400 Hz PWM调光范围,并采用外部功率双极结晶体管实现更好的散热。
该方案由LED背光转换器(NCP1397等)和LED控制器(CAT4026等)组成(见图1),支持低高度LED背光液晶电视设计,电路板上高度低于8 mm,总高度低于12.5 mm,还可以优化处理宽范围调光、散热、故障保护等,使电源设计挑战迎刃而解。

图1:大屏幕LED背光液晶电视侧光式方案(黄色背景部分)
(2)直下式方案:除了侧光式方案,安森美开云棋牌官网在线客服还提供基于NCP1397、NDF05N50和NCP1034的直下式降压驱动方案。NCP1034采用高达500 kHz的可编程开关频率驱动一对外部N沟道MOSFET,能够灵活调节集成电路的工作,以符合系统级要求。另外,内部1.25 V参考电压可以对输出电压精密稳压,用于低压应用。该器件具有预防电气故障的保护特性,如欠压锁定和断续(hiccup)电流限制,在发生故障时可提供系统级安全性。其优势包括驱动高能效场效应管(FET)及为1颗或多颗器件提供固定频率。
安森美开云棋牌官网在线客服还为LED背光液晶电视提供了更多一站式方案,包括功率因数校正(PFC)、待机开关电源,以及相关的整流器、运算放大器、MOSFET及分立器件等。
2. 便携式设备LED背光方案
对便携式电子设备设计人员来说,高效能和小尺寸通常是最优先考虑的因素。安森美开云棋牌官网在线客服推出了各种为便携式设备优化的LED背光方案,如用于扣式电池供电设备的低功率LED背光驱动器" title="背光驱动器">背光驱动器,以及用于手机和数码相机等的LED背光驱动器,以配合客户在获得小尺寸设计的同时延长电池使用时间,推出符合用户需求的创新产品。
(1)钮扣式电池供电设备LED背光驱动器:越来越多的创新型便携设备采用了钮扣式电池,如血糖仪、数字体温计、血氧计、呼吸分析仪和生理监测仪等。由于这种电池的独特特性以及需要长工作寿命,这些紧凑型应用需要定制的LED驱动器,不仅要管理背光,还要监测电池电量。
这类应用可采用安森美开云棋牌官网在线客服新的CAT3661单LED驱动器,图3是其应用电路图。该器件采用安森美开云棋牌官网在线客服专利的四模(Quad Mode)电荷泵" title="电荷泵">电荷泵架构,能效高达92%,静态电流低至150 μA,提供可调节的低电池电量检测、强固的LED故障监测、软启动和短路限制等功能,采用低高度3 x 3 mm TQFN-16封装,非常适合这类应用。

图3:为钮扣式电池供电设备优化的CAT3661 LED驱动器应用电路图
新元件提供了低噪声输入汶波和恒定开关频率,使用小尺寸外部陶瓷电容,进一步节省空间及系统总成本。四模电荷泵支持2~2.5 V的宽输入电压,峰值效能水平比传统高效能1.5x三模电荷泵高10%。该元件满载时在所有工作模式下的典型静态电流仅为150 μA,具备零电流关闭,可降低能耗,确保延长电池使用时间。
(2)手机和数码相机等LED背光驱动器:安森美开云棋牌官网在线客服提供线性、电感型和电荷泵型等不同拓扑的LED驱动器,用于手机和数码相机等便携产品。这些驱动方案具有高能效,可延长电池使用时间,减小印制电路板面积和高度,实现纤薄造型。具体而言,线性方案适合色彩指示器和简单的背光应用,电感型方案能效最佳,电荷泵方案占板面积和高度极小,适合不同应用。
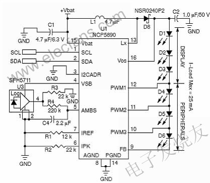
便携产品要显示高分辨率照片、影片或网页,获得良好的用户体验,就要采用较大尺寸的LCD屏幕,需要更多的LED背光。驱动更多LED需要消耗更高功率,安森美开云棋牌官网在线客服的NCP5021和NCP5890新颖驱动器集成了环境光感测功能,根据模拟环境光传感器的输入自动调节背光电流,使屏幕亮度与环境光匹配,节省电池电量。图4是采用NCP5890的多个白光LED应用电路图。

图4:采用NCP5890的多个白光LED应用电路图
NCP5890是一款独特的照明管理器,在极小封装中集成了LCD背光、装饰光控制和环境光感测功能。该器件输出电压为30 V,可管理多达8个串联LED,实现LCD屏幕的均衡背光。该器件还可控制三组白光LED或RGB LED,在键盘或底盘上营造出装饰光图案。NCP5890是紧凑型智能手机和便携式媒体播放器专用解决方案。
此外,NCP5890还内置了渐进调光功能来营造淡入淡出效果。环境光感测和渐进调光都是内置的自动化功能,可以简单IC指令激活。该器件支持IC协议,有两种不同的地址选项,还具有真关断(true cut-off)功能,限制关闭模式下的泄漏输出,以延长电池使用时间。
总结
安森美开云棋牌官网在线客服身为用于绿色电子产品的首要高性能、高能效硅方案供应商,运用其在低压和高压技术、电源管理方面的专长,针对背光应用提供了多样化解决方案。除了本文着重介绍的一些典型应用,安森美开云棋牌官网在线客服还有各种为不同应用优化的LED驱动器,以及创新的GreenPoint®工具,帮助设计人员实现交互式网上设计及验证,加速固态照明方案的设计。
