0 引 言
无线传感器网络就是一种RGS系统(远程地面传感器系统),它是一种利用多种传感器作为综合情报采集元件,进行数据融合、编码等处理后,发送给指挥中心,处理还原后在监控平台显示出来的探测系统。它集传感器技术、图像探测技术、震动探测技术、声音探测技术、无线通信技术、数字编码压缩技术、信息融合技术及计算机技术为一体,是由多种高新技术集成的综合性技术。无线多传感器网络系统主要由以下几部分组成:
(1)系统前端传感器及GPS模块——信号采集部分:主要是由图像、声音、震动以及红外传感器组成的探测单元和GPS模块构成,负责完成战场信息监测任务。
(2)信息传输部分:主要负责将采集到的信息压缩编码和进行远距离无线传输。
(3)指挥中心测控平台部分:主要完成对监测单元的远程控制及信号接收任务,并对搜集到的各种信息进行融合处理、分析。将处理结果提供给指挥中心人员,使他们能及时准确地把握战场态势,做出相应的决策。
本文主要是对无线传感器网络中图像传输系统的硬件设计与软件编程的思想。
1 发射端调制解调器硬件电路设计和工作原理
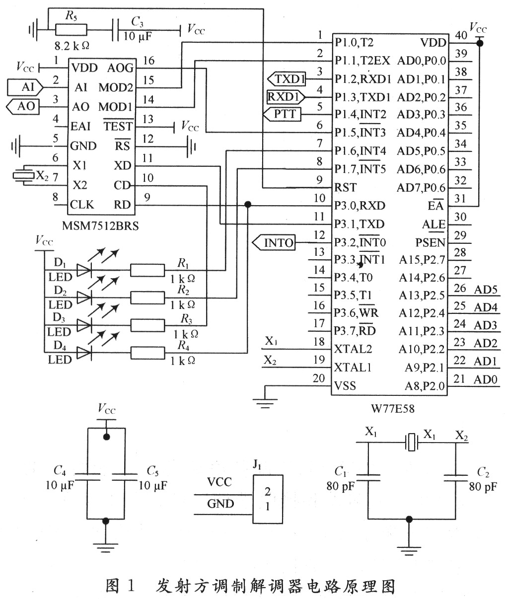
调制解调器硬件电路在发射方和接收方,由于所需完成的任务不同,实际上是不一样的。发射方调制解调器电路原理图如图1所示。

系统使用+5 V的电源由无线电台的电池变换后供给。MSM7512 B使用专用的3.579 545 MHz的晶体,由于其内部有接地电容,不用外接补偿元件;单片机使用频率为11.059 2 MHz的晶体,主要是为了在波特率设置时,可以取得准确的波特率,能有效避免定时器工作产生的积累误差,外接的补偿元件是二个30 pF电容。为了防止单片机程序运行时的误操作,应将单片机EA/VPP端(31脚)置高电平,确保单片机访问内部的程序存储器。由于调制解调芯片MSM7512B和单片机W77E58都支持TTL电平,所以单片机的第一串行通信口TXD,RXD可以直接与MSM75125B的XD和RD相连;单片机的P1.0,P1.1分别连接:MSM7512B的MOD2和MOD1,按通信的要求,在收发之间转换,以控制调制解调芯片的工作状态;P1.4则控制无线电台收/发状态的转换(PTT)。MSM75125B的AO和AI分别通过接口电路与无线电台的送/受话器相连。作为系统外部监视的显示电路全部由发光二极管和电阻构成,其中红色发光二极管D1为电源指示,亮则表示系统的初始化过程正确;黄色发光二极管D2为发送正确指示,系统每正确完成一次数据发送任务,它应闪烁一次;D3为载波检测指示,如果亮则表示调制解调器检测到了信道中的有效载波信号;D4为数据传输指示,系统在发送数据时它就开始闪烁,直至数据发送完毕。如果前端传感器有数据需要传送时,产生一个下降沿脉冲,触发单片机的外部中断INTO(P3.2),单片机响应中断后,将前方来的8位并行数据由P2口(P2.0~P2.5)读入,由于P2口内部有上拉电阻,因此作为输入口时,可用TTL或MOS电路驱动,而不要外加上拉电阻。W77E58的串行通信口2可留作系统的扩展口备用。2 接收方调制解调器与单片机的接口电路
接收方调制解调器电路与战场传感器方调制解调器电路在单片机和调制解调芯片的使用和控制是一样的。所不同的是:单片机的第二串行口通过电平转换电路与计算机的RS 232C口相连,把接收到的数字信号传送给微机。接收方调制解调器与单片机的接口电路如图2所示。发光二极管显示电路作用也不完全相同,其中D1~D8为接收数据显示,它能把正确接收的数据以二进数的形式显示出来,D9为系统的电源指示,D10为发送正确指示,D11为载波检测指示,D12为数据传送指示。

3 调制解调器与PC机接口电路的设计
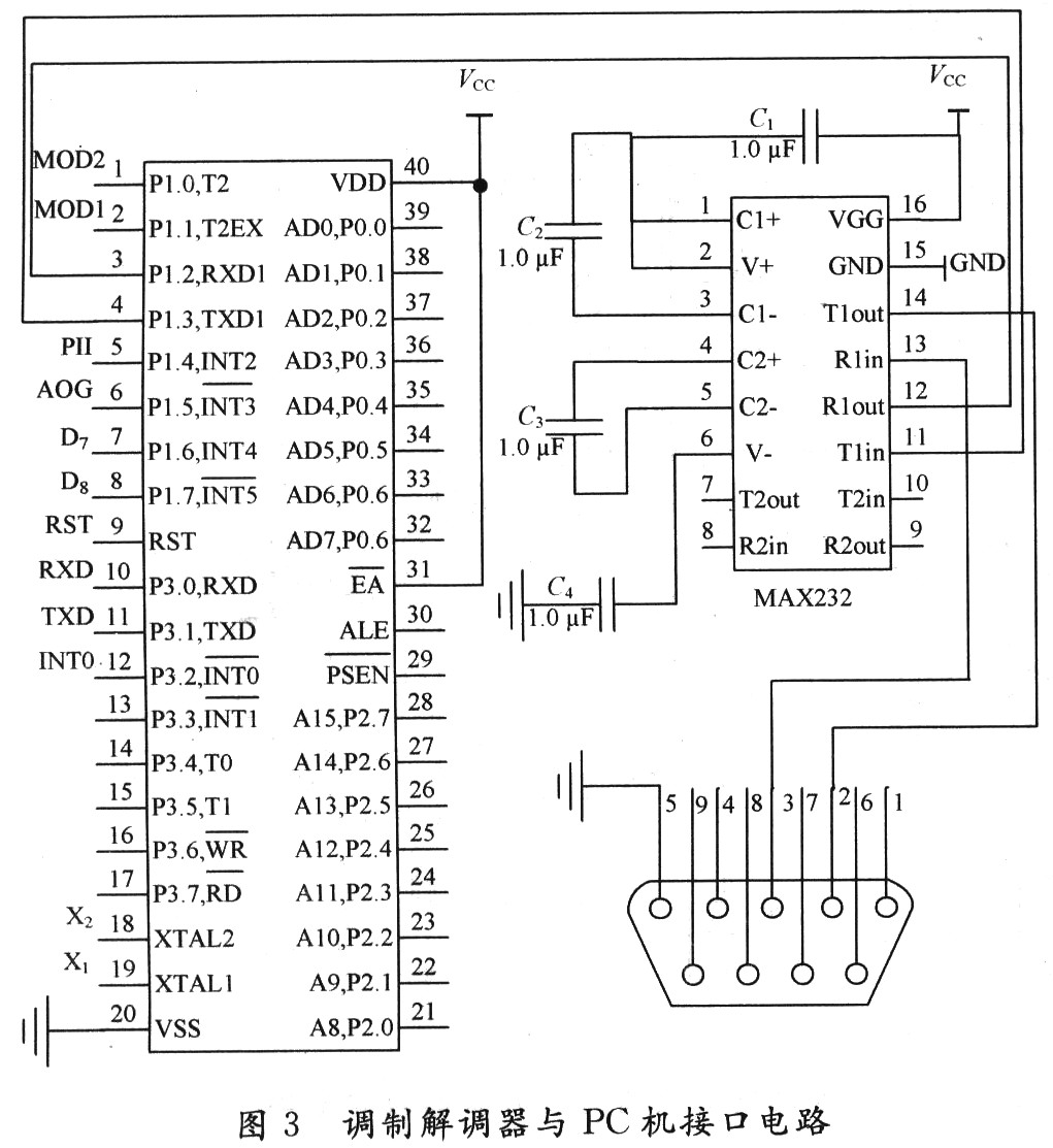
调制解调器与PC机接口实际上也就是调制解调器中单片机W77E58与PC机的接口电路,W77E58支持TTL电平,而微机串行通信口RS 232C支持EIA电平,因此在实现它们之间的串行通信时,必须设计电平转换电路,以满足它们各自的需要。
电平转换电路是指挥中心方调制解调器与微机的接口电路,它也是数据无线传输系统硬件电路(指挥中心方)的一个组成部分。其工作过程如下:由调制解调器解调出来的数字信号,由单片机处理后,从W77E58的串行通信口2,经电平转换芯片MAX232、PC机的RS 232C口(DB9)和微机内部的UART,最后传递给CPU,在监控平台上显示出来。其电路原理图如图3所示。

4 图像无线传输软件设计
程序共分五个部分,三个主程序为:发送方单片机程序、接收方单片机程序和微机接收程序;两个子程序为:差错处理子程序、发送延时子程序。
收、发双方及单片机与PC机之间的联络均采用软件“握手”信号联络。所有联络“握手”信号均为#0AAH,接收正确后应答信号为#00H,接收错误则应答为#0FFH。
传感器一方在无数据需要传输时,通过单片机的编程控制使MSM7512B工作在省电模式,此时调制解调芯片(不含W77E58)的功耗仅为0.1 mW,可以最大限度地延长电池的使用时间。单片机与MSM7512B的逻辑控制关系:P1.O→MOD2,P1.1→MODl,P1.5→AOG,另外 P1.4→电台PTT,单片机控制MSM7512B和电台进行收、发转换。前端传感器有数据传输时,产生一个下降沿的脉冲信号启动整个系统的程序运行,数据传输完毕后,系统返回初始状态。单片机的P1.5口控制选择MSM7512B的的输出电平。
通过对MSM7512B调制解调芯片性能特点的了解,设计出了发射端和接收端调制解调器的实际电路,然后简单介绍了具有双串口功能的单片机W77E58的性能特点后,给出了数据无线传输系统的接收方单片机与PC机之间串行通信的硬件电路图,并描述了Mo-dem与电台接口电路的设计过程,最后叙述了整个系统单片机软件的特点。从整体上给出了无线传感器网络数据无线传输系统的设计原理图。
