基于PIC24FJ256DA210设计的16位MCU开发技术
摘要: PIC24FJ256DA210是16位MCU,具有能和LCD显示器接口的图像控制器(GFX)模块,高达96KB的数据RAM。PIC24FJ256DA210高性能CPU采用改进型哈佛架构,32MHz时的性能高达16MIPS,内部振荡器8MHz,17位x17位单周期硬件乘法
Abstract:
Key words :
PIC24FJ256DA210 是16位MCU,具有能和LCD显示器接口的图像控制器(GFX)模块,高达96KB的数据RAM。PIC24FJ256DA210高性能CPU采用改进型哈佛架构,32MHz时的性能高达16MIPS,内部振荡器8MHz,17位x17位单周期硬件乘法器,32位x16位硬件除发器。器件工作电压2.2V-3.6V,数字输入可达5.5V。主要用在消费类电子如电热控制,无绳电话,遥控单元,家用电器,销售终端(POS)以及手提医疗设如血糖仪,血压机,手提ECG等。本文介绍了PIC24FJ256DA210系列主要特性,方框图和PIC24FJ256DA210开发板主要特性,方框图以及详细电路图。

图1。PIC24FJ256DA210系列方框图

图2。PIC24FJ256DA210开发板外形图

图3。PIC24FJ256DA210开发板方框图

图3。PIC24FJ256DA210开发板电路图(MCU)

图4。PIC24FJ256DA210开发板电路图(开关,电位计和触摸点)

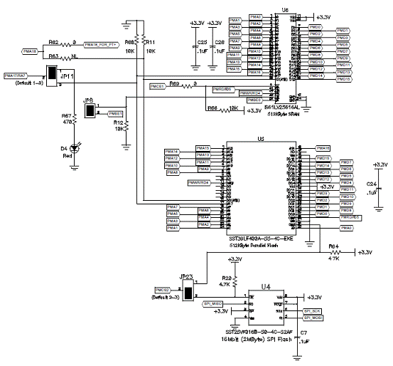
图5。PIC24FJ256DA210开发板电路图(闪存和SRAM选择)

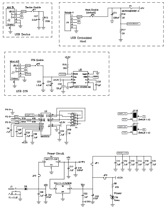
图6。PIC24FJ256DA210开发板电路图(USB和UART选择,电源)

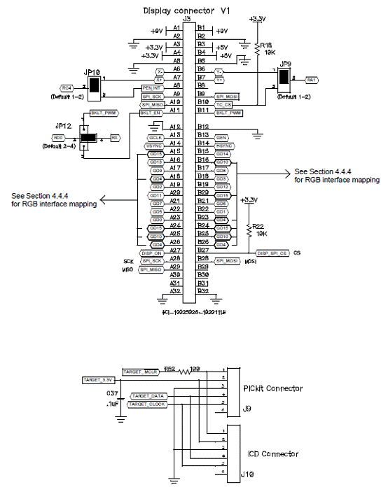
图7。PIC24FJ256DA210开发板电路图(显示连接器ICD和PICkit连接器)

图8。PIC24FJ256DA210开发板电路图(PICtail™ PLUS 连接器和PICtail配置选择)

图9。PIC24FJ256DA210开发板电路图(MCU插座)
此内容为AET网站原创,未经授权禁止转载。
