AT73C260是片内USB收发器,完全和USB标准兼容,是双向差分接口,有三种不同的接口:数字、带或不带电缆的USB2.0 section 7和IC_USB1.0。AT73C260还包括3.5V电源监视器、低功耗的能带隙稳压器、3.3V 70mA线性电压稳压器和1.8V~3.0V 70mA线性电压稳压器SIM FTA。主要用在移动USB UICC(ETSI 102 600)、PC USB UICC以及 Token USB(口令密码USB)。

图1 AT73C260方框图
AT73C260简介
AT73C260是片内USB收发器,完全符合通用串行总线规范的要求,具体地说是与IC_USB1.0兼容。AT73C260是一种双向差分接口。AT73C260特别适于用于移动器件、PC和使用USB UICC 的Token USB。
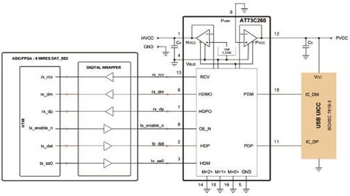
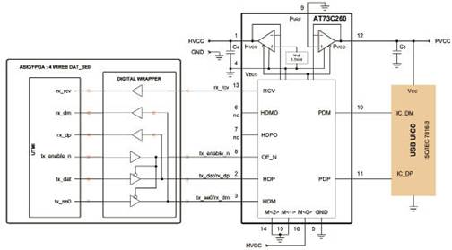
AT73C260的上行端口可以连至3种不同的接口:数字;带或不带电缆的USB2.0 section 7;IC_USB1.0。
AT73C260的下行端口符合IC_USB1.0的要求。利用3个引脚选择AT73C260的模式。在PVCC由3.3V电源供电,并且在PDM和PDP上添加了下拉电阻器时,AT73C260的下行端口符合USB2.0 section 7的要求。

图2 AT73C260应用框图:PHY–6线DAT_SE0到IC_USB1.0

图3 AT73C260应用框图:4线DAT_SE0到IC_USB1.0
AT73C260还包括3.5V电源监视器、低功耗能带隙稳压器、3.3V 70mA线性电压稳压器和1.8V~3.0V 70mA线性电压稳压器SIM FTA,符合测试27.17.2.1的要求。
AT73C260的工业温度范围为- 40℃~+85℃。
AT73C260采用面积为3 mm×3mm、栅距为0.5mm的QFN16封装。
AT73C260主要特性
• 引脚可编程模式
• 电源电压范围:1.55V~3.6V
• PHY IC_USB1.0下行端口
• USB2.0 Section 7至IC_USB1.0桥
• IC_USB1.0至USB2.0 Section 7桥
• 电压参考:3.3V
• 2个70mA LDO电压稳压器
• 各个电源上的静态电流均低于5μA
• 转换速率控制,可以将EMI降至最低水平
• ESD 4kV,符合USB UICC的要求

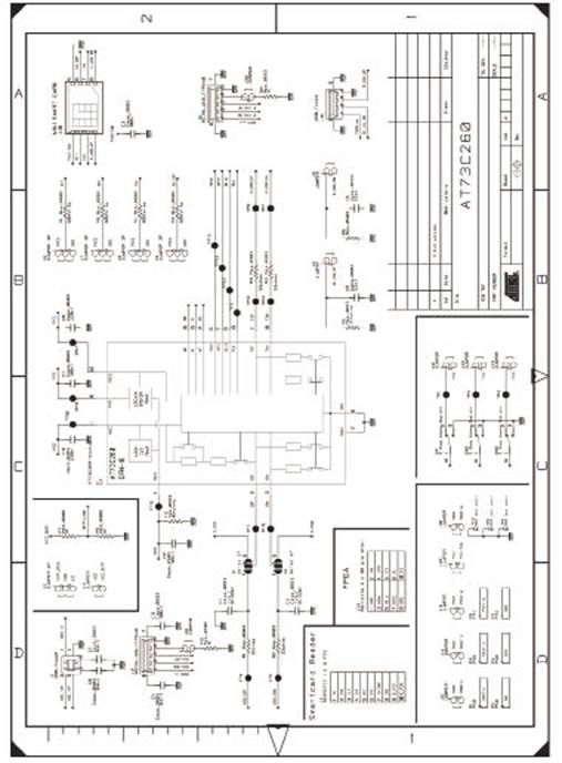
图4 AT73C260-EK1评估板电路图
AT73C260应用
– 移动USB UICC(ETSI 102 600)、PC USB UICC和Token USB(口 令密码USB)
AT73C260-EK1评估套件
AT73C260-EK1评估套件设计用于轻松评估AT73C260片内USB收发器的功能和各种片内配置模式。
AT73C260-EK1评估套件主要特性
电源:
用于实现主机连接的VBUS连接器板上资源:
A类USB连接器
B类USB连接器
– 2个AB类Micro USB连接器
– UICC接口连接器
– 智能卡阅读器连接器
– 用于实现FPGA互连的连接器板上跳线器:
– M<2:0>焊盘跳线器,用于配置片内连接模式
– PVRE配置跳线器
– PDP和PDM上下拉电阻器的跳线器
– UICC连接器配置跳线器
– 电源上负载连接跳线器
