IGBT是绝缘栅极双极型晶体管。它是一种新型的功率开关器件,电压控制器件,具有输入阻抗高、速度快、热稳定性强、耐压高方面的优点,因此在现实电力电子装置中得到了广泛的应用。在我们的设计中使用的是西门子公司生产的BSM50GB120,它的正常工作电流是50A,电压为1200V,根据具体的情况需要,还可以选取其它型号的IGBT。对于IGBT的驱动电路模块,市场上也有卖的,其中典型的是EXB840、2SD315A、IR2130等等。但是在家用电器中,考虑到驱动保护特性,以及成本方面的因数,设计出了一种简单实用的驱动保护电路。
通过电磁振荡产生的强大磁场,然后作用在锅具(磁性的)上形成涡流,实现加热功能的。使用这种方案的器具,凭借其卫生、使用方便可靠,尤其是节能方面优点更显著,热效率一般能够达到90%多,所以在人们的日常生活中得到了广泛的应用。目前,这种电磁振荡方案以其结构简单清晰、可靠性高、成本低的特点,在实际中已经得到了广泛的应用。而且这种IGBT驱动保护电路和电磁振荡方案可以在家用电器中的电磁炉、电磁电饭锅、电磁热水壶、电磁热水器等。
IGBT的驱动保护电路
IGBT的驱动电路
根据不同的功能要求,可以选取不同的驱动电路,在有些重要的大电流或者是昂贵的电子设备中,我们可以选取专门的IGBT驱动及保护芯片,可靠性很高,但是在一些低成本,如家用电器中,这些驱动模块就不太实用了。
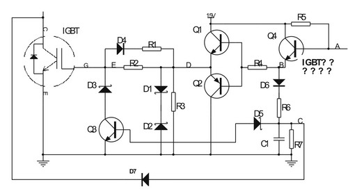
如图1所示,其中包括了IGBT的具体驱动电路, 满足了IGBT的驱动要求,采用的是单电源15V供电的方式,IGBT的栅极电压可以为15V和0V,可以保证IGBT的正常导通与关断,电路简单,实用于低成本的家用电器控制器中。
其中A点为IGBT的控制输入信号。当输入高电平的时候,Q4导通,则B点为高电平,从而驱动Q1导通,Q2截止,使得D点电压为+15V,然后通过电阻 R2驱动IGBT,此时D4相当于开路,R2为断开的。D1、D2为15V的稳压二极管,他们可以控制IGBT的G点在15V, 控制IGBT导通。当A 点输入的是低电平,Q4截止,B点为低电平,从而驱动Q2导通,Q1截止,D点电平为低的,这时R1与R2认为是并联的,使得IGBT为截止状态。
IGBT的保护电路
首先是过流保护措施,IGBT的短路电流的大小与栅极电压有关,在实际应用中,可以通过减少栅极电压来降低短路电流或延长承受短路电流的时间。在电磁振荡过程中,其振荡频率为30KHz~40KHz,在一个周期中,IGBT开通的时间大概是15~25μs。当发生过流情况时,IGBT的C、E两端的电压会升高,使得D7相当于断开了,这个时候IGBT为导通的,B点电压为15V,二极管D6导通,然后通过R6,R7为电容器C1充电,如果过流时间超过2μs 后,C点的电压使得稳压二极管D5导通,导致Q3处于导通状态,在电路中选用的稳压二极管D3为10V的,这样由于D3的钳位作用,这样有效地降低了 IGBT的栅极电压VGE,根据IGBT的驱动特性,可以延长IGBT的短路电流的承受时间。在电磁振荡电路中,IGBT开启的时间很短,采取这样降低栅极电压的方法可以有效地保护器件。
通过对接的两个稳压二极管可以有效低钳位D点的电压不能超过15V,在D点与地线之间接上一个几十 KΩ的电阻,这样可以作为栅极驱动电压的过压保护。在IGBT关断的时候,二极管D4导通,则此时栅极电阻RG则相当于是R1与R2两个电阻并联的电阻,这样使得栅极电阻RG更小,这样可以有效地起到集电极电流变化过大保护作用。此外在绘制PCB时,在加粗地线的同时得注意驱动电路与IGBT栅极、发射极之间的距离,尽量减小栅极与发射极的等效电感。

图 1 IGBT驱动保护电路
IGBT是绝缘栅极双极型晶体管。它是一种新型的功率开关器件,电压控制器件,具有输入阻抗高、速度快、热稳定性强、耐压高方面的优点,因此在现实电力电子装置中得到了广泛的应用。在我们的设计中使用的是西门子公司生产的BSM50GB120,它的正常工作电流是50A,电压为1200V,根据具体的情况需要,还可以选取其它型号的IGBT。对于IGBT的驱动电路模块,市场上也有卖的,其中典型的是EXB840、2SD315A、IR2130等等。但是在家用电器中,考虑到驱动保护特性,以及成本方面的因数,设计出了一种简单实用的驱动保护电路。
通过电磁振荡产生的强大磁场,然后作用在锅具(磁性的)上形成涡流,实现加热功能的。使用这种方案的器具,凭借其卫生、使用方便可靠,尤其是节能方面优点更显著,热效率一般能够达到90%多,所以在人们的日常生活中得到了广泛的应用。目前,这种电磁振荡方案以其结构简单清晰、可靠性高、成本低的特点,在实际中已经得到了广泛的应用。而且这种IGBT驱动保护电路和电磁振荡方案可以在家用电器中的电磁炉、电磁电饭锅、电磁热水壶、电磁热水器等。
IGBT的驱动保护电路
IGBT的驱动电路
根据不同的功能要求,可以选取不同的驱动电路,在有些重要的大电流或者是昂贵的电子设备中,我们可以选取专门的IGBT驱动及保护芯片,可靠性很高,但是在一些低成本,如家用电器中,这些驱动模块就不太实用了。
如图1所示,其中包括了IGBT的具体驱动电路, 满足了IGBT的驱动要求,采用的是单电源15V供电的方式,IGBT的栅极电压可以为15V和0V,可以保证IGBT的正常导通与关断,电路简单,实用于低成本的家用电器控制器中。
其中A点为IGBT的控制输入信号。当输入高电平的时候,Q4导通,则B点为高电平,从而驱动Q1导通,Q2截止,使得D点电压为+15V,然后通过电阻 R2驱动IGBT,此时D4相当于开路,R2为断开的。D1、D2为15V的稳压二极管,他们可以控制IGBT的G点在15V, 控制IGBT导通。当A 点输入的是低电平,Q4截止,B点为低电平,从而驱动Q2导通,Q1截止,D点电平为低的,这时R1与R2认为是并联的,使得IGBT为截止状态。
IGBT的保护电路
首先是过流保护措施,IGBT的短路电流的大小与栅极电压有关,在实际应用中,可以通过减少栅极电压来降低短路电流或延长承受短路电流的时间。在电磁振荡过程中,其振荡频率为30KHz~40KHz,在一个周期中,IGBT开通的时间大概是15~25μs。当发生过流情况时,IGBT的C、E两端的电压会升高,使得D7相当于断开了,这个时候IGBT为导通的,B点电压为15V,二极管D6导通,然后通过R6,R7为电容器C1充电,如果过流时间超过2μs 后,C点的电压使得稳压二极管D5导通,导致Q3处于导通状态,在电路中选用的稳压二极管D3为10V的,这样由于D3的钳位作用,这样有效地降低了 IGBT的栅极电压VGE,根据IGBT的驱动特性,可以延长IGBT的短路电流的承受时间。在电磁振荡电路中,IGBT开启的时间很短,采取这样降低栅极电压的方法可以有效地保护器件。
通过对接的两个稳压二极管可以有效低钳位D点的电压不能超过15V,在D点与地线之间接上一个几十 KΩ的电阻,这样可以作为栅极驱动电压的过压保护。在IGBT关断的时候,二极管D4导通,则此时栅极电阻RG则相当于是R1与R2两个电阻并联的电阻,这样使得栅极电阻RG更小,这样可以有效地起到集电极电流变化过大保护作用。此外在绘制PCB时,在加粗地线的同时得注意驱动电路与IGBT栅极、发射极之间的距离,尽量减小栅极与发射极的等效电感。

图 1 IGBT驱动保护电路
IGBT在电磁振荡中的应用
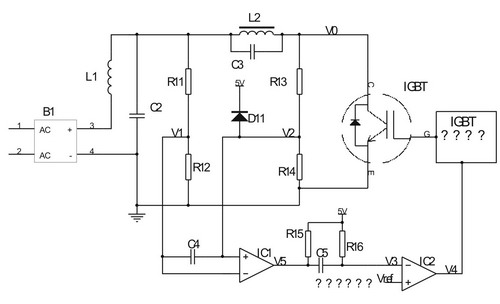
图2为电磁振荡的原理图,其中包括电源主回路、同步电路、脉宽调制电路、IGBT的驱动保护电路。其中IGBT的驱动保护电路是采用的图1的方案。在完整的电磁振荡电路中还包括电源电路、电流负反馈电路、过压保护电路、以及单片机控制电路。
主回路中,IGBT受到的驱动信号为近似矩形的脉冲,当IGBT导通的时候,励磁线圈L2的电流急剧增加,能量以电感的电流形式保存起来,当IGBT截止时,励磁线圈L2与电容C3的并联回路发生谐振,电压可以超过1000V。驱动矩形脉冲信号的脉宽决定了电磁振荡工作的功率,但是这个宽度是通过同步电路和脉宽调制电路共同决定的。
同步电路必须准确监视主回路工作状况,当IGBT的集电极电压下降接近0V时,励磁线圈中电流正在反向减小,通过脉宽调制电路输出一个触发脉冲,通过同步电路和脉宽调制电路组成的电路可以使驱动脉冲再次加到IGBT的栅极,强行使IGBT导通。
在脉宽调制电路中,通过改变 电平的值,可以控制功率,它是由单片机输出与电流负反馈信号共同决定的。IC1和IC2为快速比较器LM319。如图2中所示,当V3》 时,比较器的输出端相当于开路,通过外接上拉电阻,可以得到高电平,从而驱动IGBT导通,而当V3《 时,比较器的输出口相当于接地,输出为低电平。

图2 电磁振荡电路图
如图2为电磁振荡电路原理图,当220V的交流电经过硅桥(B1),再通过电容C1的滤波处理,转换成为直流电压信号。励磁线圈(炉盘)和电容C3为并联的,用以产生电磁振荡。
图3为电磁振荡过程中的各点的波形,这些信号都是在振荡过程中相当重要的,如果有一个信号出错,都会影响电磁振荡的正常进行,其中包括了参考电源信号V1,电压反馈信号V2,以及同步结果信号V5,控制功率的参考电压信号Vref,以及IGBT的驱动信号等。
t0 -t1过程:IGBT为截止状态,L、C正在发生振荡。首先,在t0时刻,电路中的能量表现为电感L2的电流,接下来能量通过电感转向电容器,即以电流的形式向电压的形式转换,通过电容器C3与电感L2的并联回路给电容充电。当电容电压达到最大值的时候,如图3中的V2的峰值时刻,这时电容的电压能够达到 1000V,电感的电流为0,接下来能量从电容C3转向电感。当V2电压低于比较的电压信号V1时,比较器1的输出发生一次翻转,此时电容C5迅速放电,使得V3的电压低于了功率参考电压Vref,由于比较器2的作用,强行使IGBT导通。
t1-t2过程:IGBT为导通状态,这个时间段内,电感L2的电流急剧增加,如图3所示,反馈电压V2接近0,比较器1的输出口V5也为低电平。在这个时候,电容C5开始充电,当这个电压(V3)高于功率参考电压Vref的时候,比较器2的输出口电压发生翻转,把IGBT的驱动电压强行拉低了,这就是一个IGBT导通的一个过程。
t0 -t2的过程就是一个电磁振荡的过程,也是电磁振荡的一个周期,以后的过程与这段时间相同,如图3中,t2-t3过程与t0-t1过程完全相同,t3- t4过程与t1-t2过程完全相同。t0-t1的时间间隔取决于谐振线圈L2和谐振电容C3,所以这个电磁振荡的频率f主要取决于L2和C3。

图3 电磁振荡过程中的一些重要信号波形
电压V1、V2的选取在整个系统中相当重要,它关系到同步电路部分能否准确监测主回路的状态。在静态的时候,V2 要略高于V1,以保证比较器1的输出为高。但是如果V2过高,R14选取相对过大,在振荡的过程中,会出现电容C3的电压已降为0时不能及时驱动IGBT,使其导通,这样不能准确监测主回路的工作状态。同样如果R14与R12的匹配的值过小,会提前促使IGBT导通,这样一来由于反压过高,此时IGBT一旦导通,就会被损坏。
在反复的实验中,得到了如图4的数据,t1和t1’则并不是同一时刻,这是值得注意的,这也是相当重要的。一个振荡周期大概为40μs,如图4中所示, t1’要比t1滞后2个μs,这个滞后是允许的,但是这个时间不能太长。说明在反馈电压V2还没有降到0的时候,已经又有信号驱动IGBT,使其导通。首先这个时间是允许的,因为IGBT有一个栅极电压VGE,这个电压的具体值根据不同的器件而定的,大概为2V~5V,说明在t1’时刻IGBT不一定已经导通了。其次,这个时间不易过长,如果过长了,则会出现反馈电压V2还没有降到0,就再次驱动IGBT了,这个时候IGBT的集电极还有很高的电压,这样一来,IGBT很可能受到损坏。在实际的电路中,可以通过调节V1与V2的电压来控制t1与t1’之间的时间间隔,其中V1是一个参考电压,也就是一个基准电压,V2是反馈电压,通过使用比较器起到同步的作用。

图4 把驱动电压与反馈电压合成的效果图
结语
该IGBT的驱动电路具有廉价、简单、可靠实用的特点。没有采用以往的正负电源供电的复杂电源,而是采用的+15V与0V的驱动方案,为设计带来了方便。
在保护电路中使用了延时缓降栅极电压的过流保护措施,结合电磁产品中的驱动要求,这种保护措施是行之有效的。同时还考虑到了栅极驱动电压的过压保护和集电极电压变化过快的保护措施。
