摘 要:IGBT 保护电路">驱动保护电路是IGBT可靠、稳定、高效运行的基础,也是IGBT所构成系统可靠运行所必不可少的。本文所提出的IGBT驱动保护电路是应用于二极管箝位式的三电平变频器当中,在介绍IGBT主要特性的前提下,介绍应用CONCEPT公司的2SD315模块设计具有高可靠性、高集成度,高效率等特点的 IGBT驱动保护电路,最后给出以型号为2SD315AI-33驱动模块的实际驱动电路。
关键词:IGBT,驱动电路,三电平变频器,2SD315
1、引言
IGBT(Insulated Gate Bipolar Transistor),绝缘栅双极型功率管,是由BJT(双极型三极管)和MOS(绝缘栅型场效应管)组成的复合全控型电压驱动式电力电子器件, 兼有MOSFET的高输入阻抗和GTR的低导通压降两方面的优点。GTR饱和压降低,载流密度大,但驱动电流较大;MOSFET驱动功率很小,开关速度快,但导通压降大,载流密度小。IGBT综合了以上两种器件的优点,驱动功率小而饱和压降低,从而成为当今电力电子行业的首选器件。
电力电子器件的发展水平在很大程度上决定了电力电子产品的发展水平,而目前电力电子器件受电压、电流水平的限制成为电力电子及电气传动行业发展的瓶颈,而 IGBT则是其中一例。在现有的IGBT技术水平上如何能够使其发挥最大功能,这是主要而又关键的问题,除了合理的软件控制方法外,无疑IGBT的驱动保护电路是又一重要环节。目前,IGBT的控制保护电路很多,但在集成度,可靠性等方面还不够完善,本文就此在介绍IGBT基本性能的基础上介绍一种基于 CONCEPT公司的2SD315模块的IGBT驱动保护电路。
2、IGBT特性及驱动设计
本文以eupec公司型号为FF450R17ME3的IGBT为例进行说明。通过查找其技术手册可得:在其节温为125℃,器件集电极与发射级间压降为 UCE=900V,门极驱动电压UGE=±15V,IC=450A,限流电阻RG=3.3Ω时Tdon=100ns,Tdoff=1000ns。但在门极电阻RG不同时,其开关速度也是不同的,当RG小时,其与门极电容的时间常数短,使IGBT深度饱和导通的时间短,反之则长。而IGBT得开关速度直接影响系统效率,但是考虑到di/dt与du/dt对IGBT本身的副作用,又不能使限流电阻过小。一般限流电阻的选择可参照以下公式:[1]~[2]

式中 UCN、ICN分别为IGBT额定电压、额定电流。
图1为FF450R17ME3管压降与电流关系曲线,由图可见当加在门极驱动电压小于12V时,开通曲线电流上升到一定值时,其管压降急剧上升,虽然在 12V时可以使IGBT开通,但期间开通损耗比较大。在8V、9V、10V时,电流达到一定值,管压降呈直线上升,期间通电流能力已经达到极限。由此综合考虑门极驱动电压应大于12V,在工程实际当中一般选择15V,考虑有较快的关断速度,提高抗干扰能力等方面,应加-10~-15V的反偏电压。驱动电路除考虑以上问题外,还需考虑驱动信号的隔离,驱动电源的隔离,控制部分与主回路部分的隔离。以及各开关信号之间有无互锁和死区控制等。
图1 FF450R17ME3管压降与电流关系曲线
3、IGBT 保护电路
IGBT损坏的原因一般有过流、过压、过热3个方面。过压又分集电极发射极过压,门极发射极过压。在过流保护方面.很多生产厂家的技术资料表明:IGBT 短时间最大可承受两倍的额定电流.但是经常承受过电流会使器件过早老化。从图3可以发现。如门极驱动信号的幅值为15V,当IGBT通过450A的额定电流时,管压降大约为2.4V。根据这一特性,可以设计出IGBT过流保护电路。

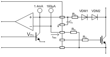
图2 2SD315典型保护电路
如图2所示为2SD315典型的保护电路,按照该电路的结构,对参数的配置予以计算。由图可见,当IGBT关断时,VT1导通比较器同相端为0,此时 150μA电流经过Rth在比较器反相端形成一个基准电位,此时比较器输出为低电平。当IGBT开通时,VT1关断,此时基准电位依然存在,1.4mA电流经过电容Ca延时后经过电阻Rm、VDM1、VDM2、IGBT后进入参考地。因而在比较器的同相端形成一个点位,其幅值由电阻Rm压降URm,二极管 VDM1、VDM2压降UD以及IGBT压降UCE共同决定,而URm、UD为确定值,所以在比较器同相端的电位就决定于UCE。
由图1可知在某一确定型号的IGBT,通态条件下其两端电压与通过的电流有一定的曲线关系。流过IGBT的电流增大,IGBT两端电压UCE也随之增大,当UCE增大到使比较器同相端电位高于反相端电位时,比较器输出翻转,从而封锁IGBT驱动脉冲。电路参数可按如下计算:
由于IGBT可以短时承受两倍额定电流,所以在实际应用中可以适当选取。在IGBT导通的瞬间,IGBT两端电压UCE不会立刻进入稳态,而是由一个短时的过渡过程,在这个阶段IGBT保护电路会发出错误的检测信号。当加电容Ca延时后,IGBT保护电路就能够躲过这一过渡过程,实现正确的保护功能。而且此电容还能够在一定程度上滤掉UCE上的外界干扰信号,减少了保护误动的发生率。Ca的参数计算如下:
4、2SD315AI-33简介及应用

图3 2SD315AI-33外形图
4.1 2SD315AI-33是瑞士CONCEPT公司专为3300V高压IGBT的可靠工作和安全运行而设计的驱动模块,它以专用芯片组为基础、外加必需的其它元件组成。该模块采用脉冲变压器隔离方式,能同时驱动两个IGBT模块,可提供±15V的驱动电压和±15A的峰值电流,具有准确可靠的驱动功能与灵活可调的过流保护功能,同时可对电源电压进行欠压检测,工作频率可达兆赫兹以上,电气隔离可达到6000VAC。

图4 2SD315AI-33功能框图
图3为2SD315AI-33外形尺寸图,图4为2SD315AI-33功能框图,它主要由DC/DC转换电路、输入处理电路、驱动输出及逻辑保护电路组成。DC /D C 转换电路的功能是将输人部分与工作部分进行隔离。而其输入处理电路由LDIO01及其外围电路组成。由于控制电路产生的PWM信号不能直接通过脉冲变压器,尤其是当脉冲信号的频率和占空比变化较大时,尤为困难。LDI001就是专门为此而设计的,此专用集成芯片的功能主要是对输人的PWM信号进行编码,以使之可通过脉冲变压器进行传输。由于该器件内部带有施密特触发器,因此对输人端信号无特殊的边沿陡度要求,并能提供准静态的状态信号反馈。将其设计为集电极开路方式,可以适应任何电平逻辑,并可直接产生死区时间。以上优点使得接口既易用又灵活,从而省去了其它专用电路所必需的许多外围器件。驱动 输 出及逻辑保护电路的核心芯片是IGDOOI。它将变压器接口、过流短路保护、阻断逻辑生成、反馈状态记录、供电监视和输出阶段识别等功能都已集成在一起。每个IGD用于一个通道,其具体功能是对脉冲变压器传来的PWM信号进行解码,对PWM信号进行功率放大,对IGBT的短路、过流及电源的欠压检测保护,并向LDI反馈状态,以产生短路保护的响应时间和阻断时间等。
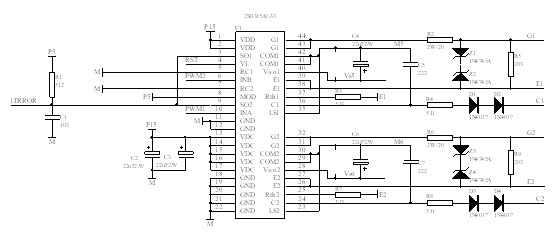
4.2 实际应用电路如图5所示:
图5 2SD315AI-33实际应用电路
4.3 实验波形
图6为用本文的方法设计的驱动电路应用在三电平变频器中的门极驱动信号波形。
5 总结
对于正确使用IGBT,除了添加必要的吸收电路外,设计好一套良好的驱动保护电路是尤为关键的。在设计驱动保护电路之前,必须仔细研究开关器件的关键外部特性,这对于正确设计驱动保护电路是至关重要的。本文就是在分析器件的IGBT过渡过程等特性的基础上设计的一套驱动保护电路,借助于2SD315AI- 33模块的高集成性、高可靠性,从而使整体电路达到一个高的使用性能。