电离子透入疗法(Iontophoresis )是一种将药物通过皮肤渗入人体体内的治疗方法。经皮肤吸收的药物是一类由电流驱动流经皮肤的带电混合物。要注入适当的剂量药物,就必须有效地控制通过皮肤的电流。可以通过采用一个自动化系统来实现这一操作。
电离子透入疗法有很多好处。首先,可以对(人体)局部非常高剂量地用药,而非整体低剂量用药。其次,局部用药的副作用要少得多。通过高剂量用药,可大大提高药物的功效。要做到这一点,预先准备特殊配方的药物,这类药物与电子结合并通过流经皮肤的电流进行传送。在过去,这需要用到大量的电子元器件和一位训练有素的护士来监测电流,并且给药点滴装置需要具有必要的安全功能来保护病人。然而,随着近年来技术的进步、开关式电源设计和成本有效、高性能的微控制器 (MCU)的出现,使得低成本或一次性输液器成为可能。本文介绍了如何利用带混合信号功能的低成本8位PIC12F683微控制器和一些现货供应的元器件 来实现这一概念设计。

实现
要通过皮肤注入药物,注射装置必须生产生足够的电压来驱动电流,以便在要求的给药时间段内提供 特定的药剂注入速率。(设计)的目的在于控制通经皮肤的电流,但为了安全起见,应确保设备不会产生过高的电压。否则,注射装置可能会脱离患者,击穿电流通 道。在这种情况下,控制电路将尝试提高电压以维持当前的流速,(将注射装置)重新接上可能会使患者感觉到不适。
使用升压调节器将来自低电压电池的电压逐步提高至足够的水平,以便让达到要求的电流流经皮肤。选用间断性升压稳压器拓扑结构,因为它不要求处理器在特定时间提供脉冲,允许通过电感的电流下降至零。这样就可以简化软件的开发。
MCU 配置有一个外部异步复位引脚(主复位/ MCLR)。降低该引脚的电平将复位和唤醒处在低功耗关断状态(休眠)的微控制器。一旦完成对某次输液,该软件马上进入睡眠状态。与MCLR引脚相连的按 钮将线路置低电平,将其从休眠模式中唤醒。当设备从睡眠中醒来后,开始执行来自复位向量的代码(程序存储器中的0x0000),其它复位(包括上电)代码 也相同。需要管理的输液量被存储在内部EEPROM,这主要取决于执行情况和所管理的药物。该电路使用两节AA碱性电池为微控制器和开关稳压器供电。
软件采用微控制器的内置模拟-数字转换器(ADC)监控加到皮肤的电压,并将其与设定阈值进行对比。如果加到皮肤的电压超出了预定值,MCU将停止开关 MOSFET,避免将电压被升太高。这一功能将输出电压限制在安全水平,使该设备不至于从(被注射者的)皮肤脱落。预定义限值由软件设置,但因为加到皮肤 的电压有可能大于MCU输入引脚所能承受的电压或者大于其ADC可以转换的电压,所以要对这一数值按比例转换。外加电压由图2中所示的电阻R1和R2换算 至微控制器的电源轨范围---0~3V。
通常,电离子透入疗法所用的电流大小会随着药物的不同而变化,并且需要依据特定药方进行确认。电流由PIC12F683的一个外部电阻R3和一个内部比较器进行控制。通过定义期望电流,范围在0.5〜4毫安,比较器的阈值被设定在了代码中。
软件通过测试比较器的输出来确定电流值。如果电流超出预期值,那么微控制器不会转换MOSFET。否则,MOSFET被转换成升压,驱动更多电流通过皮肤。输出电流等于输入引脚的功率乘以转换器的效率,再除以输出电压,如以下公式所示:

输液持续的时间由一个内置的16位硬件定时器和一个16位软件定时器来控制。当达到预期剂量时,微控制器停止转换MOSFET并进入睡眠状态,再等待下一次按钮来启动。为了增加患者的舒适度,在上电顺序期间的输出电压上升速度可以调节。

1、软件流程图详细说明了这一过程。

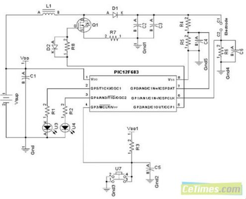
2、从电路原理图可见设计的简洁性
在电路原理图(图2)中,Q1是主要开关晶体管。MOSFET Vds击穿和D1的击穿电压应大于电路的最大预期输出电压。当微控制器检测到输出电流低于预期大小时,它会快速地连续四次对MOSFET加脉冲以提高电压 输出。这四个脉冲将产生更大电流和加速负荷下的上升时间。或者,可用PWM驱动MOSFET,这样允许来自升压电路的更高输出。R6/C6为电流检测网 络。
由于PIC12F683体积小、成本低、配置有内部ADC、固定基准电压、集成比较器、PWM、硬件定时器和内部EEPROM,所以它被本设计选定为MCU。使用固定参考电压可省去调节器或外部参考电压,使该设计可做成一个8引脚器件以便进一步降低成本。
该设计还包含两个用于用户界面的LED,一个连接至复位部件的启动按钮。
测试结果
在测试过程中,捕捉到了如图3和4所示的波形。

采用一个10K负载时的启动波形。

采用一个20k负荷时的启动波形。
用一个1μF的陶瓷电容器作为输出电容,电压纹波如图5所示。

采用一个20K负载时的调整输出波形。
