随着现在很多监控用镜头的价格下降,在您的商店、办公室或家里安装一套监视系统变得比较实际。然而你也许还得考虑给每个监控镜头配个监示器,或买一个能在单个显示屏内同时显示多个监视画面的专用监示器。以上这些方式,其投入都会比较大。这里介绍一个可以自制的视频切换器(见图1)

它采用视频切换专用集成电路,可以将两、三或四个镜头的监控画面依次显示在一个监视器上。切换镜头的数量由电路板上的DIP开关设定。在自动模式下,镜头的切换速度可由面板上的旋扭从1到20秒之间调整。手动模式时,可将一路监控镜头画面固定在监视器上,并可通过手动触发开关来逐个控制切换监控镜头。

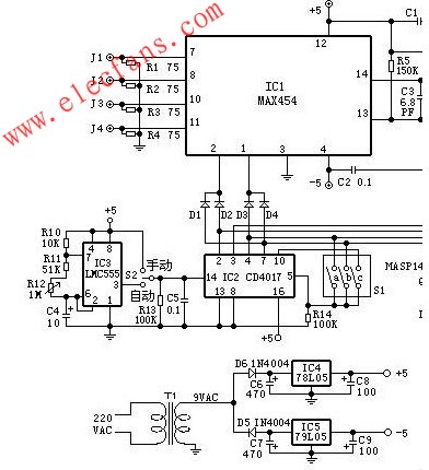
电路原理见图2。电路的核心是一块视频切换电路" title="切换电路">切换电路MAX454(见图3)。它具有质量良好的输出图像和很低的相位失真特点。电路内部包含4路视频输入(IN0~IN3)和一个低输入阻抗的线路放大、驱动器,两个地址输入(A0、A1),一个视频输出和两个电源端子。监控镜头通过J1-J4与切换器" title="切换器">切换器视频输入端相联。75Ω电阻构成输入的终端电阻。内部放大器的增益由接在IC1的13脚的反馈网络" title="反馈网络">反馈网络设置。反馈网络由R5-R8和C3构成。其增益设置为2是为了补偿在终端电阻R9(75Ω)上的消耗。最后在输出端J5的增益为1。

图 3
IC2(CD4017,十进制记数、分配器)组成视频切换电路。当有时钟脉冲" title="时钟脉冲">时钟脉冲从14脚输入时,Q0~Q4会依次输出高电平" title="高电平">高电平(见图3
)。D1~D4和IC2的三个输出端(2,4和7脚)构成十至二进制转换电路,为IC1提供地址码。同时T1~T4分别与IC2的3,2,4和7脚相联,驱动LED1~LED4作为镜头切换指示。R15为发光二极管的限流电阻。监控镜头数量的设置由DIP开关S1决定。如:如果只有两监控镜头与本切换器相联,
S1-a应接通,此时IC2的第4输出端与复位端(15脚)被短接。当IC2记数到第Q4(10脚)输出端时,此高电平通过S1-a使IC2复位,使切换器重新回到第一个监控镜头。这样电路会在镜头1和镜头2之间循环。同理,接通S1-b或S1-c可以实现3或4个镜头的切换。
IC3(LMC555)构成时钟脉冲发生器,为IC2提供记数脉冲信号。调节R12输出频率为1到1/20Hz。S2为单刀三掷开关。打在自动位置时,IC3的3脚输出的记数脉冲通过S2进入IC2的时钟脉冲输入端(14脚)使电路自动记数、循环切换。当S2打向手动位置时(S2为带弹簧复位的开关),电源电压通过S2给IC2一个记数脉冲,实现手动切换每个镜头。当S2在中间位置时,IC2的记数输入端被R13置为低电平,记数器不工作。
电源部分由T1、IC4、IC5和D5、D6及C6~C9构成±5伏电源。
由于电路用于处理高频的视频信号,我们在制作时应注意必需要采用印刷电路板,如果您自己设计线路板,请特别注意在信号端子周围需用接地铜箔保护,以免引入噪声和串扰" title="串扰">串扰。在安装元器件时,建议先焊装电阻和二极管,然后用前面的零件剪下来的引线用做两根跳线。之后是S1和IC2、IC3的插座,但是IC1不要使用插座。在安装J1~J5时,如果用功率稍大点的电烙铁效果会更好。在这之后是Q1~Q4及电容和LED1。最后将IC1直接焊接在电路板上,并尽可能缩短接脚引线以有利于信号传输。
