STM32F100VBT6" title="STM32F100VBT6">STM32F100VBT6采用ARM Cortex-M3" title="Cortex-M3">Cortex-M3 32位RISC内核,工作频率24MHz,集成了高速嵌入式存储器(闪存高达128kB、SRAM高达8kB)以及各种增强外设和连接到两条APB总线的I/O。所有器件提供两个I2C、两个SPI、一个HDMI CEC和多达3个USART标致通信接口以及一个12位ADC、两个12位DAC和六个通用16位定时器和PWM定时器。主要用在控制和用户接口、医疗设备、PC和游戏机外设、GPS平台、工业应用、PLC、逆变器、打印机、视频通信和HVAC等。

图1 STM32F100xx系列方框图
STM32F100xx简介
低/中密度、基于ARM的高级32位MCU,带有16 kB ~128kBFlash、12个定时器、ADC、DAC和8个通信接口STM32F100xx系列整合了工作频率为24MHz的高性能ARM Cortex™-M3 32位RISC内核、高速嵌入式存储器(闪存高达128kB,SRAM高达8kB)以及各种增强型外设和连接到两条APB总线的I/O。所有器件均提供标准通信接口(2个I2C、2个SPI、1个HDMI CEC和3个USART)、1个12位ADC、两个12位DAC、6个通用16位定时器和高级控制PWM定时器。

图2 STM32F100VBT6评估板硬件方框图
STM32F100xx低/中密度产品系列的工作温度范围为–40~+85℃和–40~+105℃,电源电压范围为2.0V~3.6V。全面的节电模式实现了低功耗应用设计。
STM32F100xx系列器件采用3种不同的封装,引脚为48~100个。不同的器件带有不同的外设集。
这些特性让STM32F100xx系列微控制器适于大量应用,如应用控制和用户接口、医疗和手持式设备、PC和游戏机外设、GPS平台、工业应用、PLC、逆变器、打印机、扫描仪、报警系统、视频通信和HVAC。

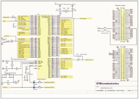
图3 STM32F100VBT6评估板电路图(1)
STM32F100VBT6主要特性
- 内核:ARM 32位Cortex™-M3 CPU
- 24MHz的最高频率和1.25DMIPS/ MHz(Dhrystone 2.1)的性能
- 单循环乘法和硬件除法
- 存储器
- 16 kB ~128kB Flash存储器
- 4kB ~8kB SRAM
- 时钟、复位和电源管理
- 2.0V~3.6V应用电源和I/O
- POR、PDR和可编程电压检测器(PVD)
- 4MHz~24MHz晶体振荡器
- 内部8MHz工厂预校RC
- 内部40kHz RC
- CPU时钟的PLL
- 面向具有校准功能的RTC的32kHz振荡器
- 低功耗
- 休眠、停机和待机模式
- RTC和备用寄存器的VBAT电源
- 调试模式
- 串行线路调试(SWD)和JTAG接口
- DMA
- 7通道DMA控制器
- 支持的外设:定时器、ADC、SPI、I2C、USART和DAC
- 1×12位、1.2μs A/D转换器(通道达16条)
- 转换范围:0V~3.6V
- 温度传感器
- 2×12位D/A转换器
- 快速I/O端口多达80个
- 37/51/80个I/O,在16个外部中断矢量上均可映射,并且几乎全部能够经受5V电压
- 定时器多达12个
- 16位定时器多达3个,每个都带有4个IC/OC/PWM或脉冲计数器
- 16位、6通道高级控制定时器:通道多达6条,可以实现PWM输出、空载时间发生和紧急停止
- 1个16位定时器,具有2个IC/OC、1个OCN/PWM、空载时间发生和紧急停止功能
- 2个16位定时器,每一个都具有IC/OC/OCN/PWM、空载时间发生和紧急停止功能
- 2个看门狗定时器(独立和Window)
- SysTick定时器:24位逐减计数器
- 2个16位基础定时器,可以驱动DAC
- 通信接口多达8个
- I2C接口多达2个(SMBus/PMBus)
- USART多达3个(ISO 7816接口、LIN、IrDA功能、调制解调器控制)
- SPI多达2个(12Mb/s)
- 消费类电子控制(CEC)接口
- CRC计算单元、96位独特ID
- ECOPACK®封装
STM32100B-EVAL评估板
STM32100B-EVAL是面向STMicroelectronic基于ARMTM Cortex-M3的STM32F100VBT6微控制器的评估板。它设计用作一个全面的开发环境,具有HDMI CEC、2条I2C通道、2条SPI通道、3条USART通道、8kB内部SRAM、128kB内部Flash和JTAG与SWD调试支持。
利用全套硬件评估特性,STM32100B-EVAL评估板设计用于帮助开发人员评估所有器件外设(如HDMI CEC、电机控制、LCD、MicroSD Card™、串行Flash、扬声器、IrDA和USART)和开发他们自己的应用。扩展连接器让我们能够轻松连接子板或者专用绕接板。
评估板上整合了ST-LINK,它可以充当STM32F100VBT6 MCU的嵌入式在线路调试器和编程器。

图4 STM32F100VBT6评估板电路图(2)
STM32100B-EVAL评估板主要特性
- 3种5V电源选项:电源插孔、ST-LINK连接器或子板
- 从用户Flash、系统存储器或SRAM启动
- 扬声器
- 1GB MicroSD Card™
- 16MB串行Flash
- I2C/SMBus兼容串行接口温度传感器
- 2个RS-232通信通道,其中1条通道上支持RTS/CTS握手信号
- IrDA收发器
- 感应电机控制连接器
- JTAG和SWD调试支持
- 240×320 TFT彩色LCD
- 操作杆,带有四向控制和选择器
- 复位、唤醒、篡改和用户按钮
- 4个LED
- 带备用电池的RTC
- 子板或绕接板的扩展连接器
- 嵌入式ST-LINK
- IDD电流测量电路
- HDMI CEC
- GEC
