一、垃圾炉概述
城市垃圾焚烧(发电)法是世界上许多先进国家和地区最常采用的方法,焚烧已成为垃圾处理的主要手段,瑞士垃圾焚烧率为80%,日本、丹麦垃圾焚烧率在70%以上。1987年,在深圳建成了我国第一座工业化垃圾焚烧发电厂,日处理城市生活垃圾300吨,发电机装机容量3000千瓦。随着垃圾焚烧技术的不断发展,近年来,北京、上海、广州、杭州等城市也开始建工业化垃圾焚烧发电厂。

与其它处理城市垃圾的方法相比,垃圾焚烧方法具有占地少、可回收能源等优点。但是,如果燃烧处理不当,也将释放出多种可能会导致胎儿崎形与数种癌症的有害物质,灰烬中的有毒有害物质就更多了,如达到危险浓度的铅、镉等重金属等。
因此,焚烧最重要的就是使烟气及固体废料-飞灰和残渣尽可能地完全燃尽,以便垃圾中的有机成分被彻底破坏,不再产生新的有害成分如二恶英和呋喃。同时,通过适当的措施(如分段燃烧)使氮氧化物的浓度很低,粉尘量尽可能减少。燃烧控制的目的是保证热量在炉排的整个长度和宽度上尽可能均匀释放,尽可能少的形成污染物,使废气和残渣全部燃尽。
二、杭州绿能垃圾发电工程规模及工艺
杭州绿能垃圾发电工程规模,一期工程配3台杭州锅炉厂生产的150t/d垃圾焚烧炉、3台15t/h余热锅炉及3套尾气处理系统,配套1台杭州汽轮机厂生产的7.5MW凝汽式汽轮发电机组,除氧系统,循环水系统,综合水系统以及岸边取水泵房等。日处理垃圾能力达450t/d。
整个工程垃圾焚烧系统工艺单元包括:
• 垃圾计量系统
• 垃圾卸料及贮存系统
• 垃圾给料系统
• 垃圾焚烧系统
• 余热利用系统
• 烟气净化和排放系统
• 灰渣处理系统
• 水处理或回用系统
• 烟气排放在线监测系统
• 垃圾焚烧自动控制系统
垃圾焚烧工艺流程参见下图:

电动门及电动机控制要求:
1.电动门控制:当DCS发出开阀信号后,画面中“阀开”指示以闪光表示,直至收到“阀已开”信号后转平光,关阀亦同。并要求在开/关阀门 DO信号输出后,XX秒后如没有收到阀门开/关的反馈 DI信号, 即给出报警提示。XX秒为全行程时间,不同的电动门应在现场做整定。
2.电动机控制:
DCS可手/自动控制电动机的启停,监视电机的运行。
每台锅炉有1台鼓风机、1台引风机,均采用变频调节,2台渣坑排水泵,2台垃圾渗滤液坑排水泵。
汽机系统有1台高压启动油泵、1台直流润滑油泵,1台盘车电机、2台疏水泵,2台凝结水泵。
除氧给水系统有 4台给水泵等。
循环水系统有3台循环水泵(主要由主控室控制)和2台冷却塔风机。
综合水泵房有工业给水泵2台,2台消防给水泵,1台反冲洗水泵,1台生活用水自动给水设备和2台排水泵等。
岸边水泵房有2台原水取水泵和2台排水泵。
三、项目控制规模
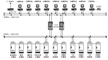
杭州绿能垃圾发电工程控制部分的设计为DCS系统,采用北京和利时系统工程股份有限公司生产的现场总线控制技术的开放性系统——HOLLiAS-MACS。该系统根据项目规模及特点,共配置双冗余服务器2台,现场控制站4台,扩展站及远程站7台,工程师站1台,操作员站9台,配置了1台A3激光黑白网络打印机以及1台A3彩色喷墨网络打印机用于报表打印和趋势页面打印等。在日常运行中,6台操作员站分别对1#、2#、3#焚烧炉和余热锅炉、尾气处理系统进行操作,1台汽机操作站,1台公用系统操作站和1台站在综合控制搂会议室作演示监视站。
本项目设计的 DCS系统用于集中控制机-炉-电动机,不设后备手操调节仪表。锅炉辅助盘BAP装设了3台锅炉的汽包水位电接点表并且装设紧急停炉按钮,汽机辅助盘TAP装设了除氧水箱水位电接点表并且装设紧急停机按钮。为满足机组安全可靠运行, HOLLiAS-MACS系统采用了多项冗余控制技术,控制器冗余,通迅网络冗余,电源冗余等。各操作站互为备份,8台操作站中任一台都可以监控所有工艺参数,当操作站故障时,不影响控制器正常工作。
HOLLiAS MACS系统详细配置图参见下图:

DCS的输入/输出清单。
AI(4-20mA信号):168
TC:59
RTD:37
AO: 96
DI: 621,分为常开 NO,常闭 NC。
DO: 329,其中控制启停电动机的 DO有常开NO和常闭NC之分,也有脉冲型和持久型之分,触点闭合时间 0-2S可调。电动机的二次控制回路为 220VAC和220VDC,DCS负责 DO信号的触点容量不同。
四、MCS控制方案
根据该项目的工艺要求,对系统的控制方案进行了编制。
焚烧炉及余热炉部分MCS控制方案:
• 引风机变频调节
一次风量指令在进行处理时,需要考虑燃料的特性及负荷变化情况,燃料不同时,助燃空气量会有所不同。负荷不同一次风量占总风量的比例也会发生变化,同时,如果床温偏高,增加一次风量;如果床温偏低,则减小一次风量。当床温偏高,增加了一次风量,则总风量相应增加,总风量调节回路输出减小,则一次风、二次风指令减小,最后达到平衡时,一次风增加,二次风减小,从而达到调节床温的目的。下图为鼓风机变频调节的控制方案,其它MCS方案不再赘述。

鼓风机变频MCS调节
• 引风机变频调节
• 一次分风门挡板控制
• 二次风门挡板控制
• 汽包水位调节
• 二级喷水减温调节
• 一级喷水减温调节
• 烟气空气预热器出口温度调节
• 给料器速度调节
• 炉排速度调节
• 熔渣滚筒速度调节
• 推灰器速度调节
汽机部分MCS控制方案:
• 料斗门控制
• 热井液位调节
公用部分MCS控制方案:
• 除氧器头汽相压力调节
• 除氧器水箱水位调节
• 减温减压器出口蒸汽温度调节
• 减温减压器出口蒸汽压力调节
五、SCS控制方案
• 焚烧炉及余热炉
汽包水位(以锅筒中心以下50mm处为正常水位)≥+50mm报警,≤-50报警,≥+75mm停炉,≤-75停炉
引风机跳闸时,以及手动停炉时,停全部送风和给料。
送风机跳闸时,停燃料供应。
启动顺序:引风机—鼓风机—炉排—给料器
停止顺序:给料器-炉排—鼓风机—引风机
• 循环水泵房
冷却塔冷却水池液位HH≥1900mm报警,LL≤1500mm报警并停止开启的循环水泵
• 汽机
当发生下列情况之一(不仅限于此)时,将发出跳机指令:
汽机轴承振动大;
轴向位移大;
差胀大;
推力瓦温度高;
润滑油压力低;
凝汽器真空低;
汽机超速;
上述参数都是开关量输入接点,来自于DAS、TSI、就地触点型变送器和硬手动开关等。当以上参数中的任何一个超过规程限值时,DAS、TSI、各保护测量二次仪表等设备闭合这些接点,使ETS系统关闭汽轮机的进汽阀门,同时联动相应的其他设备(如逆止门、发电机等),以保护设备和人身安全。
• 除氧给水
疏水泵出口母管压力≤0.45MPa时启动备用并报警
疏水箱液位(距箱顶)≥80%时自动开疏水泵并报警
疏水箱液位(距箱顶)≤20%时停疏水泵并报警
给水泵出口压力≤6MPa时,启动备用泵并报警
六、结束语
在杭州绿能环保工程股份有限公司相关各方的配合下,经过双方工程技术人员的联合调试,垃圾焚烧余热锅炉于2004年8月份陆续投运,经过运行,整套系统运行稳定、可靠,该项目的投运不仅使杭州绿能环保公司提高了经济效益,更为杭州市垃圾处理作了积极的工作,提高了一定的社会效益。垃圾焚烧余热锅炉以其低温分段燃烧技术、适应范围广、负荷调节范围大、燃烧效率高等优点,正被越来越多地应用,随着科技的进步和垃圾焚烧余热锅炉的成熟,垃圾焚烧发电技术将会更环保、更高效。
